小度生活
首页
美食营养
手工爱好
生活家居
返回
小度生活
首页
美食营养
游戏数码
手工爱好
生活家居
健康养生
运动户外
职场理财
情感交际
母婴教育
时尚美容
知识问答
生活知识
生活百科
搜索
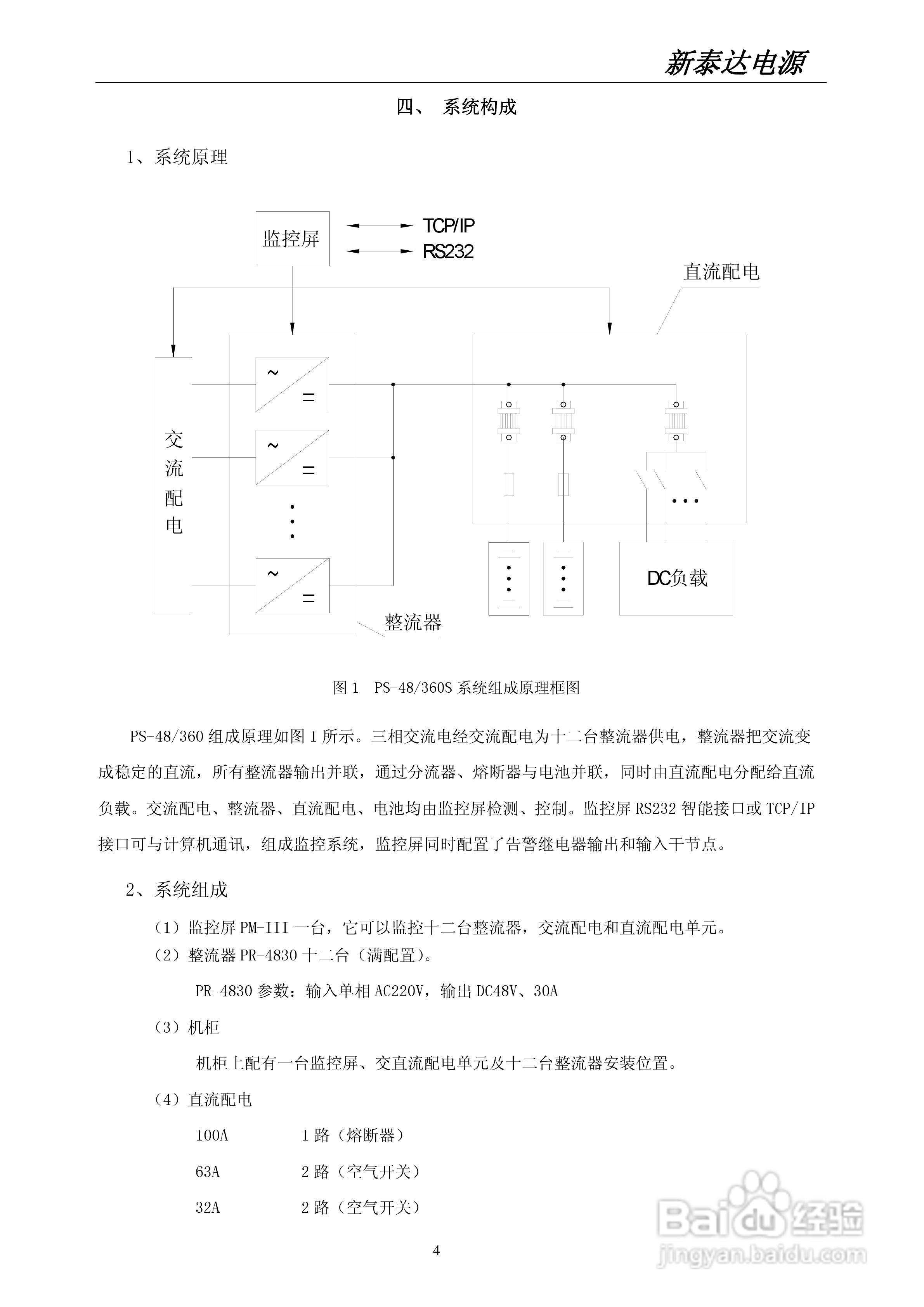
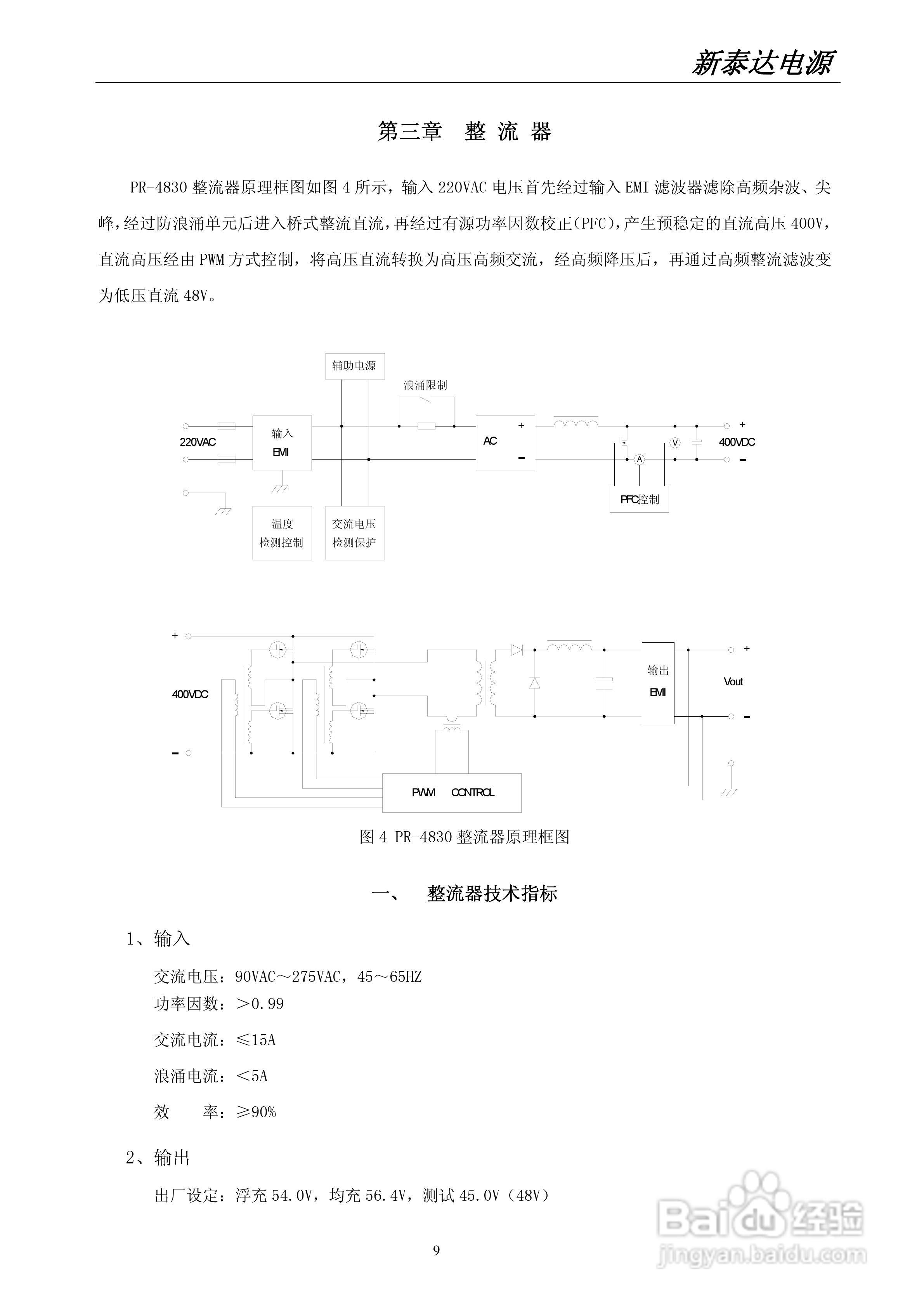
世纪新泰达PS-48/360型智能高频开关电源系统使用说明:[1]
2026-04-04 05:02:07
本篇为《世纪新泰达PS-48/360型智能高频开关电源系统使用说明》,主要介绍该产品的使用方法以及常见故障解决方案。
(共篇)
下一篇:
声明:
本网站引用、摘录或转载内容仅供网站访问者交流或参考,不代表本站立场,如存在版权或非法内容,请联系站长删除,联系邮箱:site.kefu@qq.com。
相关推荐
使用Linux的iptables配置防火墙和NAT的步骤
阅读量:32
Windows Server 2012 Iis8 php环境配置方法
阅读量:68
Linux平台安装配置MQ及补丁
阅读量:98
CentOS Linux系统虚拟机/硬盘安装教程
阅读量:101
linux进行LVM逻辑卷快照
阅读量:117
猜你喜欢
ft是什么单位
挂号信是什么
fun什么意思
九价是什么
bc是什么意思
1921年属什么生肖
sweater是什么意思
在地下城寻求邂逅是否搞错了什么
驻车制动是什么意思
电脑上怎么截图按什么键
猜你喜欢
什么补血
10月7日是什么星座
空亡是什么意思
杏仁有什么作用和功效
dsr是什么意思
空杯心态是什么意思
人生得意须尽欢什么意思
电容笔是干什么用的
ipqc是什么意思
领结婚证需要准备什么