小度生活
首页
美食营养
手工爱好
生活家居
返回
小度生活
首页
美食营养
游戏数码
手工爱好
生活家居
健康养生
运动户外
职场理财
情感交际
母婴教育
时尚美容
知识问答
生活知识
生活百科
搜索
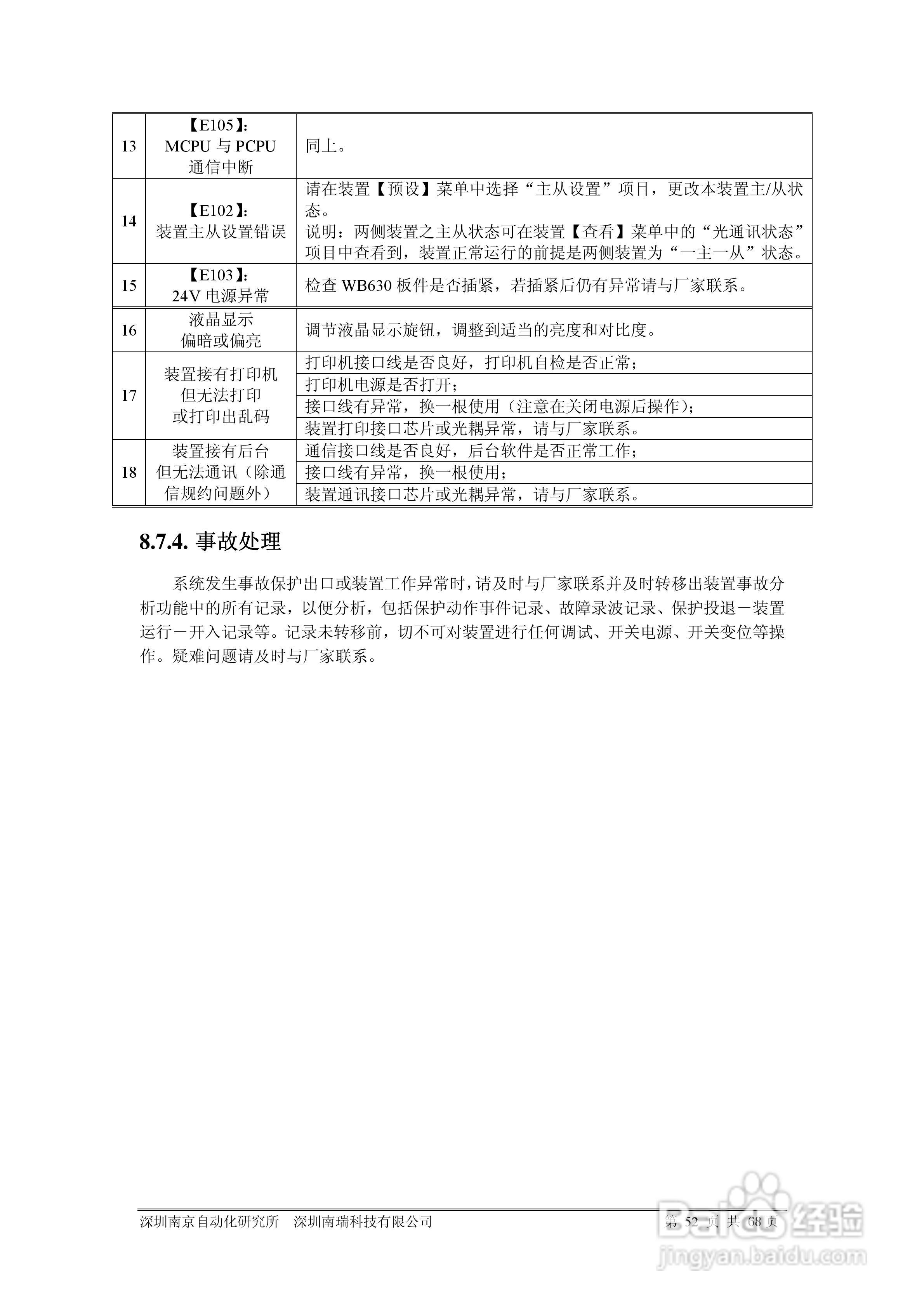
PRS-753D光纤分相纵差成套保护装置说明书:[4]
2026-04-09 20:54:06
本篇为《PRS-753D光纤分相纵差成套保护装置说明书》,主要介绍该产品的使用方法以及常见故障解决方案。
(共篇)
上一篇:
|
下一篇:
声明:
本网站引用、摘录或转载内容仅供网站访问者交流或参考,不代表本站立场,如存在版权或非法内容,请联系站长删除,联系邮箱:site.kefu@qq.com。
相关推荐
PRS-753D光纤分相纵差成套保护装置说明书:[5]
阅读量:32
PRS-761非电量保护装置技术说明书:[4]
阅读量:62
PRS-761非电量保护装置技术说明书:[3]
阅读量:105
PRS-761非电量保护装置技术说明书:[2]
阅读量:80
PRS-761非电量保护装置技术说明书:[1]
阅读量:190
猜你喜欢
普天同庆是什么意思
wdnmd什么意思
三个土读什么
艾滋病的症状是什么样
海鲜不能和什么一起吃
hrbp是什么意思
什么的翅膀
pom是什么材料
冰释前嫌是什么意思
picture是什么意思
猜你喜欢
term是什么意思
哈拉少什么意思
肉便器是什么
利润分配属于什么科目
考教师资格证需要什么条件
7月有什么节日
alt是什么意思
滚犊子是什么意思
1966年属什么生肖
毒龙是什么