如何应用无线数传RTU实现远程监控热网应用方案
1、一、 概述:
我国北方地区冬季目前普遍采用集中供暖方式进行供热。热电厂通过城市高温供热管道将热水送至各居民小区、企业中的换热站。在换热站,高温管道(以下简称一次网)中的热水与进居室暖气片(以下简称二次网)的热水通过换热器交换热量。经过换热后,二次网中热水流入各居室中。 在以上过程中,供热调度部门需要对分散在不同地理位置换热站中温度、压力、流量、液位等参数集中实时监视,控制换热站中各设备的运行。同时,根据从现场监测到的各换热站运行参数,调节热电厂运行工况,保证冬季整个供暖的稳定运行。
2、二、 项目需求
将下属的众多分站的数据传送到热网控制中心,由于各站之间与热网控制中心距离很远,因此针对本项目,采用RTU无线远传网络进行数据通讯是最具性价比的方式。同时,由于系统以后需要根据需求扩展,要求对系统的开放性、可维护性和扩展性给予充分考虑。
3、三、 系统设计方案
根据项目需求情况整个系统可分成三大部分,一部分是现场数据采集装置,实时将现场的流量、压力、温度等数据采集到智能远程测控终端内,根据实时数据实现采集点现场的自动报警,防止事故的发生;并且由智能远程测控终端将数据采用主动或被动的方式发送到监控中心;第二部分是监控中心,它实现对数据的接收、存储、显示、数据请求以及曲线显示、报表打印输出等信息管理工作和进行特殊情况的监控中心预警以及通过客户端软件方便地访问实时和历史数据;最后一部分是短信息预警系统,该短信息预警硬件仍以现场智能远程测控终端为基础,通过编程,可实现在系统检测到不良状态时,自动以手机短信息的方式将报警信息发送到管理人员的移动电话上,使管理人员及时了解到现场的不良状况,从而为安全生产作业提供信息保证。 现场流量、温度、压力等数据的实时采集和发送都通过智能远程测控终端2G/3G/4G RTU来完成,将现场传感器连接2G/3G/4G RTU的模拟量采集接口,实现数据的采集。数据采集到2G/3G/4G RTU中后,经过数据打包,再利用2G/3G/4G RTU的GPRS无线通讯模块将数据发送到远端的监控中心服务器上,监控中心服务器须采用独立IP地址上网,以便测控终端准确的将数据传输到指定的固定IP上,且服务器上装有热网监控服务器端软件及数据库,对接收的数据进行存储、分析、显示。上位机信息管理系统采用B/S结构,出于对信息安全、科学管理的需要,给有数据访问需求的部门或人员配置热网监控数据访问帐号,通过用户验证访问的方式实时查看并配置监测到的现场数据。另一方面,现场检测的数据通过CM310短信报警模块内部的程序设定可以直接发送到相关管理人员的移动电话上,通过这种主动的方式实现随时随地汇报现场不良情况的目的。
1、应用方案:

4、城市供热系统主要由控制中心、供热站(传感器和RTU)、加热站(包括泵和RTU)无线采集传输设备、调度中心短信告警模块(CM310),亚控/力控中心端软件组成的。
系统拓扑图
系统应用于城市集中供热,主要解决供热厂、热交换站及热网运行状态监测,及时有效地获取城市供热、输热、管网末端的实际运行数据,为供热管网的质调和量调提供可靠
的依据。

5、系统主要可由中心监控软件(力控/亚控组态软件)、传感器、压力变送器、2G/3G/4G 构成,这种方式的主要特点是结构分散、开放性好、稳定性强、性价比高并且扩展容易。
6、主要工作方式: 力控软件主要负责数据采集、通讯处理、人机界面和WEB发布等工作;
传感器、压力变送器、2G/3G/4G 主要是安装在供热站中,用来控制现场温度、压力、流量、液位信号的采集;现场各调节阀的控制。
厦门才茂通信技术有限公司2G/3G/4G 无线通信模块主要将从现场的传感器,压力变送器采集到的各个供热站数据转为无线通讯,并将数据通过无线GPRS网络传递给力控软件,同时负责加热站的现场仪表和设备的通讯及数据采集和控制。
加热站: 力控/亚控组态软件设在中央数据中心,采用典型的C/S和B/S结构,B/S方式是作为WEB服务器,将实时数据和画面通过WEB进行发布,远端用户经过授权,无须安装任何插件,使用标准的浏览器通过固定IP或域名绑定进行访问即可在远程进行监视。C/S方式是力控软件作为标准服务器端与各分站多个客户端(通过力控/亚控NETSERVER通讯组件)进行通讯。客户端通过局域网的IP地址访问采集站的数据库数据,在非本地中控室的其他控制室就可实现对现场数据的采集,各仪表和执行器的下置控制。
供热站: 力控/亚控组态软件同样设置在中控室内,现场66个供热站点分散在一定的区域内。 在每个供热站需要有一组相应的采集设备,采集供热站的现场数据,上位的力控/亚控软件在进入运行后,通过因特网的TCP/IP协议与各个分供热站的RTU进行通讯,采集每个供热站现场的开关量、模拟量。同时还可以通过对力控/亚控HMI(人机界面)上一些参数的设定来控制现场电动执行器或者一些阀门的启停或开度,来达到根据现场的实际情况调整供暖的温度。真正做到了在线的远程监控。 为了保证系统的稳定性和便利的管理方式,人性化的操作。该供热站系统的RTU全部采用自动呼叫,断线智能重新连接的方式。这样在现场一旦停电或出现电话线信号不稳定甚至断线的情况下,不需要现场再去重新对RTU进行重新的配置。节省了维护成本,大大提高了系统的自动化程度,并保证了该系统的稳定性。
7、四、通信方式
(1)现场发起通讯(下位机主动连接,上位机采用带公网IP的有线网络),如下图所示:
上位机的终端软件是控制中心与数据采集传输设备RTU之间通讯的枢纽,上位机终端软件掌握着数据采集传输RTU通讯协议的控制命令。定时上传数据前, GPRS RTU通讯设备先从下位机设备中读取数据并存储,然后再向控制中心传输已取到的数据。

8、五、无线2G/3G/4G RTU功能与特点
1、功能
该供暖监控系统(2G/3G/4G RTU远程监控)主要完成对工艺流程的监测、控制以及数据的处理、存储、分析以及报表打印等任务。
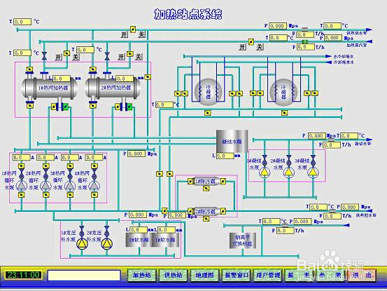
工艺流程显示各换热站工艺流程,包括温度、压力、流量、液位等工艺参数、所有设备运行状态以及各控制回路的详细参数等;
调节回路显示包括所有调节回路,可修改设定值、控制方式、调节参数等,并有实时趋势图便于进行PID 回路整定;
设定值显示包括所有必需参数的设定值、控制方式、调节参数以及其它联锁值、报警值等;
报表显示和打印
采用了DDE 技术,从而使用户能够直接使用Excel 编制报表,借助Excel 的强大功能,用户可以随心所欲地编制各种各样的报表;
历史数据的存储与检索对重要的数据进行在线存储,数据的存储时间最长为10 年。可以通过历史报表或者历史趋势曲线的方式来检索历史数据;
控制在监控计算机上可以进行远程手动控制,使用鼠标、键盘控制RTU 来启动和停止现场的设备;
安全管理
对重要设备的操作、重要参数的修改均会自动记录,包括登录的操作员、对设备进行的操作
2、特点
(1) 先进性
2G/3G/4G 无线RTU内置继电器,可对输入变量如:电流、 电压、功率、阻抗、频率、温度、压力、速度、光等 可自动感应;对被控电路实现“通”、“断”进行控 制执行;与其他电器一起,组成程序控制线路,实现 遥测、监测、遥控等自动化运行。
(2)稳定可靠
现场控制站的RTU 能够在恶劣的环境中长期可靠运行,并且易配置、易接线、易维护、隔离性好,结构坚固、抗腐蚀、适应较宽的温度变化范围。
(3) 强大的功能
1. 支持6路计数器输入
2. 支持8路开关输入量
3. 支持8路模拟输入量
4. 支持4路数字输出量
5. 支持2路PWM输出
6. 支持4路继电器输出。
7. 支持1路串口RS232通信
8. 支持1路RS485通信
9. 支持1路以太网VPDN/AP
10. 支持GPS/北斗定位(非标配)
11. 支持ZIGBEE 低功耗的近距离无线组网通讯(非标配)
12. 支持WEB远程配置,远程控制,远程升级。
13. 同时支持LINUX、UNIX和WINDOWS操作系统。
工程截图



9、六、结束语
该方案实现了对换热站运行参数的集中监视、控制,与老系统相比,可以大量的减少维护人员,部分供热站还实现了无人值守,提高企业的经济效益。该方案具备更好的抗干扰性(尤其是在城市中)、数据传输安全性。相信这种远程监控方案将在城市管网、热网、石油、地震检测、电力等一些无线远程数据监控中得到更大范围应用。