小度生活
首页
美食营养
手工爱好
生活家居
返回
小度生活
首页
美食营养
游戏数码
手工爱好
生活家居
健康养生
运动户外
职场理财
情感交际
母婴教育
时尚美容
知识问答
生活知识
生活百科
搜索
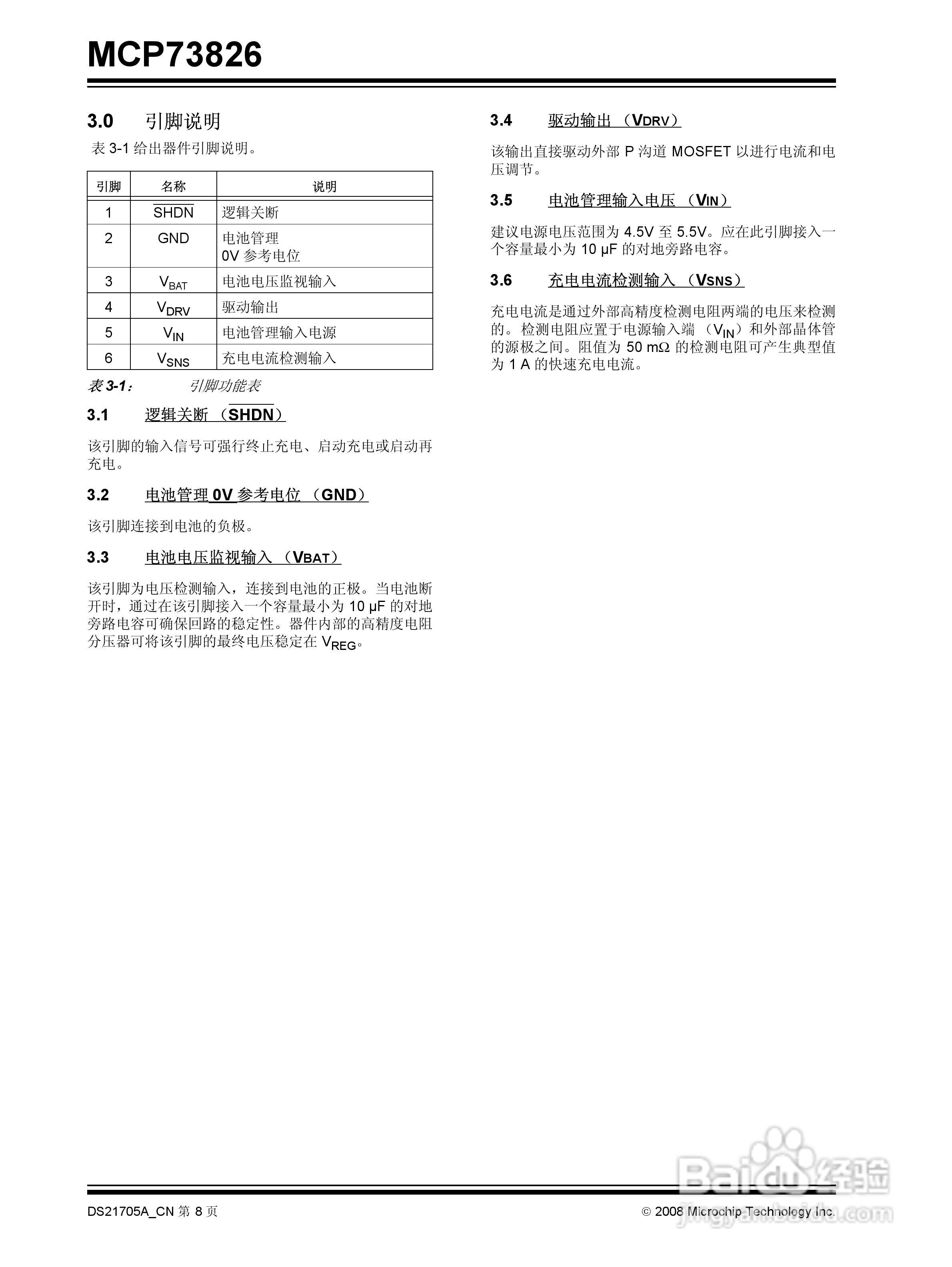
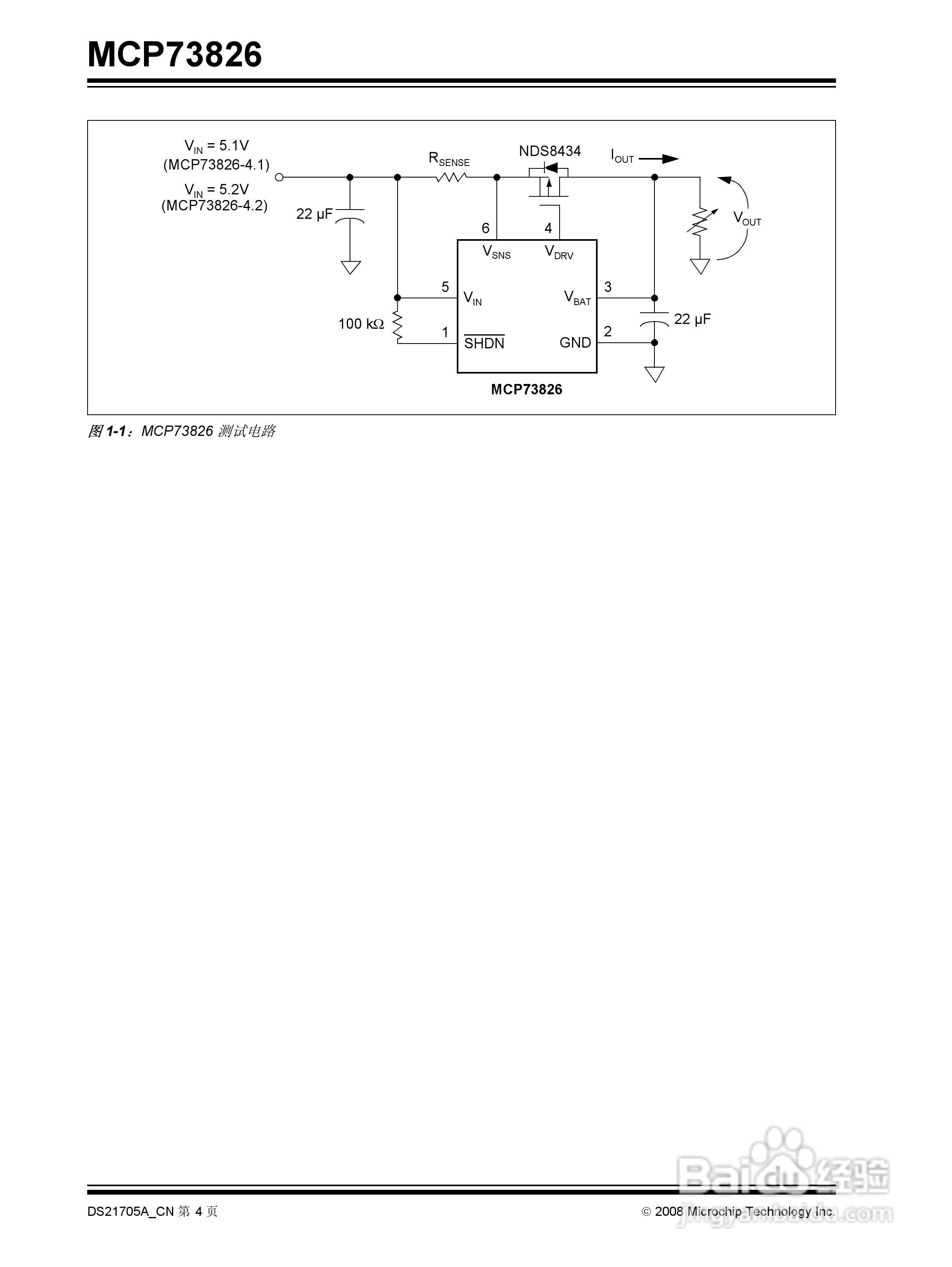
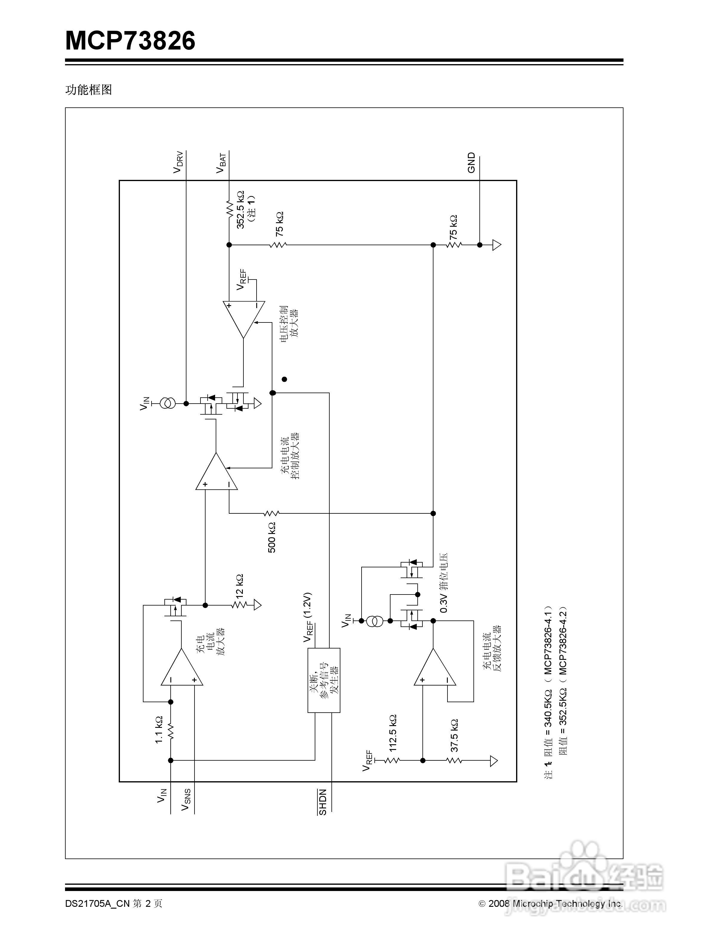
MCP73826 单节锂离子电池线性充电管理控制器使用说明:[1]
2026-05-11 03:56:45
本篇为《MCP73826 单节锂离子电池线性充电管理控制器使用说明》,主要介绍该产品的使用方法以及常见故障解决方案。
(共篇)
下一篇:
声明:
本网站引用、摘录或转载内容仅供网站访问者交流或参考,不代表本站立场,如存在版权或非法内容,请联系站长删除,联系邮箱:site.kefu@qq.com。
相关推荐
MCP73826 单节锂离子电池线性充电管理控制器使用说明:[2]
阅读量:29
Microchip MCP73853/55充电管理控制器说明书:[1]
阅读量:107
Microchip MCP73853/55充电管理控制器说明书:[2]
阅读量:109
MICROCHIP MCP73833/4独立线性锂离子/锂聚合物电池充:[1]
阅读量:47
锂离子电池组起火的常用解决办法
阅读量:98
猜你喜欢
震耳欲聋的意思
既生瑜何生亮是什么意思
燕窝的作用与功效
kind是什么意思
杜仲的作用与功效
鸟鸣涧描写了什么景物
形同陌路什么意思
举一反三的意思
落花有意流水无情什么意思
abstract什么意思
猜你喜欢
鄙视的意思
鞠躬尽瘁死而后已的意思
dark是什么意思
天门冬的功效与作用
奋发图强的意思
窦性心动过速是什么意思
什么是报告文学
什么是登革热
郭敬明为什么叫小四
目睹的意思