小度生活
首页
美食营养
手工爱好
生活家居
返回
小度生活
首页
美食营养
游戏数码
手工爱好
生活家居
健康养生
运动户外
职场理财
情感交际
母婴教育
时尚美容
知识问答
生活知识
生活百科
搜索
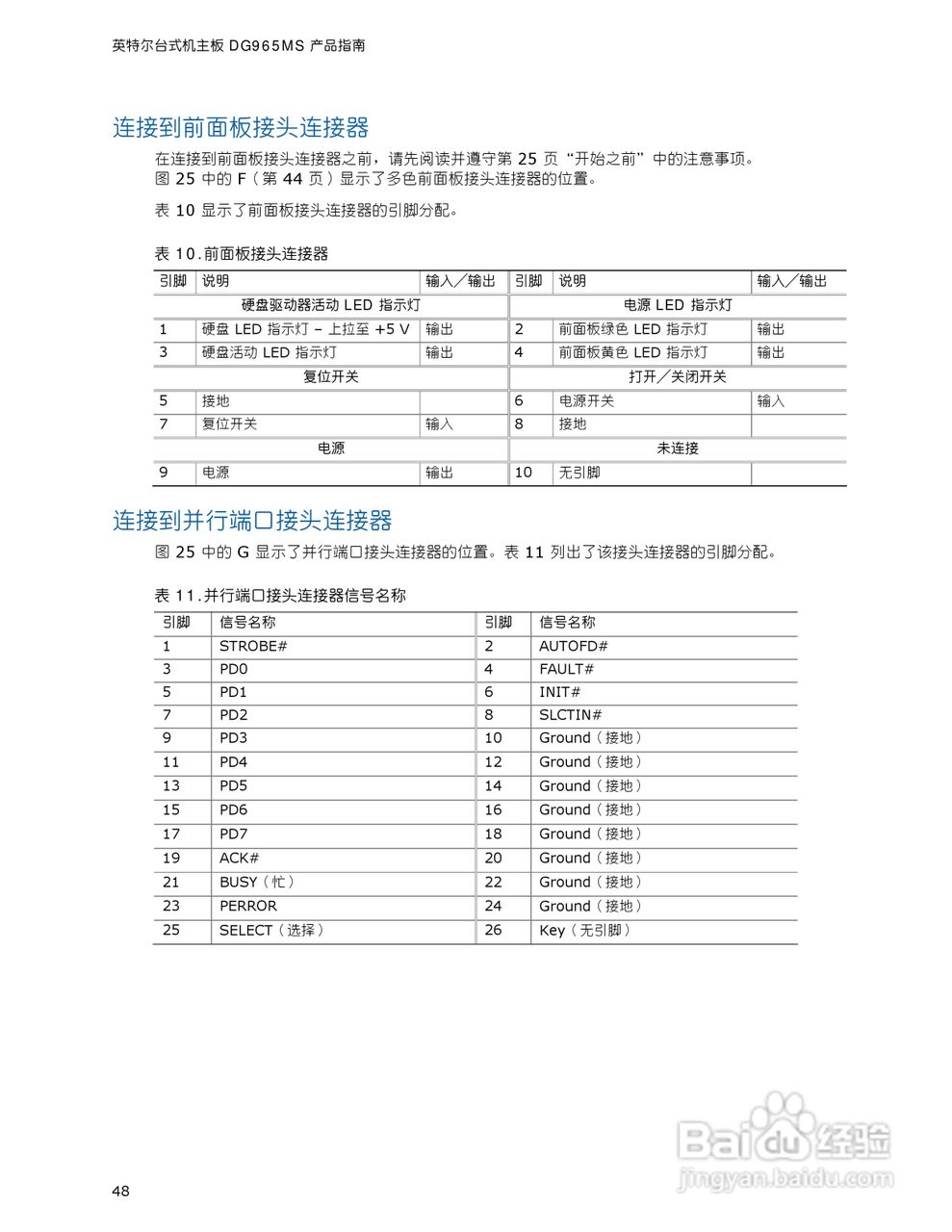
英特尔DG965MS型主板说明书:[5]
2026-04-08 18:32:18
本篇为《英特尔DG965MS型主板说明书》,主要介绍该产品的使用方法以及常见故障解决方案。
(共篇)
上一篇:
|
下一篇:
声明:
本网站引用、摘录或转载内容仅供网站访问者交流或参考,不代表本站立场,如存在版权或非法内容,请联系站长删除,联系邮箱:site.kefu@qq.com。
相关推荐
英特尔DG965MS型主板说明书:[6]
阅读量:103
英特尔DG31GL型主板说明书:[5]
阅读量:191
英特尔DG33TL型主板说明书:[5]
阅读量:180
英特尔DG33TL型主板说明书:[4]
阅读量:103
英特尔DG33TL型主板说明书:[3]
阅读量:98
猜你喜欢
guess什么意思
兹是什么意思
梦见羊是什么意思
同质化是什么意思
户籍性质是什么
ppr是什么材料
服务密码是什么
邓丽君是什么而死的
碳酸钙是什么
萝卜丁口红什么牌子
猜你喜欢
音序是什么
如果你有空陪我过个冬是什么歌
v是什么意思
什么是成功
感染hpv有什么症状
中央空调是什么意思
蜻蜓点水是什么意思
3月5日是什么星座
什么诛笔伐
秦始皇姓什么