小度生活
首页
美食营养
手工爱好
生活家居
返回
小度生活
首页
美食营养
游戏数码
手工爱好
生活家居
健康养生
运动户外
职场理财
情感交际
母婴教育
时尚美容
知识问答
生活知识
生活百科
搜索
同扬cj8100无纸记录仪说明书:[1]
2026-05-11 01:38:55
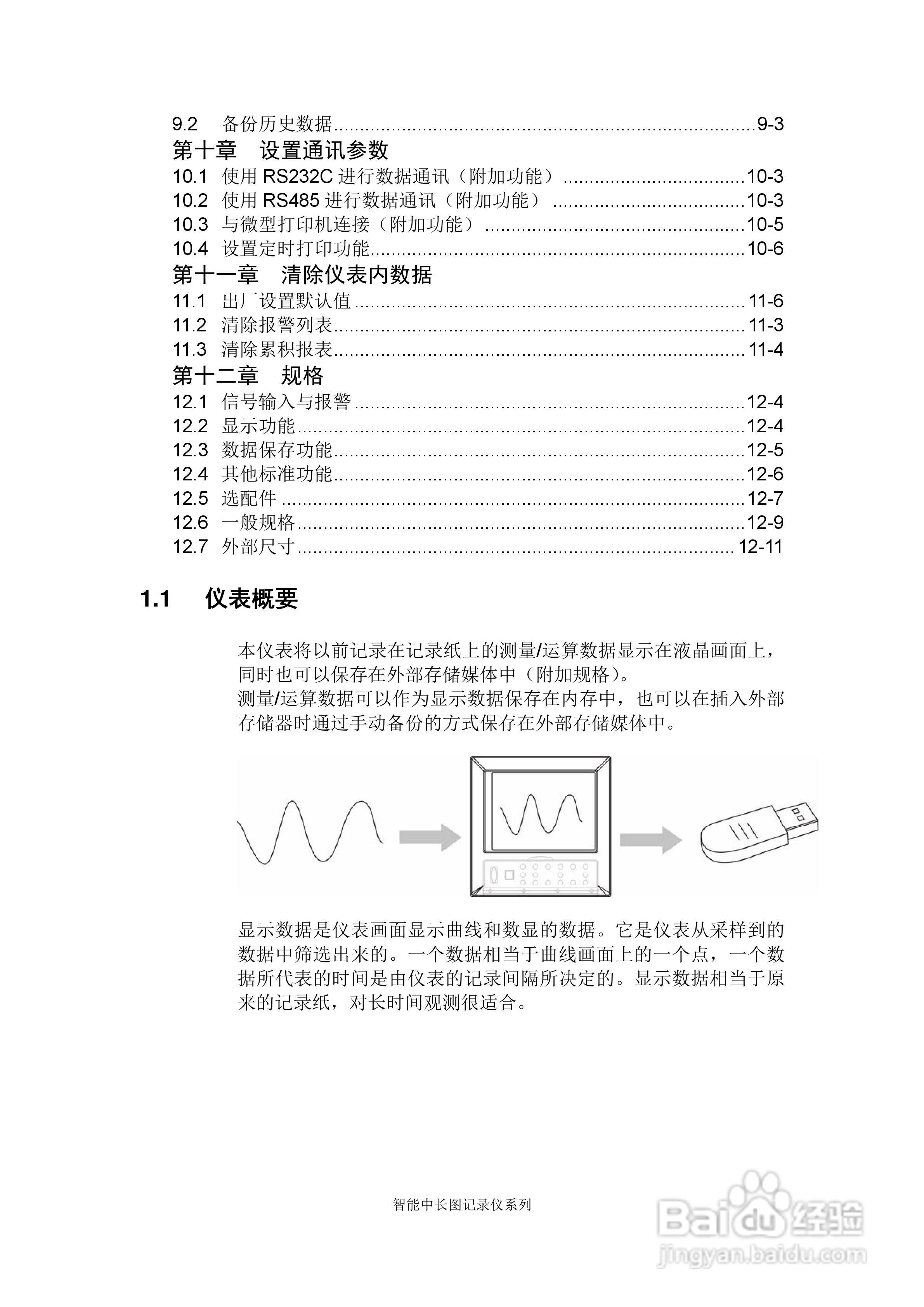
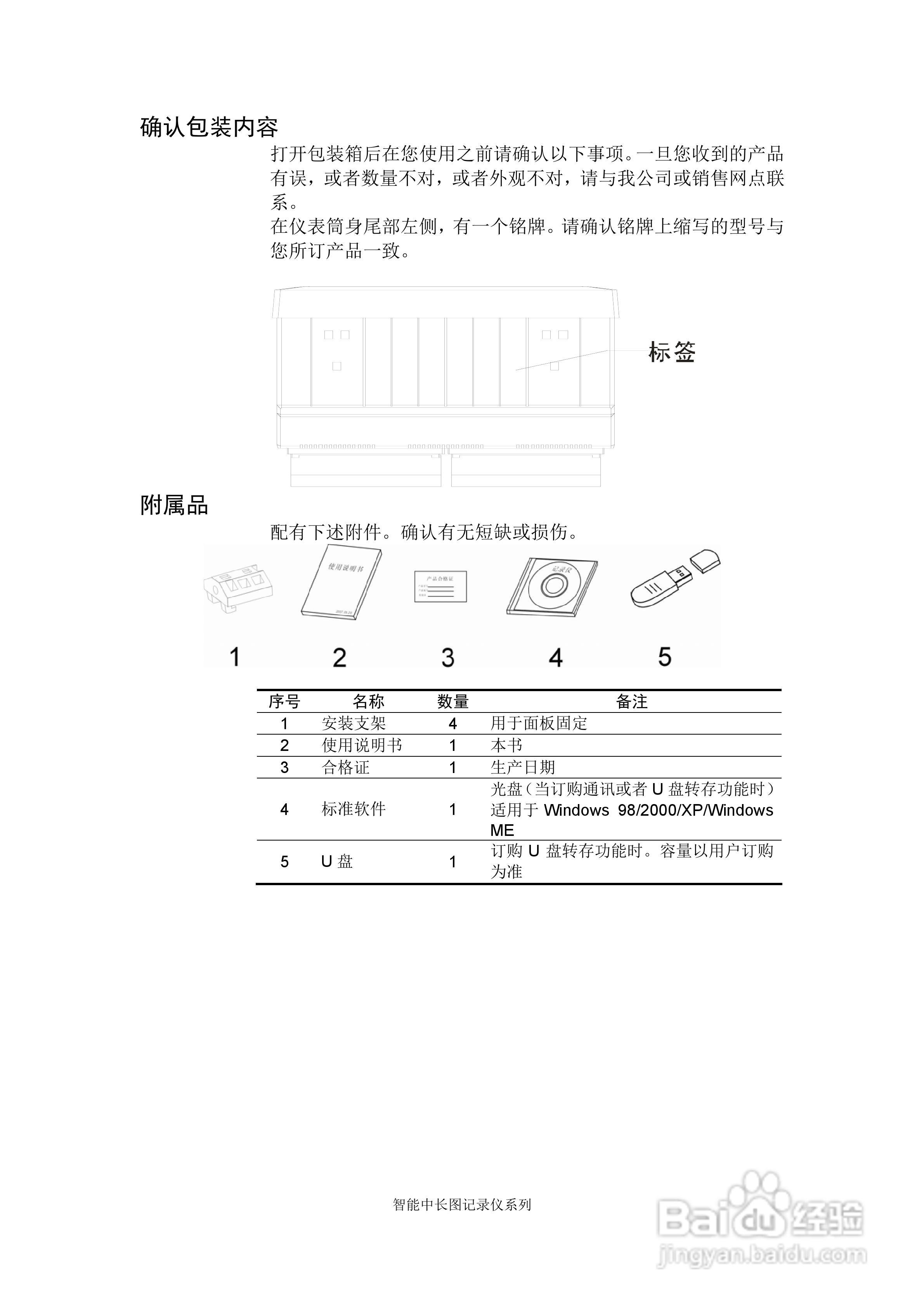
本篇为《同扬cj8100无纸记录仪说明书》,主要介绍该产品的使用方法以及常见故障解决方案。
(共篇)
下一篇:
声明:
本网站引用、摘录或转载内容仅供网站访问者交流或参考,不代表本站立场,如存在版权或非法内容,请联系站长删除,联系邮箱:site.kefu@qq.com。
相关推荐
同扬cj8100无纸记录仪说明书:[11]
阅读量:165
同扬CJ4100无纸记录仪说明书:[1]
阅读量:87
同扬cj1100有纸记录仪说明书:[1]
阅读量:48
同扬CJ4100无纸记录仪说明书:[3]
阅读量:120
同扬cj1100有纸记录仪说明书:[2]
阅读量:135
猜你喜欢
rayon是什么面料
原来你什么都不想要
墨绿色配什么颜色好看
天王山之战是什么意思
around是什么意思
sync是什么意思
身份证最后一位是x是什么意思
抓手是什么意思
meat是什么意思
孕吐什么时候开始
猜你喜欢
卖萌是什么意思
体裁是什么意思
什么的老师
婚姻是什么
依波路手表什么档次
济南有什么好玩的地方景点推荐
杀猪盘是什么意思
一目十行是什么生肖
pear是什么意思
12月19日是什么星座