小度生活
首页
美食营养
手工爱好
生活家居
返回
小度生活
首页
美食营养
游戏数码
手工爱好
生活家居
健康养生
运动户外
职场理财
情感交际
母婴教育
时尚美容
知识问答
生活知识
生活百科
搜索
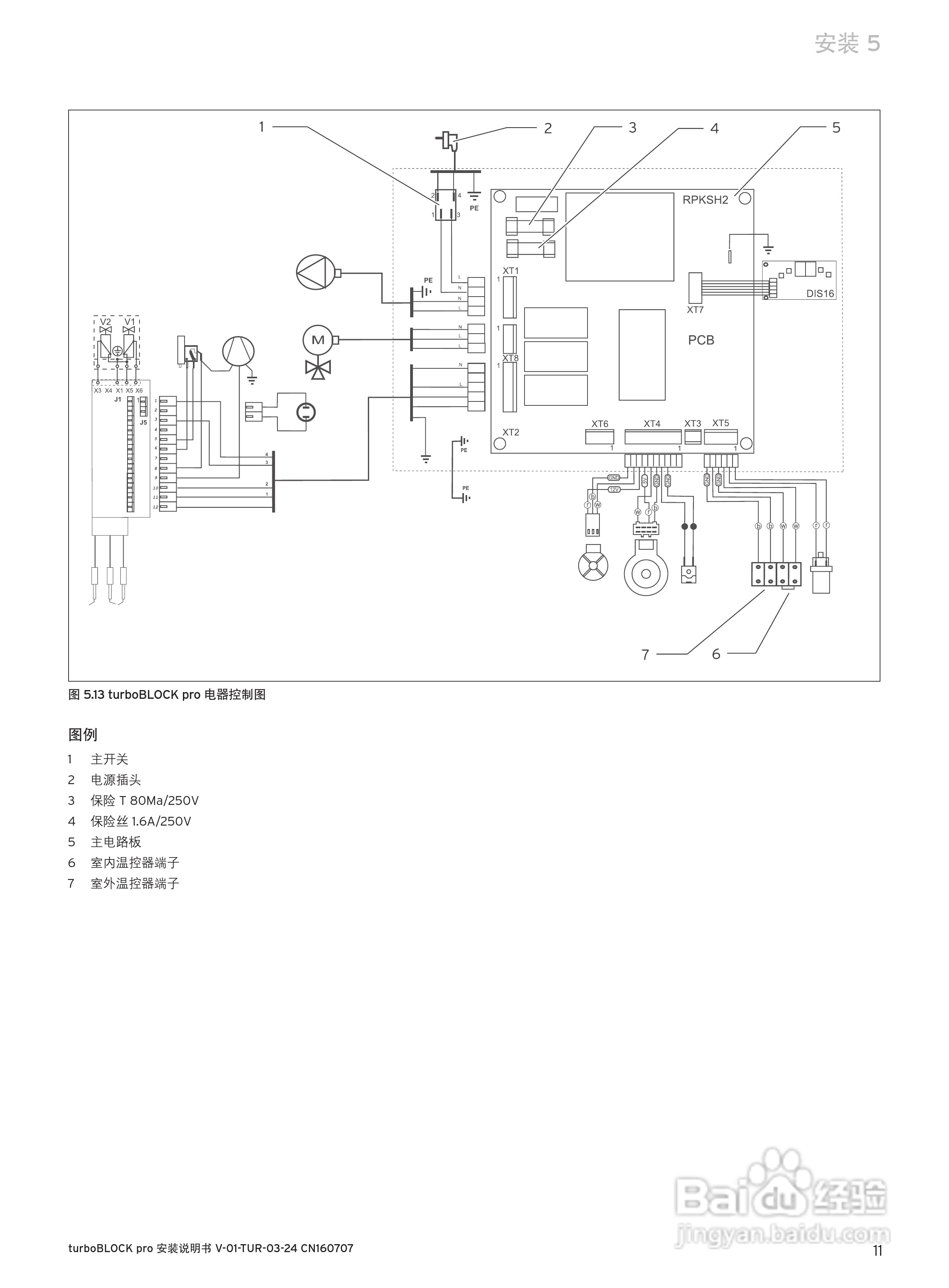
德国威能 JLG30 - VUW CN 282-C采暖/热水锅炉安装使用:[3]
2026-05-10 19:41:07
(共篇)
上一篇:
声明:
本网站引用、摘录或转载内容仅供网站访问者交流或参考,不代表本站立场,如存在版权或非法内容,请联系站长删除,联系邮箱:site.kefu@qq.com。
相关推荐
帝国OL新手必看赚钱攻略
阅读量:20
LOL英雄联盟探险家EZ最新符文出装攻略
阅读量:161
英雄联盟lol虚空遁地兽上单出装|雷克赛上单出装
阅读量:184
lol无限乱斗奶妈有多强?
阅读量:68
牛头人酋长技能加点攻略
阅读量:95
猜你喜欢
心悸是怎么回事
轮胎花纹型号怎么看
考研数学怎么复习
神舟电脑怎么样
自动挡车怎么开省油
苹果怎么备份通讯录
四叶草怎么折
水肿是怎么回事
牙齿黄了怎么变白
秘密用英语怎么说
猜你喜欢
怎么更换苹果id账号
我的世界天堂之门怎么做
佰草集面膜怎么样
口罩怎么做
excel筛选怎么用
鼠标侧键怎么设置
省略号怎么打出来
怎么保护地球
捷达怎么样
三年级日记怎么写