小度生活
首页
美食营养
手工爱好
生活家居
返回
小度生活
首页
美食营养
游戏数码
手工爱好
生活家居
健康养生
运动户外
职场理财
情感交际
母婴教育
时尚美容
知识问答
生活知识
生活百科
搜索
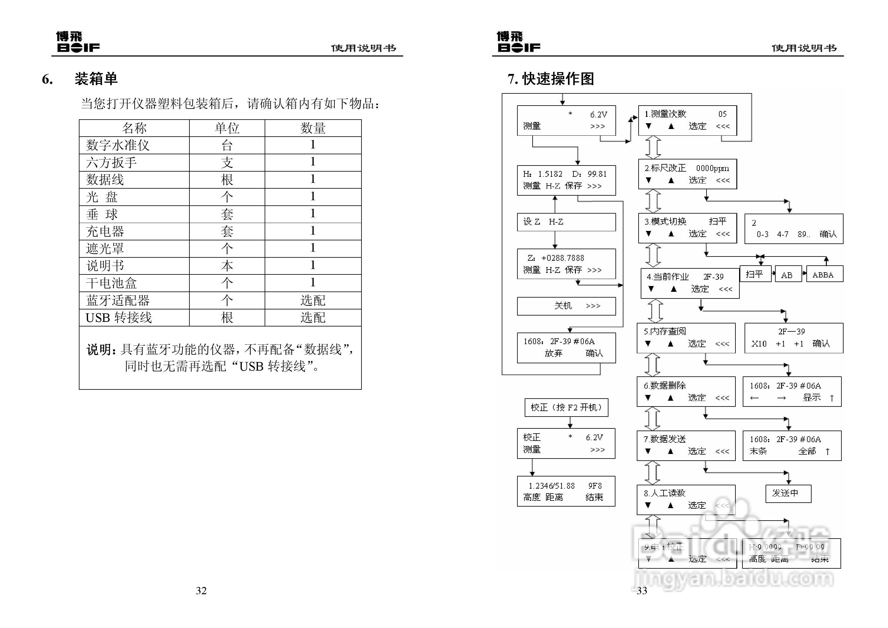
DAL0732数字水准仪使用说明书
2026-05-14 03:28:32
声明:
本网站引用、摘录或转载内容仅供网站访问者交流或参考,不代表本站立场,如存在版权或非法内容,请联系站长删除,联系邮箱:site.kefu@qq.com。
相关推荐
怎么自制金屋藏宝
阅读量:167
冷水机载冷剂选择时应该考虑的五大因素
阅读量:185
办公楼装修设计的三大要点
阅读量:119
减速机有哪些精度要求
阅读量:109
岩墙宽度大于22m分离式隧道4级围岩深埋段施工
阅读量:105
猜你喜欢
次奥是什么意思
clothes的意思
农村种植什么能致富
锐不可当是什么意思
门铃什么牌子好
直辖市有什么好处
beef是什么意思
沁园春雪意思
血压高的人喝什么茶好
命犯桃花什么意思
猜你喜欢
意兴阑珊的意思
anti是什么意思
index是什么意思
放荡不羁是什么意思
decade什么意思
送香水代表什么
神采奕奕是什么意思
云淡风轻是什么意思
seem是什么意思
念念有词是什么意思