判断串并联电路的几种方法
1、从电源正极开始,沿着连通的导线依次用箭头标出电流的路径,最后回到电源负极,观察电流是否有分流和汇流点:
若电路中电流只有一条路径,则各元件串联(如图1所示);
若电路中有分流点和汇流点即电流的流向大于一条路径,则分流点和汇流点之间的各元件并联(如图2所示);

1、去掉任意一个用电器,
若另一个用电器不能工作,则这两个用电器串联(如图3所示);
若另一个用电器不受影响仍然工作,则这两个用电器是并联的(如图4所示);

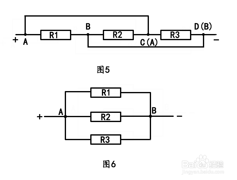
1、第一步标节点。分别用不同的字母标出电路所有节点。如图5所示电路,其中A、B、C、D四点为电路中所有节点。
第二步合并节点。根据节点的特点,标出的某几个节点有可能等效为同一节点,那么必须将同一节点的字母,改为同一字母。
如图5所示电路中点A与点C为同一节点,应改C为A,点B与点D为同一节点,应将D改写为B,也就是说图5所示电路实质上有两个节点A和B。
第三步判断电路的连接方式。
判断的方法通常有两种:
第一种:直接判断;如图5所示,电阻R1、R2和R3两端都独立连接在节点A和B上,所以R1、R2和R3并联。
第二种:画图判断;画出原图的直观等效电路图,其中图5电路图的直观等效电路图如图6所示,所以R1、R2和R3是并联。

声明:本网站引用、摘录或转载内容仅供网站访问者交流或参考,不代表本站立场,如存在版权或非法内容,请联系站长删除,联系邮箱:site.kefu@qq.com。