小度生活
首页
美食营养
手工爱好
生活家居
返回
小度生活
首页
美食营养
游戏数码
手工爱好
生活家居
健康养生
运动户外
职场理财
情感交际
母婴教育
时尚美容
知识问答
生活知识
生活百科
搜索
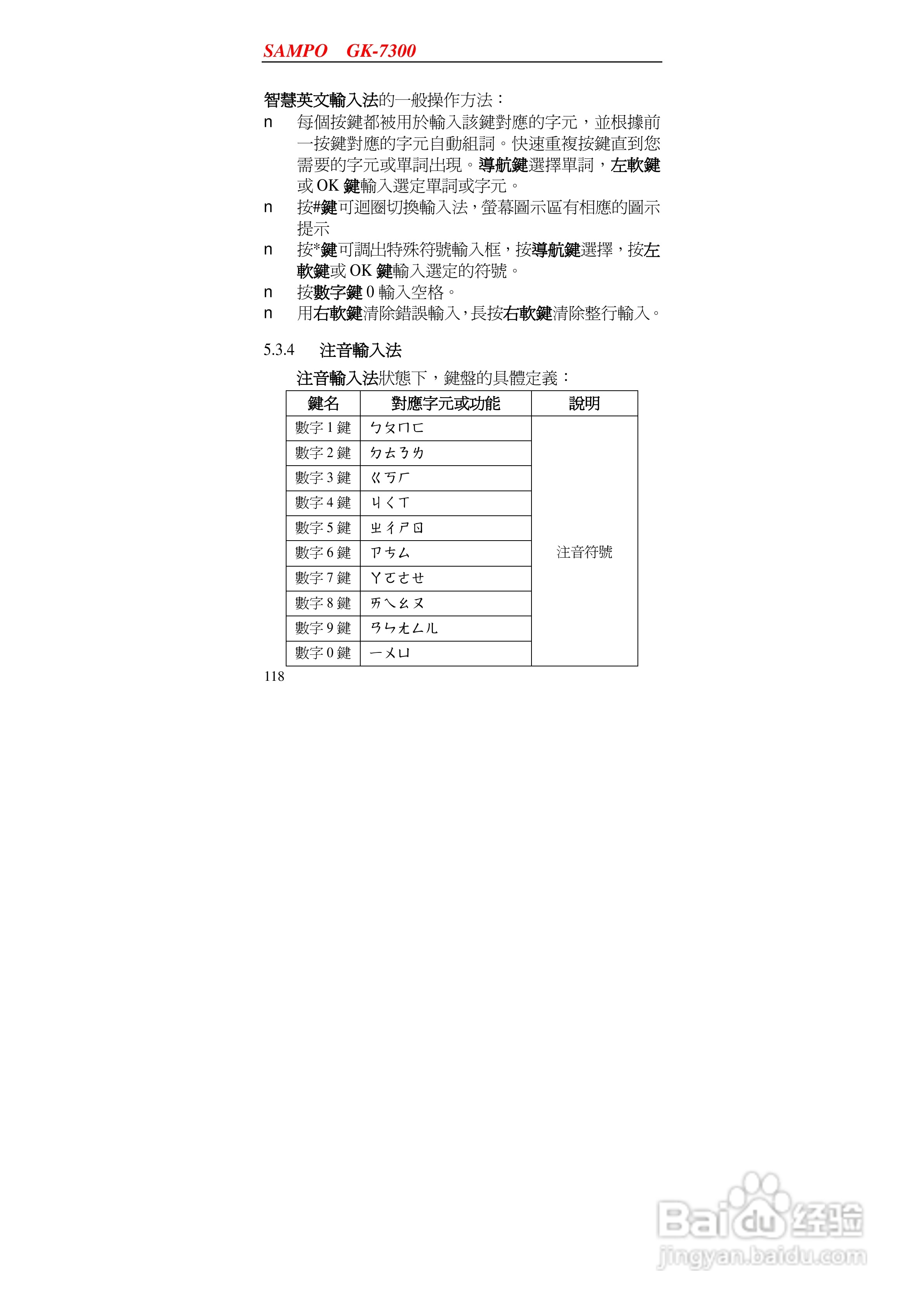
声宝GK-7300型手机说明书:[12]
2026-04-24 21:50:16
(共篇)
上一篇:
|
下一篇:
声明:
本网站引用、摘录或转载内容仅供网站访问者交流或参考,不代表本站立场,如存在版权或非法内容,请联系站长删除,联系邮箱:site.kefu@qq.com。
相关推荐
声宝GK-7300型手机说明书:[11]
阅读量:142
声宝GK-7300型手机说明书:[5]
阅读量:156
手机6g和8g的区别
阅读量:114
手机如何查看已连接wifi的密码
阅读量:22
手机如何登陆网页电脑版淘宝
阅读量:190
猜你喜欢
生日祝福语英语
资深的意思
情调是什么意思
养小鬼是什么意思
情趣用品什么品牌好
人寿年丰是什么意思
考试祝福语简短
什么是打印机
gnn是什么意思
sufficient什么意思
猜你喜欢
移动端是什么意思
巫婆的意思
魔兽电影什么时候上映
潸潸的意思
raw是什么意思
什么系统好用
管中窥豹的意思
自由职业者是什么意思
中山狼比喻什么人
不亦说乎的意思