小度生活
首页
美食营养
手工爱好
生活家居
返回
小度生活
首页
美食营养
游戏数码
手工爱好
生活家居
健康养生
运动户外
职场理财
情感交际
母婴教育
时尚美容
知识问答
生活知识
搜索
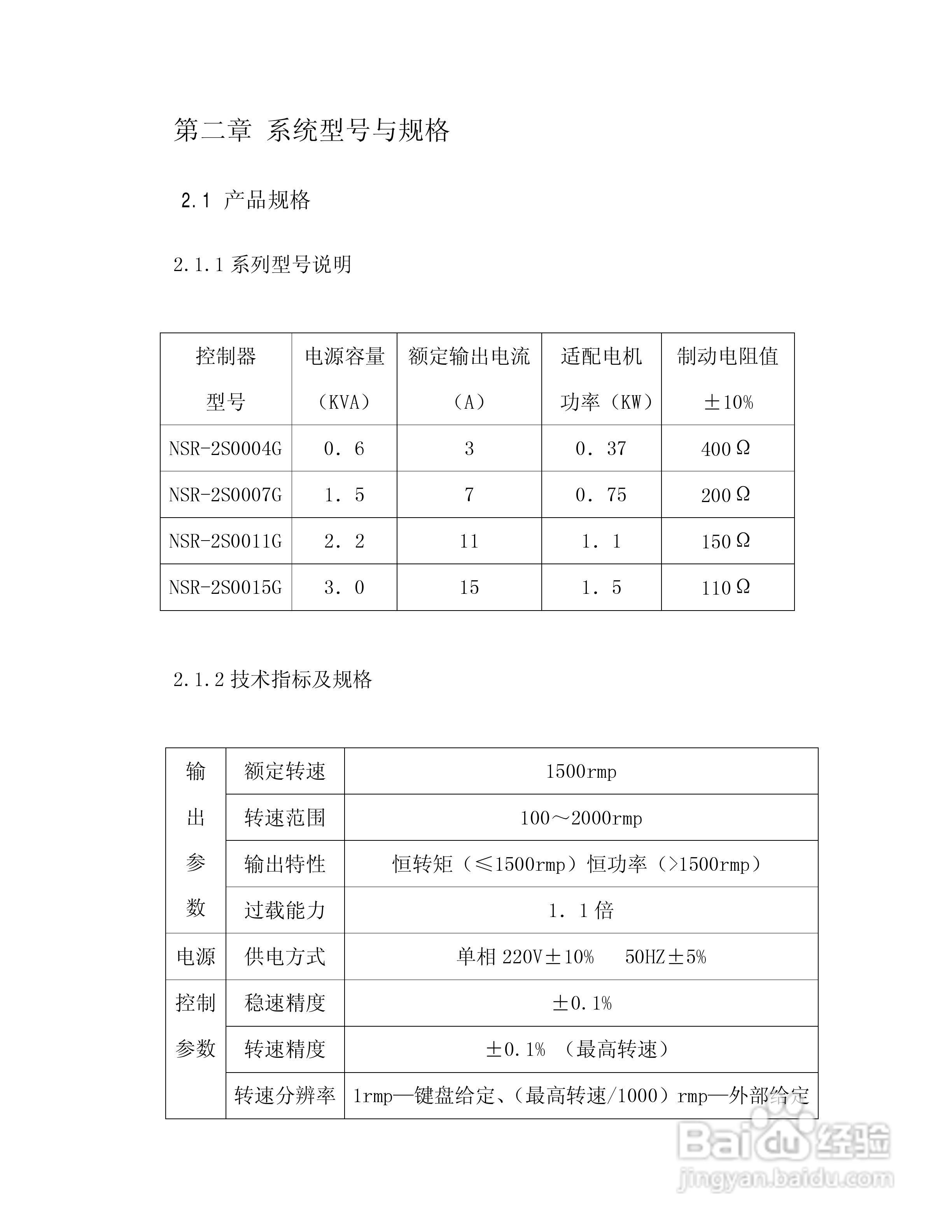
NSR/G系列开关磁阻调速控制器使用手册:[1]
2026-02-19 16:49:27
本篇为《NSR/G系列开关磁阻调速控制器使用手册》,主要介绍该产品的使用方法以及常见故障解决方案。
(共篇)
下一篇:
声明:
本网站引用、摘录或转载内容仅供网站访问者交流或参考,不代表本站立场,如存在版权或非法内容,请联系站长删除,联系邮箱:site.kefu@qq.com。
相关推荐
cad的绘图教程之修改命令:[9]拉伸
阅读量:116
激光切割机如何保养
阅读量:162
擦窗机器人有什么好处呢?
阅读量:98
女人的悲哀 女人要对自己好一点
阅读量:161
CCD检测机如何选购
阅读量:67
猜你喜欢
led灯是什么意思
什么是挂号信
8月15是什么节日
什么牌子空调好
vegetable是什么意思
xd股票是什么意思
beanpole是什么牌子
平仓什么意思
脑炎有什么症状
什么是借贷记账法
猜你喜欢
含维生素d的食物
css是什么
办理护照需要什么
sj什么意思
诠释什么意思
杯水车薪什么意思
苏州有什么好玩的
happy birthday是什么意思
nbr是什么材料
成人教育是什么