小度生活
首页
美食营养
手工爱好
生活家居
返回
小度生活
首页
美食营养
游戏数码
手工爱好
生活家居
健康养生
运动户外
职场理财
情感交际
母婴教育
时尚美容
搜索
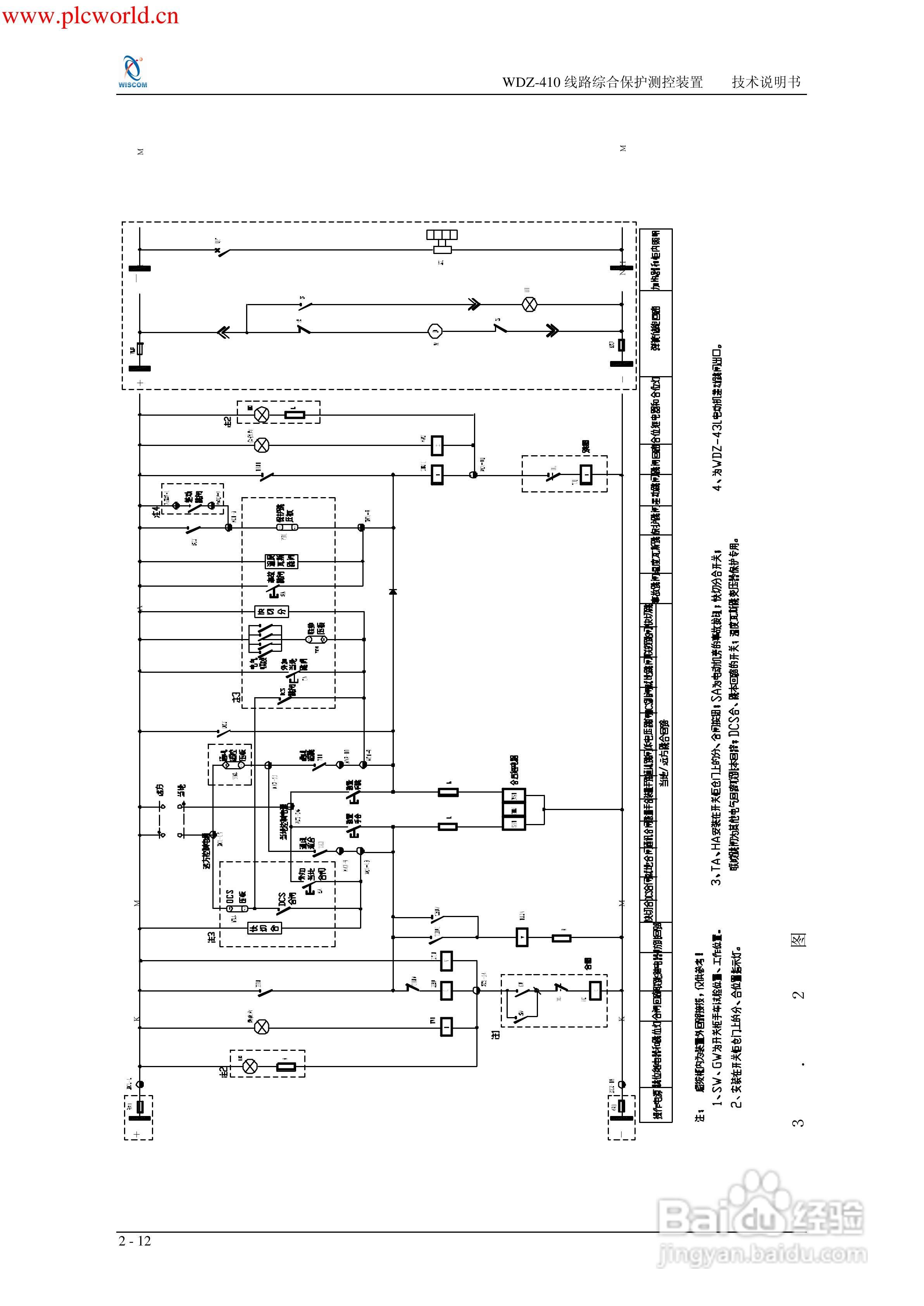
WDZ-491电压互感器保护测控装置说明书:[3]
2025-10-26 06:23:56
本篇为《WDZ-491电压互感器保护测控装置说明书》,主要介绍该产品的使用方法以及常见故障解决方案。
(共篇)
上一篇:
|
下一篇:
声明:
本网站引用、摘录或转载内容仅供网站访问者交流或参考,不代表本站立场,如存在版权或非法内容,请联系站长删除,联系邮箱:site.kefu@qq.com。
相关推荐
超细磨粉雷蒙磨的使用方法
阅读量:70
少儿保险如何投保
阅读量:74
浅谈空气源热泵在冬季采暖系统中的应用
阅读量:186
惠而浦AKZ677/IX内置式电焗炉用户手册
阅读量:81
淘宝首页打不开,但访问其他的网站没事儿
阅读量:147
猜你喜欢
孕妇应该多吃什么
悬梁刺股的意思
7万左右买什么车好
婴儿补钙什么牌子好
666是什么意思
march是什么意思
hrbp是什么意思
650分能上什么大学
985211是什么意思
sc是什么意思
猜你喜欢
老婆生日送什么礼物好
body是什么意思
pvp是什么意思
scary是什么意思
chloe什么意思
洗礼是什么意思
我劝天公重抖擞不拘一格降人才的意思
黑木耳的作用
清闲的意思
什么将什么相