小度生活
首页
美食营养
手工爱好
生活家居
返回
小度生活
首页
美食营养
游戏数码
手工爱好
生活家居
健康养生
运动户外
职场理财
情感交际
母婴教育
时尚美容
知识问答
生活知识
生活百科
搜索
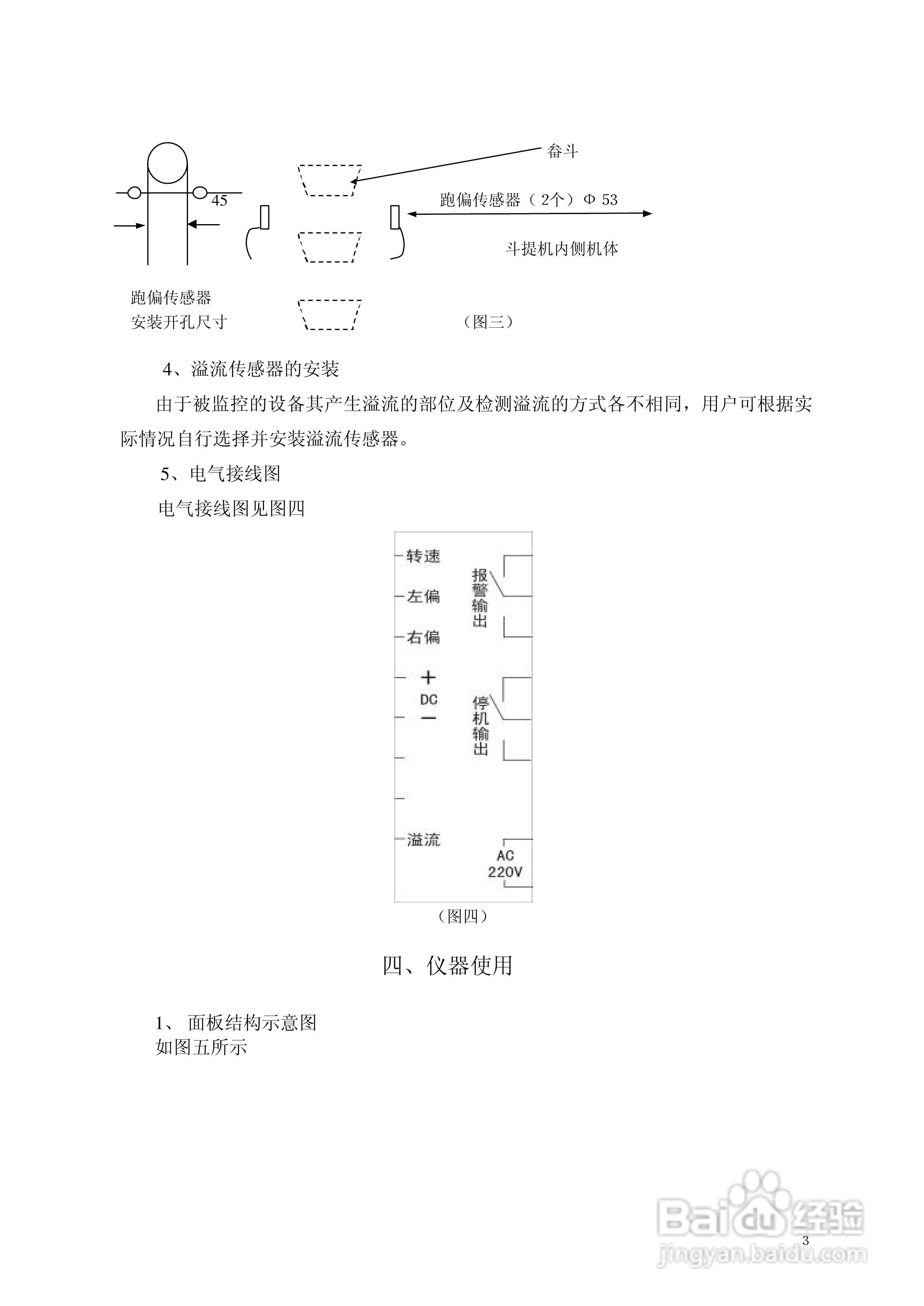
LZPJ-1 转速跑偏监控器说明书
2026-05-11 04:16:08
声明:
本网站引用、摘录或转载内容仅供网站访问者交流或参考,不代表本站立场,如存在版权或非法内容,请联系站长删除,联系邮箱:site.kefu@qq.com。
相关推荐
易语言-数组排序-数组操作
阅读量:66
Panasonic CF-82双屏电脑使用说明书:[2]
阅读量:175
dada英语怎样设置上课提醒?
阅读量:151
易语言教程之MySQL[3]执行SQL语句
阅读量:53
《帝国OL》之全宠物获取及简析攻略
阅读量:182
猜你喜欢
氯霉素眼药水的作用
什么是泡沫经济
铁树叶的功效与作用
病灶什么意思
固化剂的作用
运动会致词
大黄米的功效与作用
鸡屎藤的功效与作用
鹅不食草的功效与作用
红薯的功效与作用
猜你喜欢
食醋的作用
沉香木的功效与作用
幼儿教育知识大全
力不从心什么意思
艾条的功效与作用
性生活知识
石菖蒲的功效与作用
灰指甲什么症状
豆浆机什么牌子好
乳酸菌素片的作用