小度生活
首页
美食营养
手工爱好
生活家居
返回
小度生活
首页
美食营养
游戏数码
手工爱好
生活家居
健康养生
运动户外
职场理财
情感交际
母婴教育
时尚美容
知识问答
生活知识
搜索
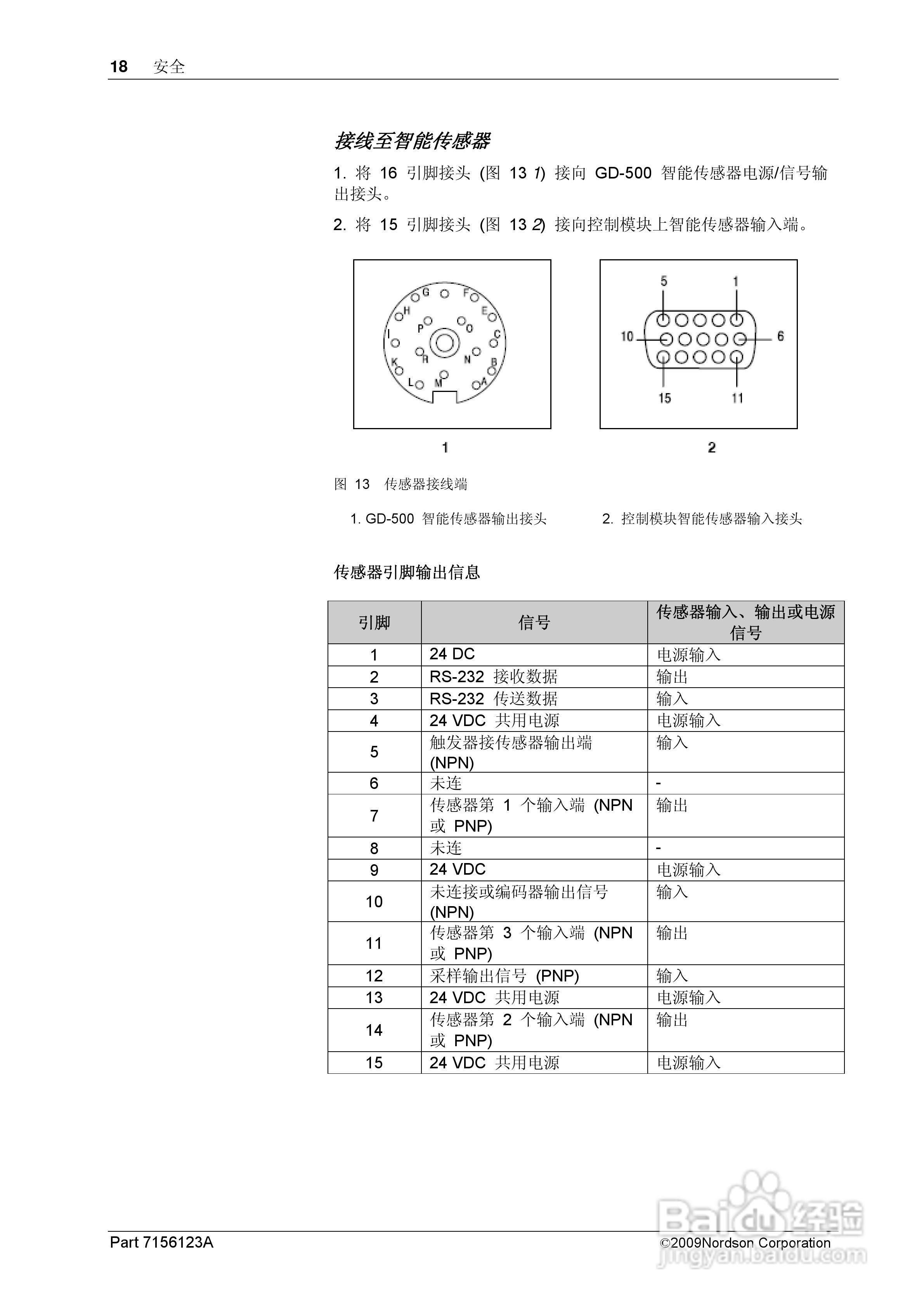
Nordson GD-500智能传感器使用手册:[3]
2026-02-01 06:04:33
本篇为《Nordson GD-500智能传感器使用手册》,主要介绍该产品的使用方法以及常见故障解决方案。
(共篇)
上一篇:
|
下一篇:
声明:
本网站引用、摘录或转载内容仅供网站访问者交流或参考,不代表本站立场,如存在版权或非法内容,请联系站长删除,联系邮箱:site.kefu@qq.com。
相关推荐
Nordson GD-500智能传感器使用手册:[1]
阅读量:30
Nordson GD-500智能传感器使用手册:[2]
阅读量:35
gd文件怎么打开
阅读量:37
gd格式文件怎么打开
阅读量:108
如何打开gd格式文件
阅读量:32
猜你喜欢
什么的世界
汽车水箱加什么水
pink是什么意思
乌托邦是什么意思
urban是什么舞种
核销是什么意思
悲观的反义词是什么
甲状腺挂什么科
腿酸是什么原因
境外是什么意思
猜你喜欢
两个维护是指什么内容
什么的果实
杨枝甘露是什么
大快朵颐是什么意思
女性尿血是什么原因
单证员是做什么的
胎儿什么时候入盆
吃榴莲有什么好处
伯乐是什么意思
bored是什么意思