小度生活
首页
美食营养
手工爱好
生活家居
返回
小度生活
首页
美食营养
游戏数码
手工爱好
生活家居
健康养生
运动户外
职场理财
情感交际
母婴教育
时尚美容
知识问答
生活知识
生活百科
搜索
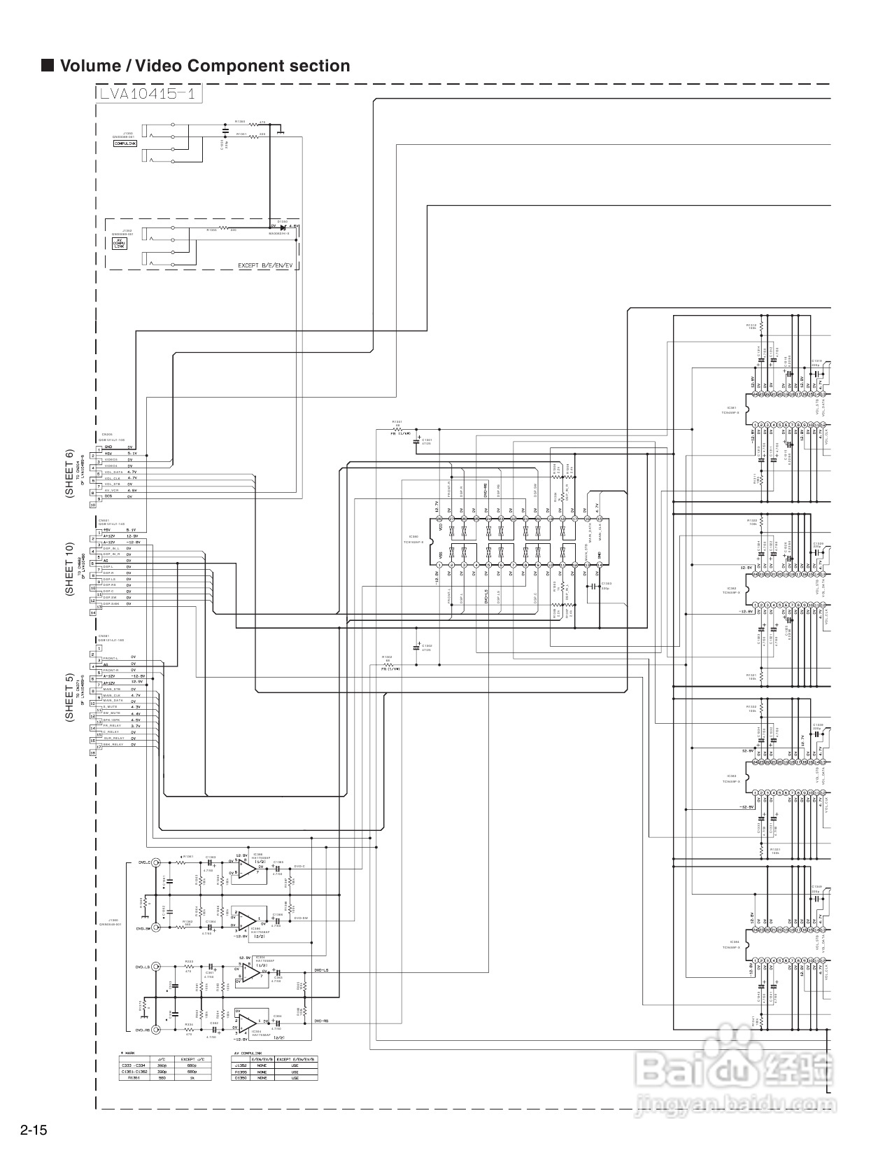
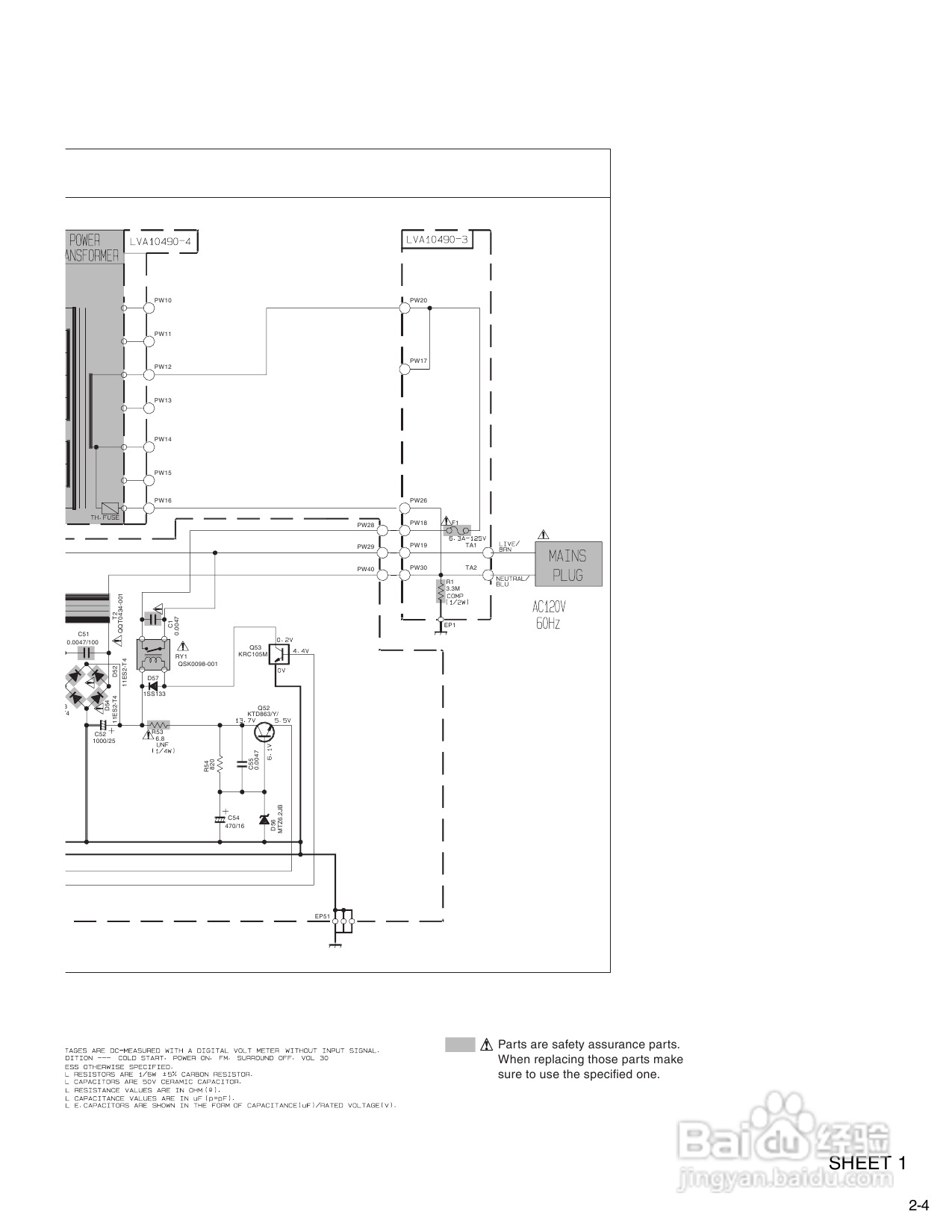
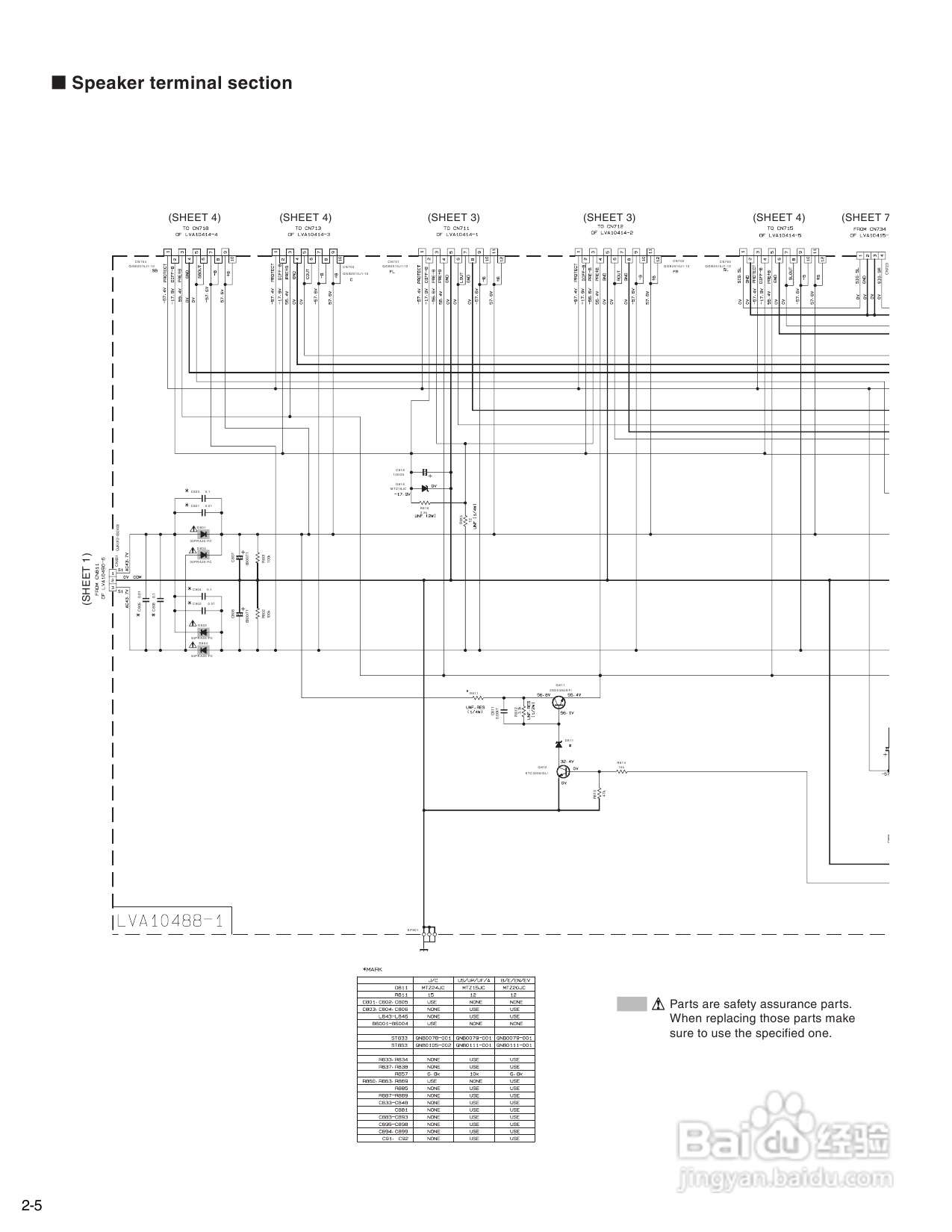
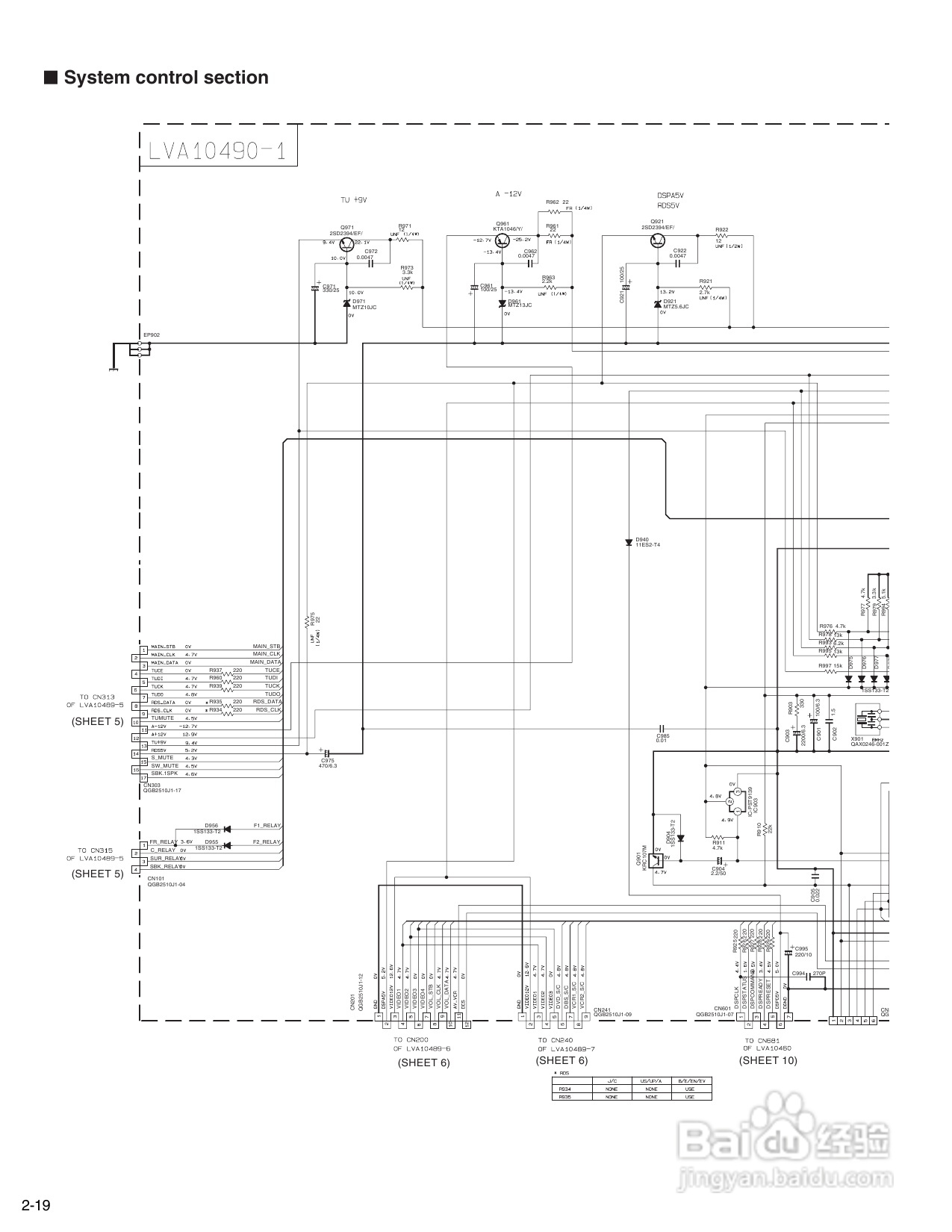
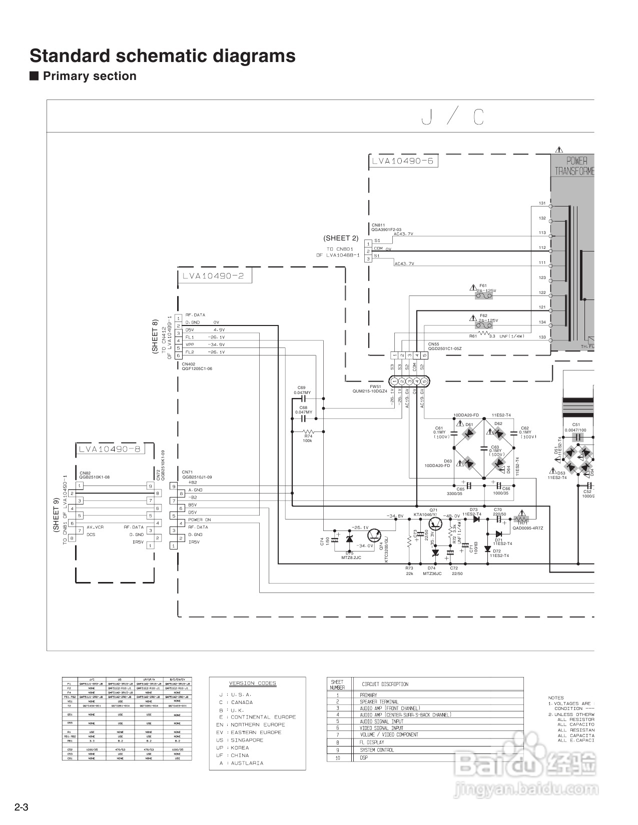
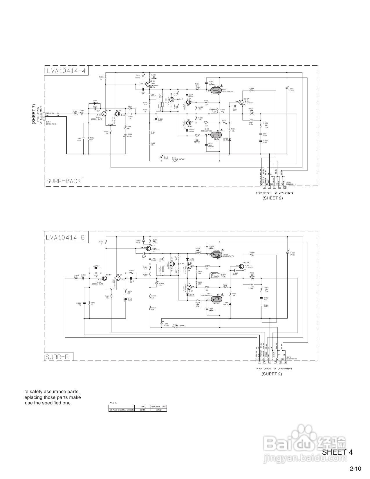
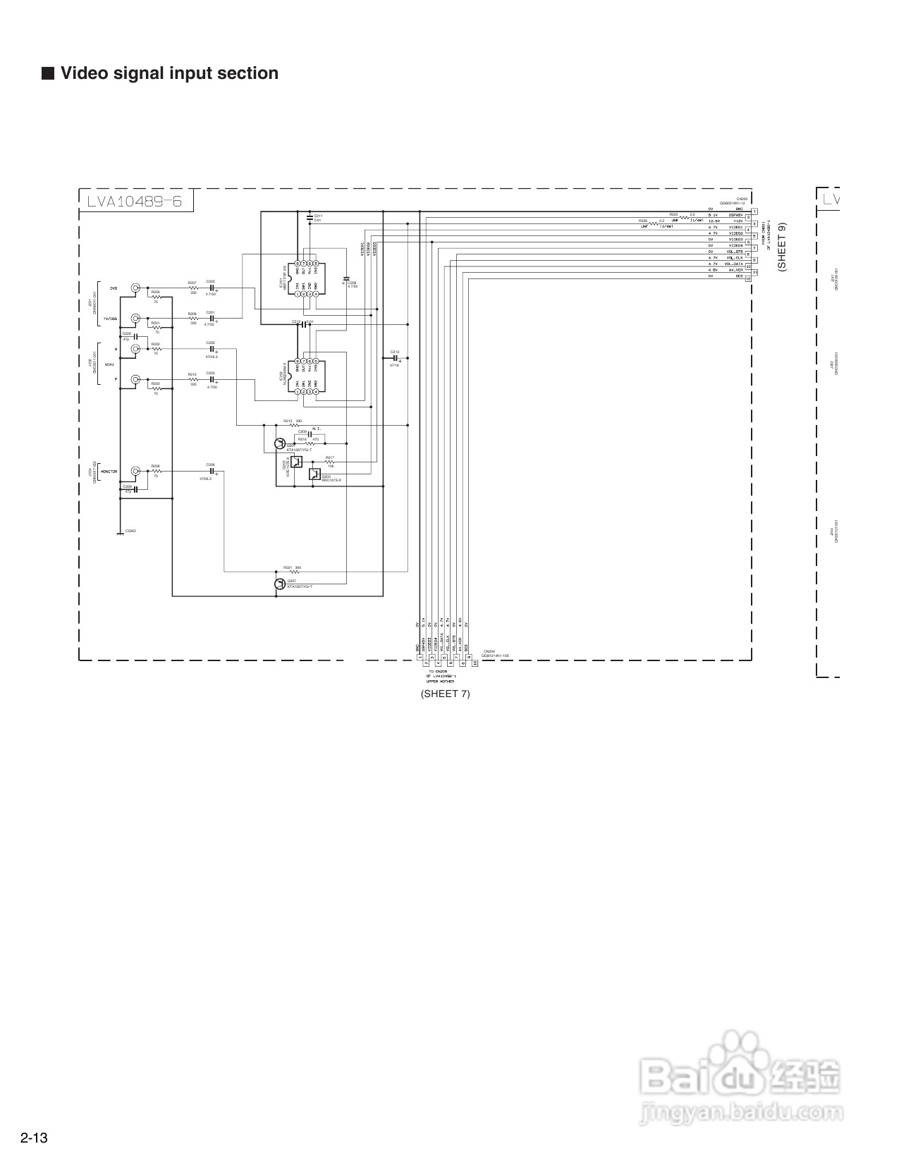
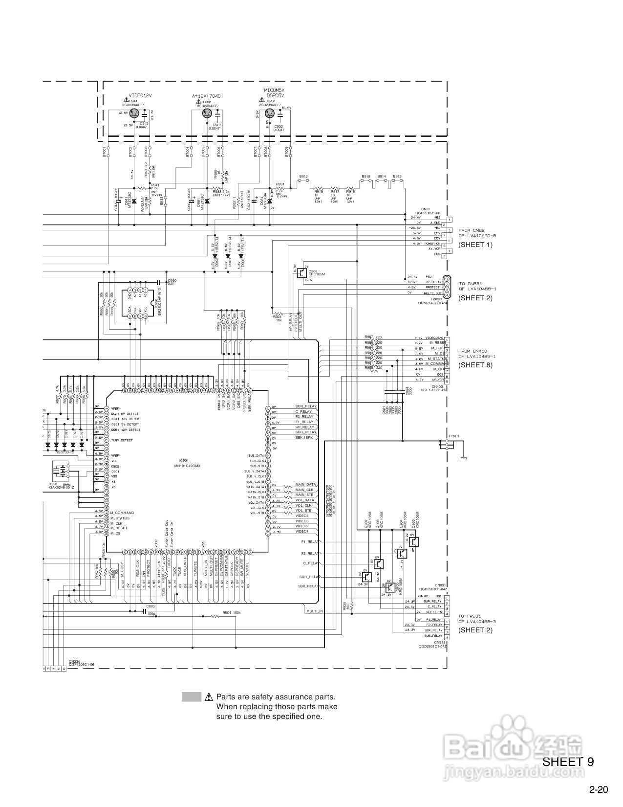
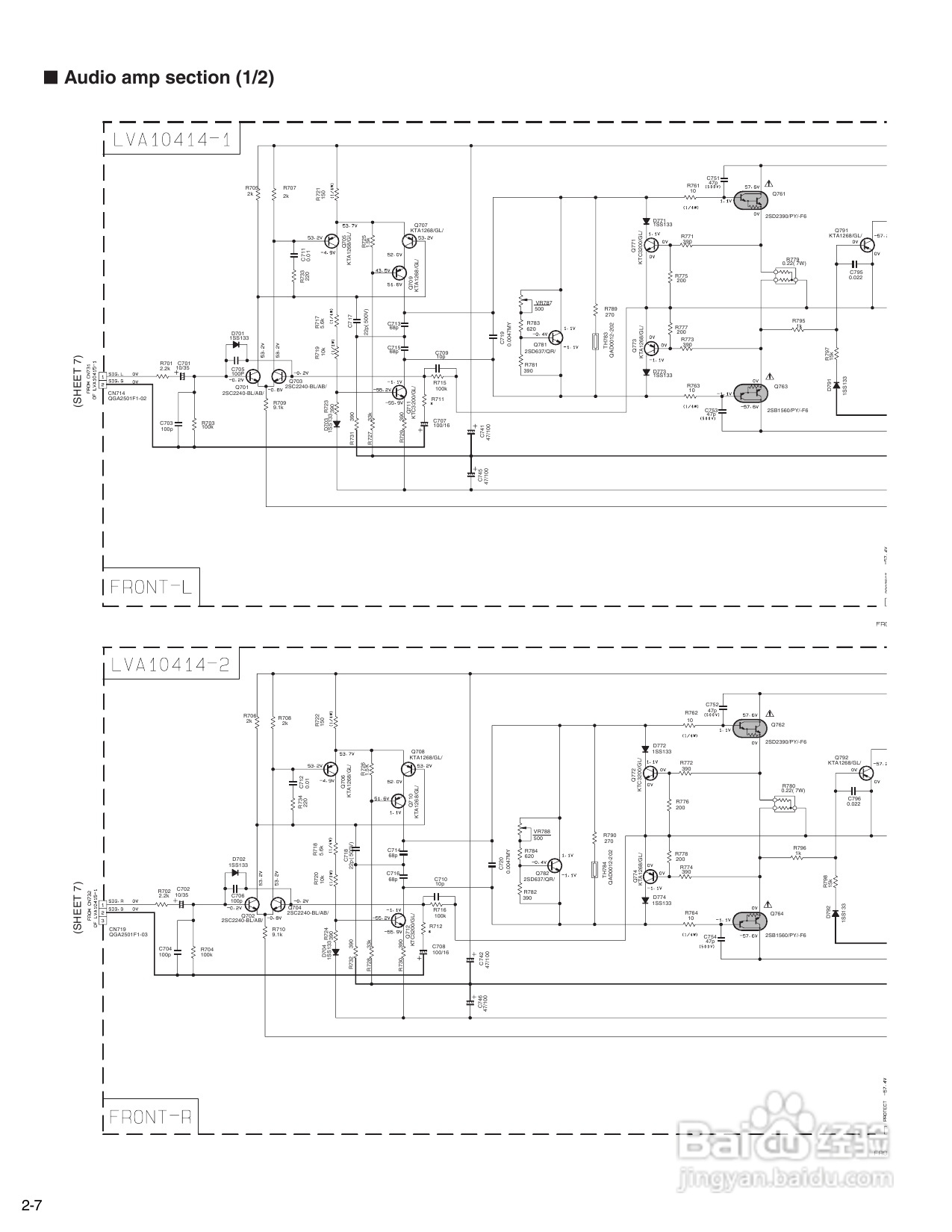
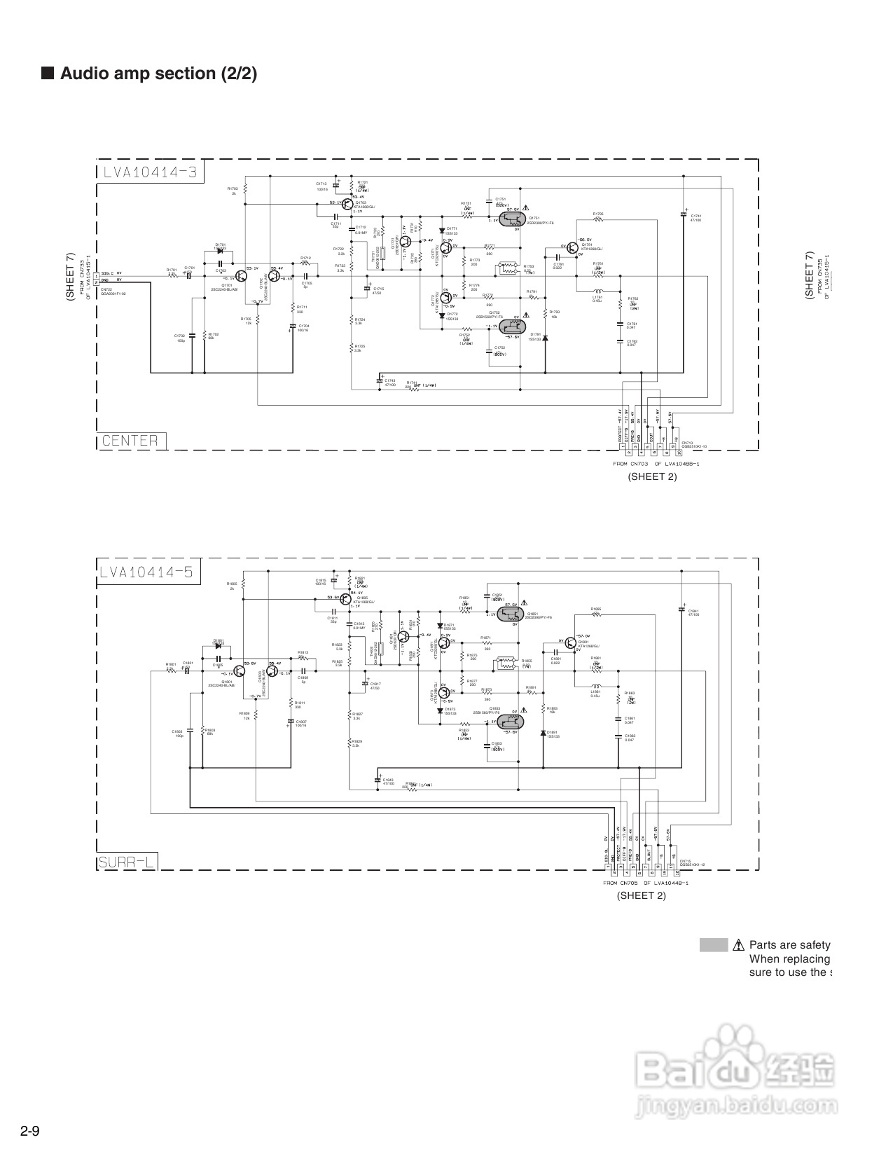
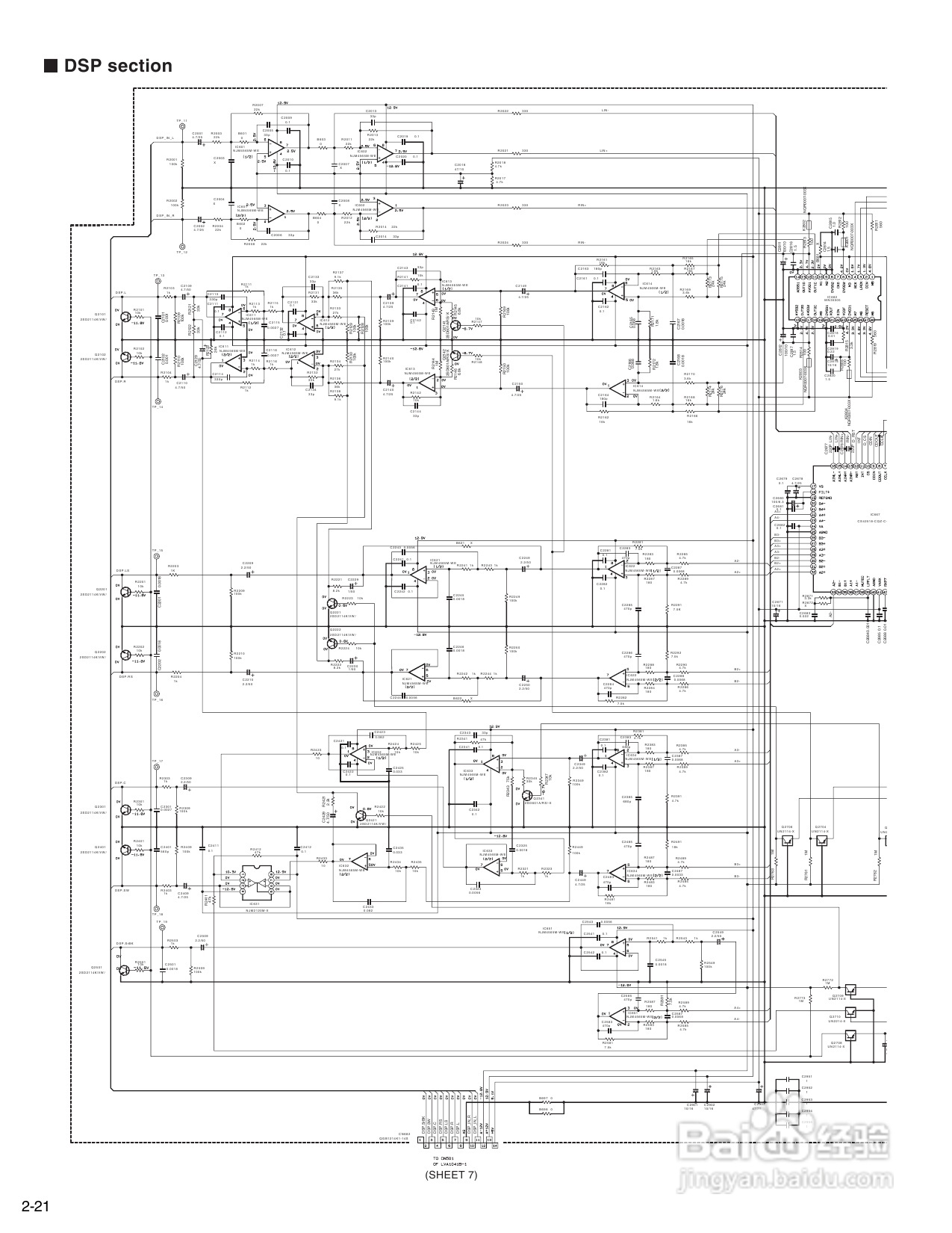
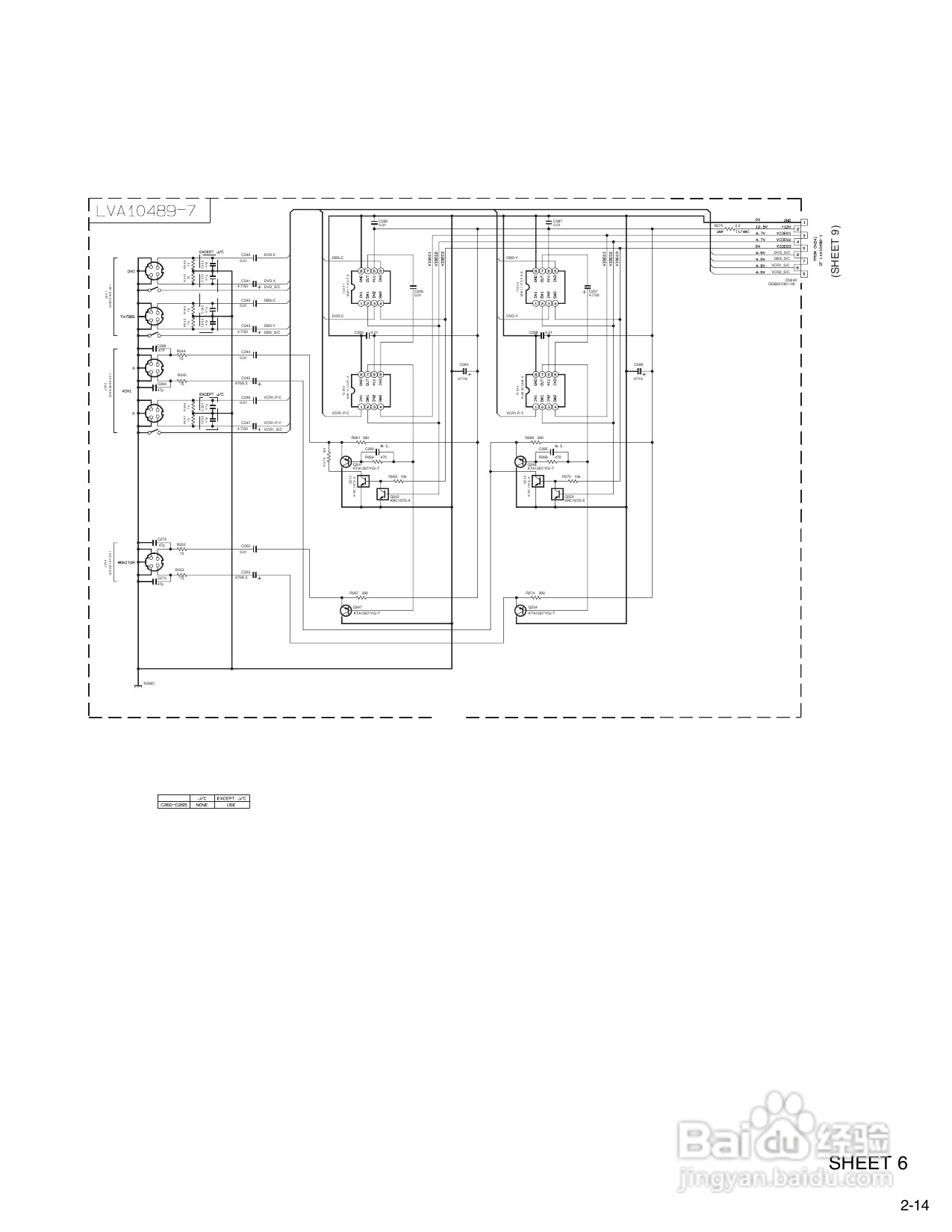
JVC RX-7040B音响使用手册:[2]
2026-03-29 14:21:10
(共篇)
上一篇:
|
下一篇:
声明:
本网站引用、摘录或转载内容仅供网站访问者交流或参考,不代表本站立场,如存在版权或非法内容,请联系站长删除,联系邮箱:site.kefu@qq.com。
相关推荐
JVC RX-7040B音响使用手册:[4]
阅读量:130
JVC GR-D240电池说明书:[2]
阅读量:181
JVC CA -V605T组合音响使用说明书:[2]
阅读量:186
JVC GR-DF565相机电池说明书:[2]
阅读量:146
JVC GR-D240电池说明书:[4]
阅读量:146
猜你喜欢
kiss是什么意思
human是什么意思
you是什么意思
状语是什么
睡觉说梦话是什么原因
胎神是什么意思
女性尿血是什么原因
city是什么意思
世界上最长的单词是什么
考二建需要什么条件
猜你喜欢
什么是会意字
什么是转述句
爻是什么意思
什么是道
税号是什么
什么时候是排卵期
什么才是真正的爱情
1974年属虎是什么命
闭关是什么意思
初心是什么意思