小度生活
首页
美食营养
手工爱好
生活家居
返回
小度生活
首页
美食营养
游戏数码
手工爱好
生活家居
健康养生
运动户外
职场理财
情感交际
母婴教育
时尚美容
知识问答
生活知识
生活百科
搜索
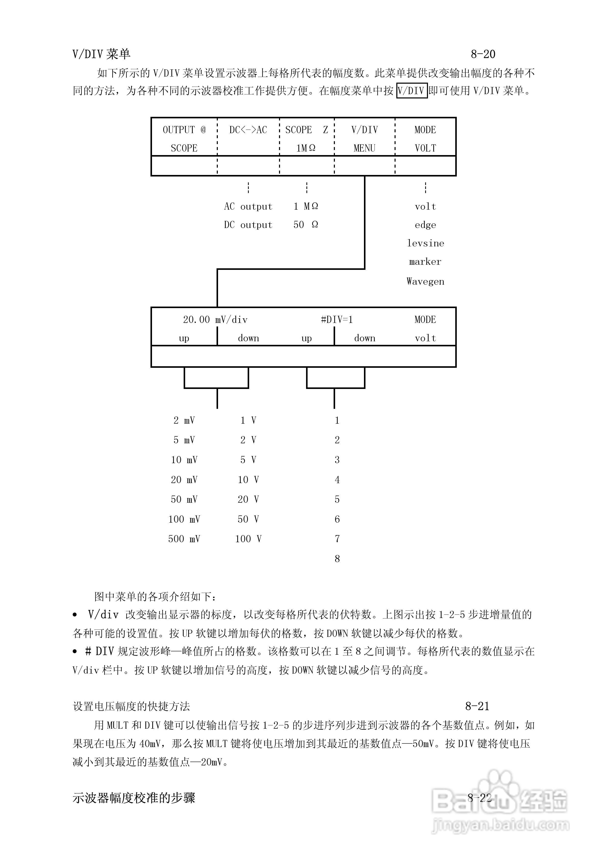
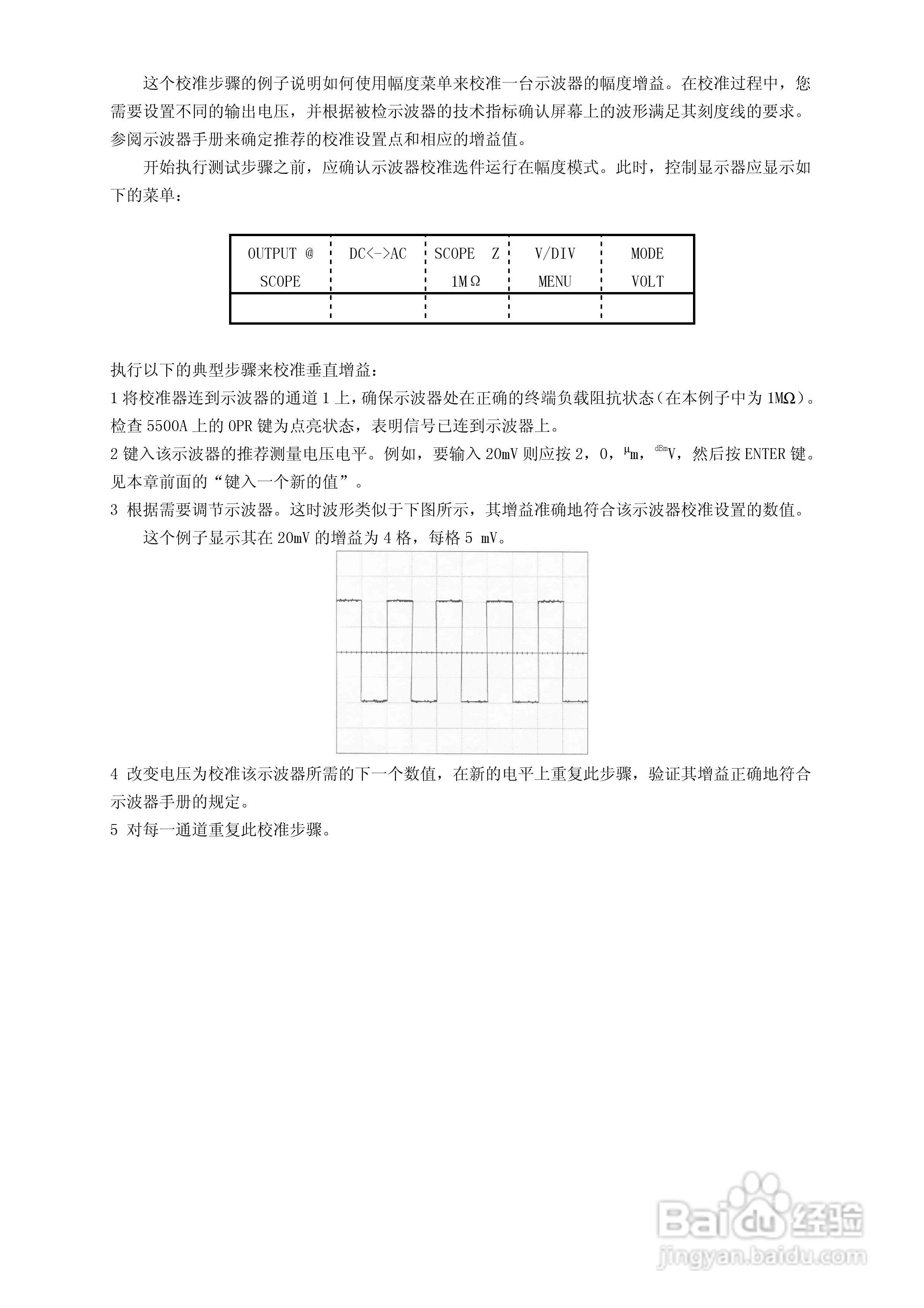
福禄克5500A校准器使用手册:[22]
2026-03-30 05:08:04
本篇为《福禄克5500A校准器使用手册》,主要介绍该产品的使用方法以及常见故障解决方案。
(共篇)
上一篇:
|
下一篇:
声明:
本网站引用、摘录或转载内容仅供网站访问者交流或参考,不代表本站立场,如存在版权或非法内容,请联系站长删除,联系邮箱:site.kefu@qq.com。
相关推荐
制定一建学习计划的基本原则
阅读量:20
如何理解未经竣工验收发包人擅自使用的法律分析
阅读量:62
机电设备安装工程专业承包一级资质
阅读量:100
2012六一儿童节_适合儿童旅游的景点罗列
阅读量:45
屋面瓦要想漂亮需要这几点
阅读量:171
猜你喜欢
什么叫毒龙
孙悟空被压在什么山下
黑蒜的功效和作用
什么是排卵期和安全期
茅根的功效与作用
什么是概念车
山药豆的功效与作用
蓝砂石的功效与作用
什么是爱一个人
沃柑的功效与作用
猜你喜欢
珍珠粉的功效与作用
沙棘的功效与作用
交通安全知识竞赛
学院和大学有什么区别
莫逆之交什么意思
桎梏什么意思
玄关挂什么画风水好
湿毒清胶囊的作用与功效
石斛花的功效与作用
薏米仁的功效与作用