小度生活
首页
美食营养
手工爱好
生活家居
返回
小度生活
首页
美食营养
游戏数码
手工爱好
生活家居
健康养生
运动户外
职场理财
情感交际
母婴教育
时尚美容
知识问答
生活知识
生活百科
搜索
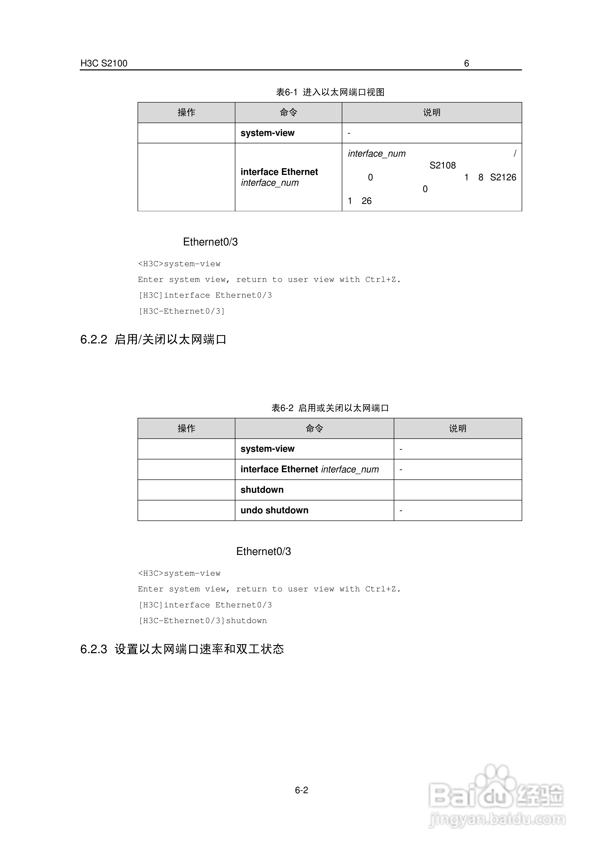
华三交换机S2100形说明书:[4]
2026-04-25 05:08:57
本篇为《华三交换机S2100形说明书》,主要介绍该产品的使用方法以及常见故障解决方案。
(共篇)
上一篇:
|
下一篇:
声明:
本网站引用、摘录或转载内容仅供网站访问者交流或参考,不代表本站立场,如存在版权或非法内容,请联系站长删除,联系邮箱:site.kefu@qq.com。
相关推荐
华三交换机S2100形说明书:[6]
阅读量:51
华三交换机S2100-EI形说明书:[5]
阅读量:149
华三交换机S2100-EI形说明书:[29]
阅读量:136
华三交换机S2100-EI形说明书:[19]
阅读量:105
交换机怎么使用
阅读量:118
猜你喜欢
汽车年检过期怎么办
办学许可证怎么办理
奶水少怎么办
君威怎么样
隔离霜怎么用
怎么看片
崴脚后怎么处理
衣服的拼音怎么写
cf怎么调全屏
万年青怎么养
猜你喜欢
xvideos怎么看
失恋了怎么办
竣工图怎么画
怎么织围巾
材料作文怎么写
社保怎么算
没有烤箱怎么做蛋糕
电脑怎么连打印机
面条鱼怎么做好吃
浑身痒是怎么回事