小度生活
首页
美食营养
手工爱好
生活家居
返回
小度生活
首页
美食营养
游戏数码
手工爱好
生活家居
健康养生
运动户外
职场理财
情感交际
母婴教育
时尚美容
知识问答
生活知识
搜索
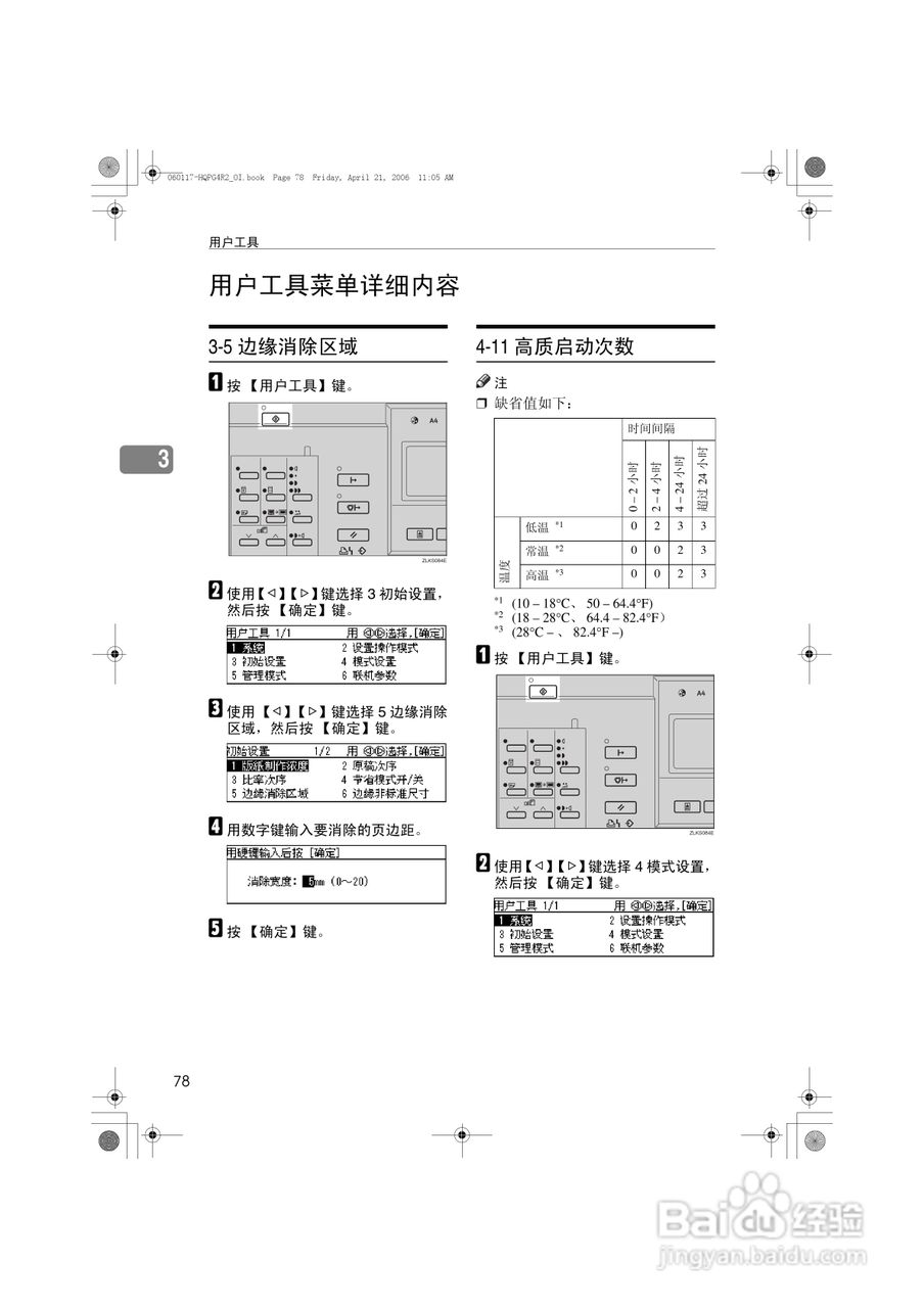
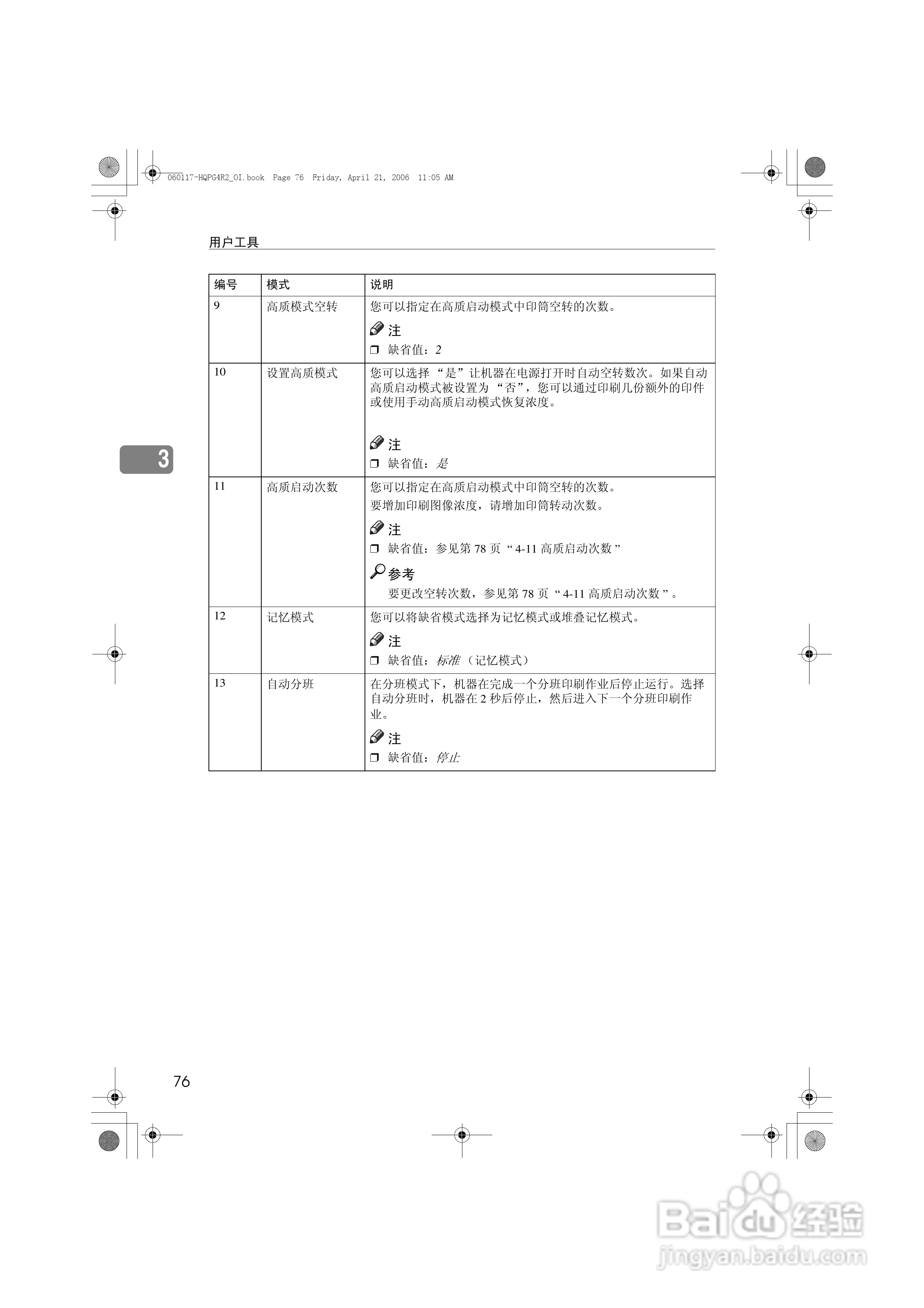
基士得耶CP6450C一体机使用说明书:[10]
2025-10-23 14:31:47
本篇为《基士得耶CP6450C一体机使用说明书》,主要介绍该产品的使用方法以及常见故障解决方案。
(共篇)
上一篇:
|
下一篇:
声明:
本网站引用、摘录或转载内容仅供网站访问者交流或参考,不代表本站立场,如存在版权或非法内容,请联系站长删除,联系邮箱:site.kefu@qq.com。
相关推荐
基士得耶CP6450C一体机使用说明书:[11]
阅读量:117
基士得耶CP6450C一体机使用说明书:[13]
阅读量:117
使用说明书封面怎么做
阅读量:131
使用说明书wf2651使用指南
阅读量:50
基士得耶CP6450C一体机使用说明书:[12]
阅读量:134
猜你喜欢
力挽狂澜的意思
稀世珍宝的意思
什么小说网站比较好
若有所悟的意思
男士化妆品什么牌子好
什么是投资回报率
得意忘形是什么意思
ps是什么意思的缩写
rohs是什么意思
烂桃花是什么意思
猜你喜欢
走月亮是什么意思
什么是长尾关键词
1.6t什么意思
暴殄天物的意思
王侯将相宁有种乎是什么意思
脑残粉是什么意思
桃李满天下是什么意思
车年审需要什么资料
爱慕虚荣的意思
趔趄的意思