小度生活
首页
美食营养
手工爱好
生活家居
返回
小度生活
首页
美食营养
游戏数码
手工爱好
生活家居
健康养生
运动户外
职场理财
情感交际
母婴教育
时尚美容
知识问答
生活知识
生活百科
搜索
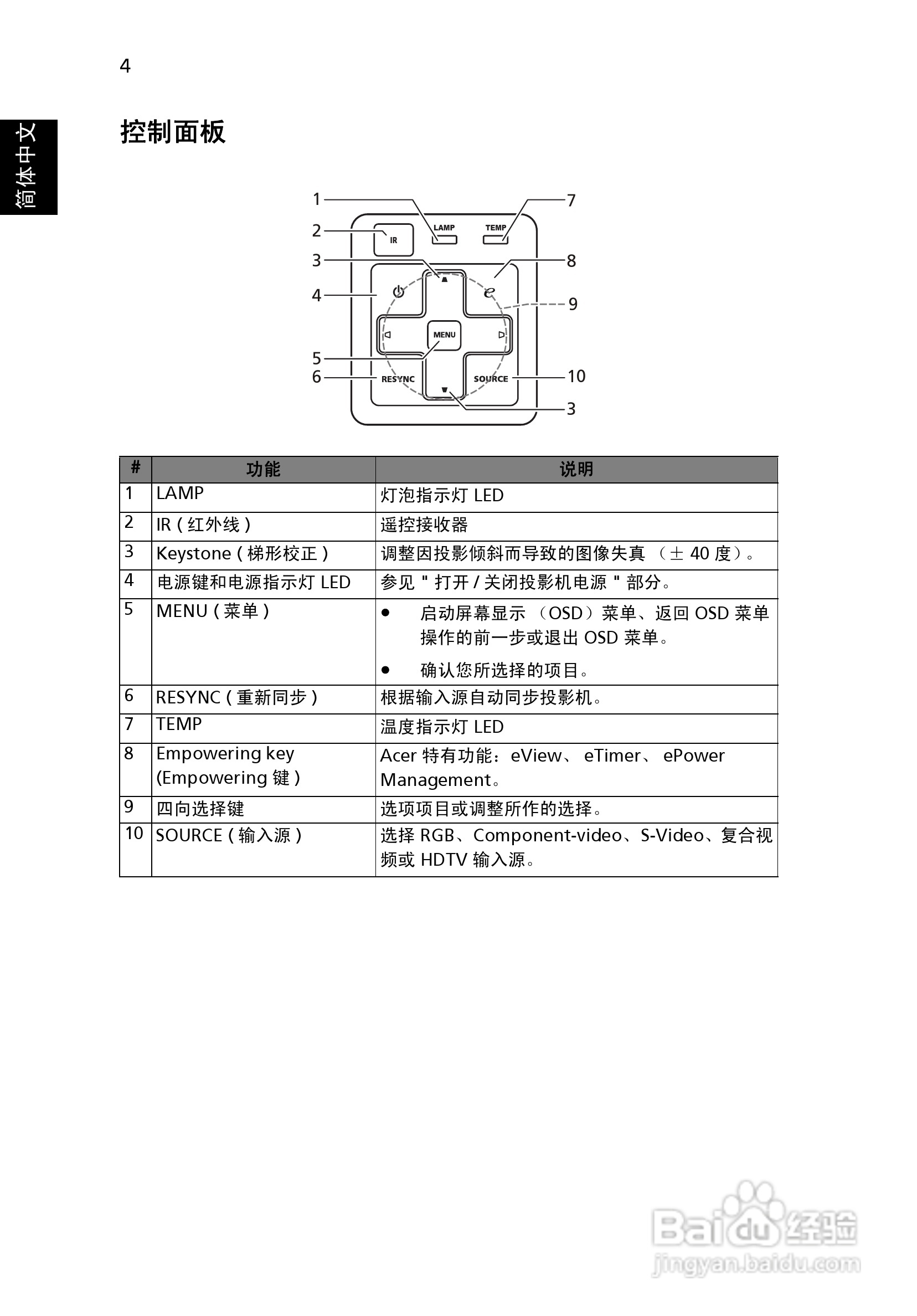
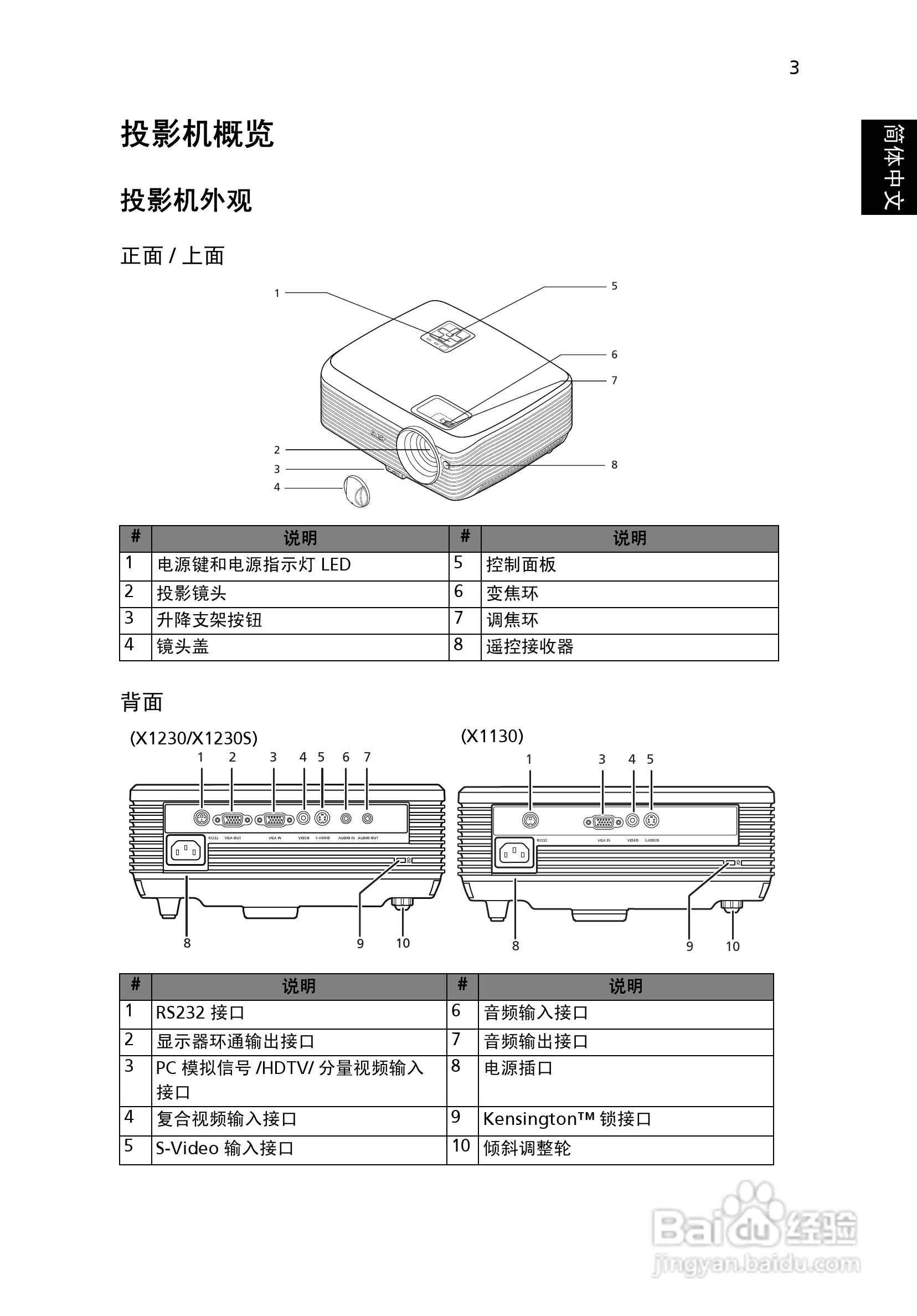
宏基X1130投影机使用说明书:[2]
2026-04-25 03:19:31
本篇为《宏基X1130投影机使用说明书》,主要介绍该产品的使用方法以及常见故障解决方案。
(共篇)
上一篇:
|
下一篇:
声明:
本网站引用、摘录或转载内容仅供网站访问者交流或参考,不代表本站立场,如存在版权或非法内容,请联系站长删除,联系邮箱:site.kefu@qq.com。
相关推荐
手机如何连接投影仪
阅读量:117
投影仪如何与手机蓝牙连接?
阅读量:162
投影仪怎么连接手机
阅读量:49
苹果手机怎么连接投影仪
阅读量:100
苹果手机同屏器的使用方法
阅读量:190
猜你喜欢
微信号改成什么比较好
繁荣昌盛的意思是什么意思
拔苗助长的意思
清卡是什么意思
arpu值是什么意思
跑马拉松穿什么鞋
征程什么意思
法人代表是什么意思
感恩是什么意思
毛寸适合什么脸型
猜你喜欢
裸官是什么意思
幽默的意思
仗义的意思
cpf什么意思
孺子牛的意思
里番是什么意思
汽车年检需要什么资料
sucks什么意思
什么是黑心棉
打火机什么牌子好