小度生活
首页
美食营养
手工爱好
生活家居
返回
小度生活
首页
美食营养
游戏数码
手工爱好
生活家居
健康养生
运动户外
职场理财
情感交际
母婴教育
时尚美容
知识问答
生活知识
生活百科
搜索
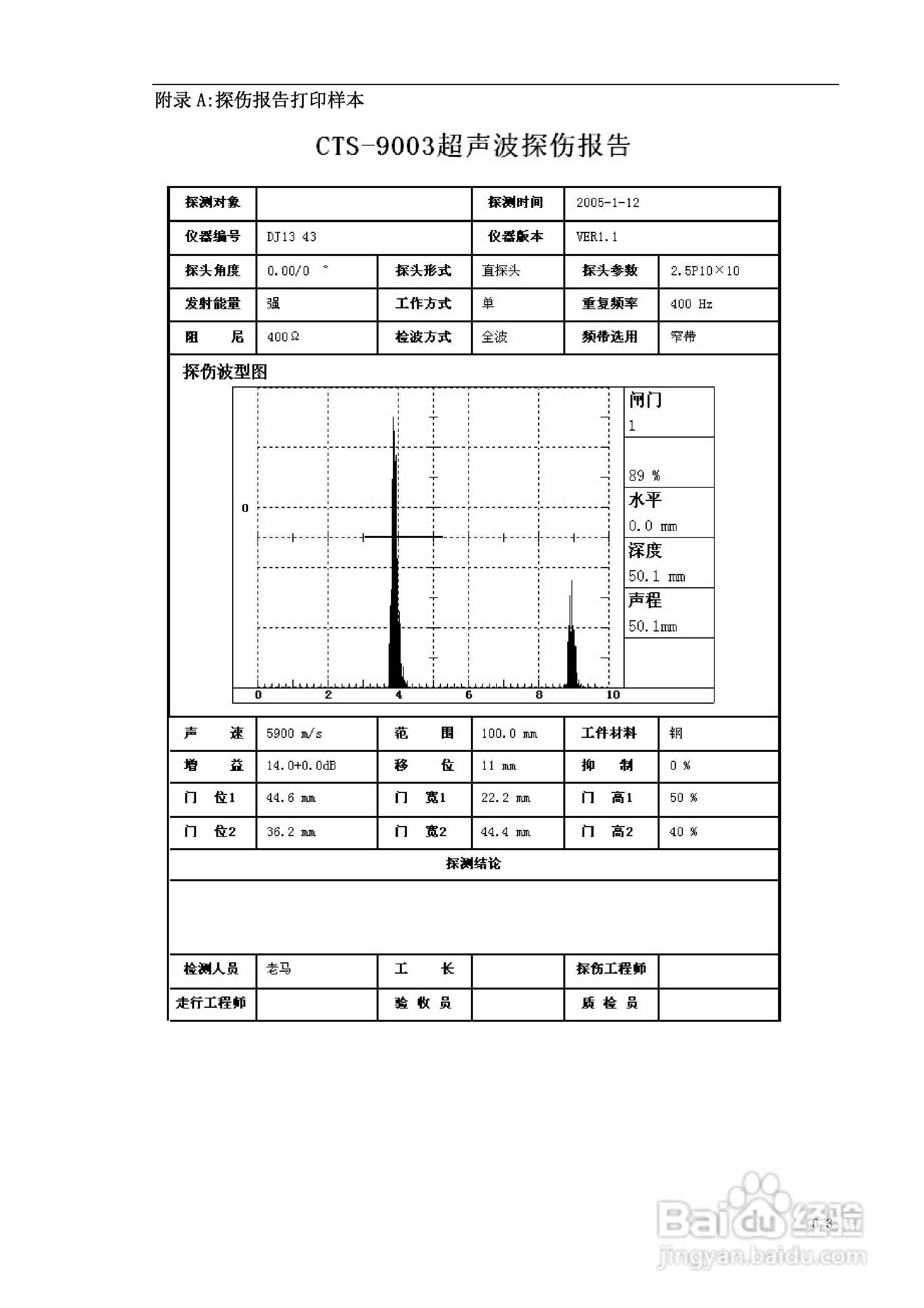
CTS-9003数字式超声波探伤仪使用说明书:[7]
2026-04-07 12:45:53
本篇为《CTS-9003数字式超声波探伤仪使用说明书》,主要介绍该产品的使用方法以及常见故障解决方案。
(共篇)
上一篇:
声明:
本网站引用、摘录或转载内容仅供网站访问者交流或参考,不代表本站立场,如存在版权或非法内容,请联系站长删除,联系邮箱:site.kefu@qq.com。
相关推荐
CTS-9003数字式超声波探伤仪使用说明书:[2]
阅读量:48
CTS-1003超声波探伤仪说明书:[2]
阅读量:80
CTS-1003超声波探伤仪说明书:[5]
阅读量:133
CTS-1003超声波探伤仪说明书:[3]
阅读量:158
CTS-1003超声波探伤仪说明书:[4]
阅读量:40
猜你喜欢
1st是什么意思
lead是什么意思
相貌堂堂的意思是什么
望穿秋水是什么意思
秉性的意思
凤毛麟角的意思
什么是人造奶油
叶公好龙是什么意思
地板砖什么样的好
depth是什么意思
猜你喜欢
puls是什么意思
齐头并进的意思
以讹传讹的意思
走心是什么意思
日用百货包括什么
什么是企业精神
照猫画虎的意思
嗑药是什么意思
人间正道是沧桑是什么意思
怡的意思