小度生活
首页
美食营养
手工爱好
生活家居
返回
小度生活
首页
美食营养
游戏数码
手工爱好
生活家居
健康养生
运动户外
职场理财
情感交际
母婴教育
时尚美容
知识问答
生活知识
搜索
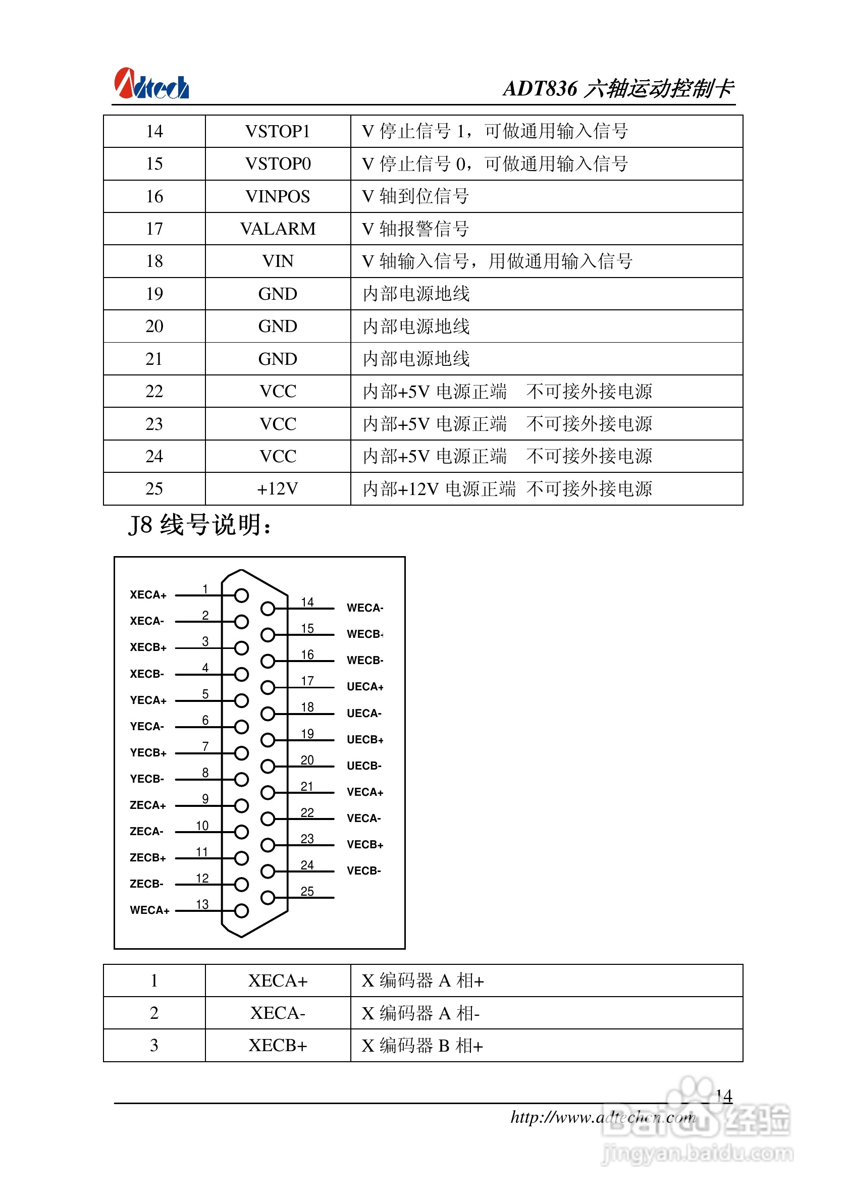
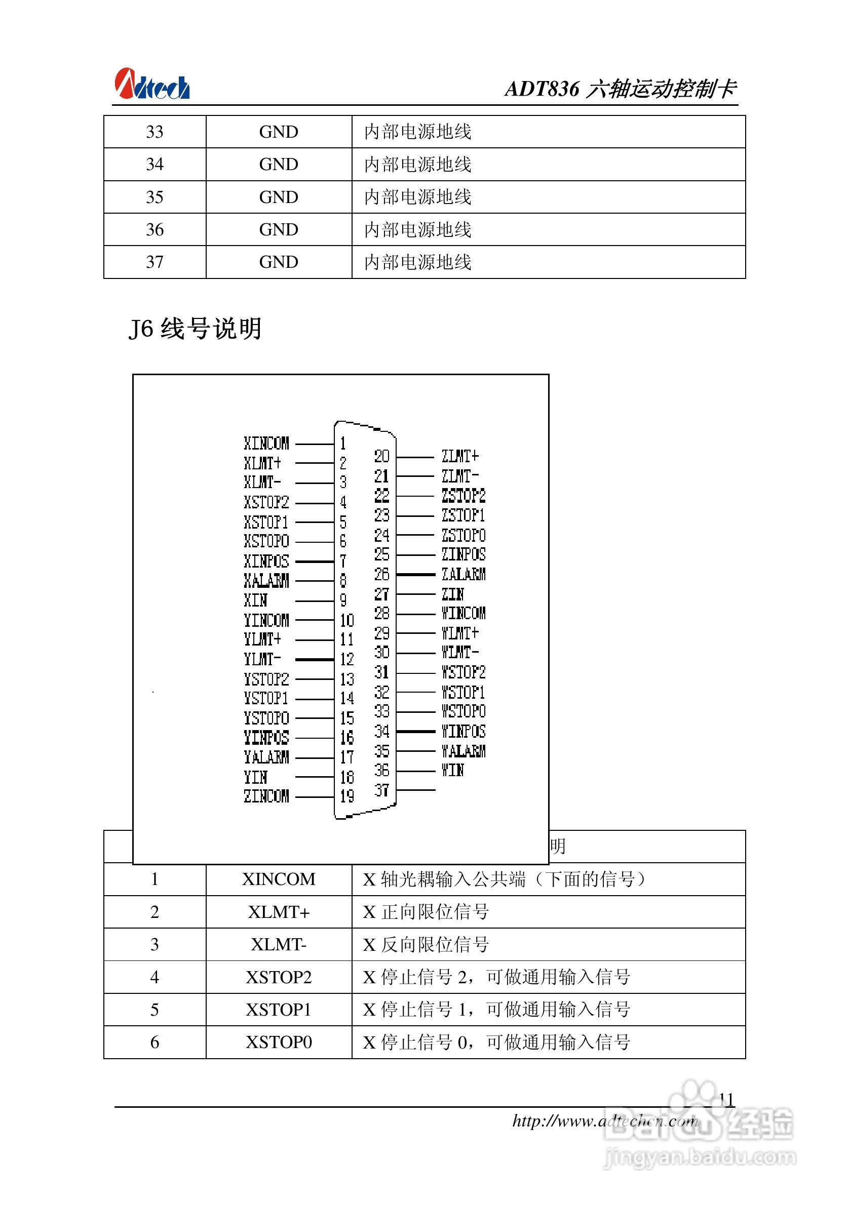
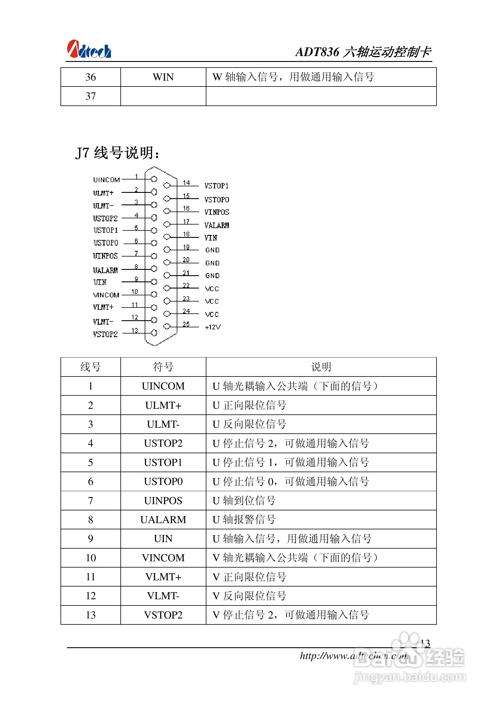
ADT-836六轴运动控制卡说明书:[2]
2026-02-07 08:54:37
本篇为《ADT-836六轴运动控制卡说明书》,主要介绍该产品的使用方法以及常见故障解决方案。
(共篇)
上一篇:
|
下一篇:
声明:
本网站引用、摘录或转载内容仅供网站访问者交流或参考,不代表本站立场,如存在版权或非法内容,请联系站长删除,联系邮箱:site.kefu@qq.com。
相关推荐
ADT-836六轴运动控制卡说明书:[11]
阅读量:67
ADT-860四轴运动控制卡说明书:[2]
阅读量:125
ADT-860四轴运动控制卡说明书:[3]
阅读量:134
ADT-860四轴运动控制卡说明书:[7]
阅读量:144
ADT-860四轴运动控制卡说明书:[4]
阅读量:152
猜你喜欢
medicine是什么意思
转关是什么意思
电脑黑屏是什么原因
义愤填膺是什么意思
begins是什么意思
france是什么意思
ppi是什么意思
股市黑天鹅是什么意思
结婚登记需要什么
福建的简称是什么
猜你喜欢
参差不齐是什么意思
松花粉是什么
微博账号是什么
bios是什么意思
厦门有什么好玩的地方
天津体育学院运动与文化艺术学院
什么是现代诗
美联储降息意味着什么
10月15日是什么日子
低血糖有什么危害