小度生活
首页
美食营养
手工爱好
生活家居
返回
小度生活
首页
美食营养
游戏数码
手工爱好
生活家居
健康养生
运动户外
职场理财
情感交际
母婴教育
时尚美容
知识问答
生活知识
生活百科
搜索
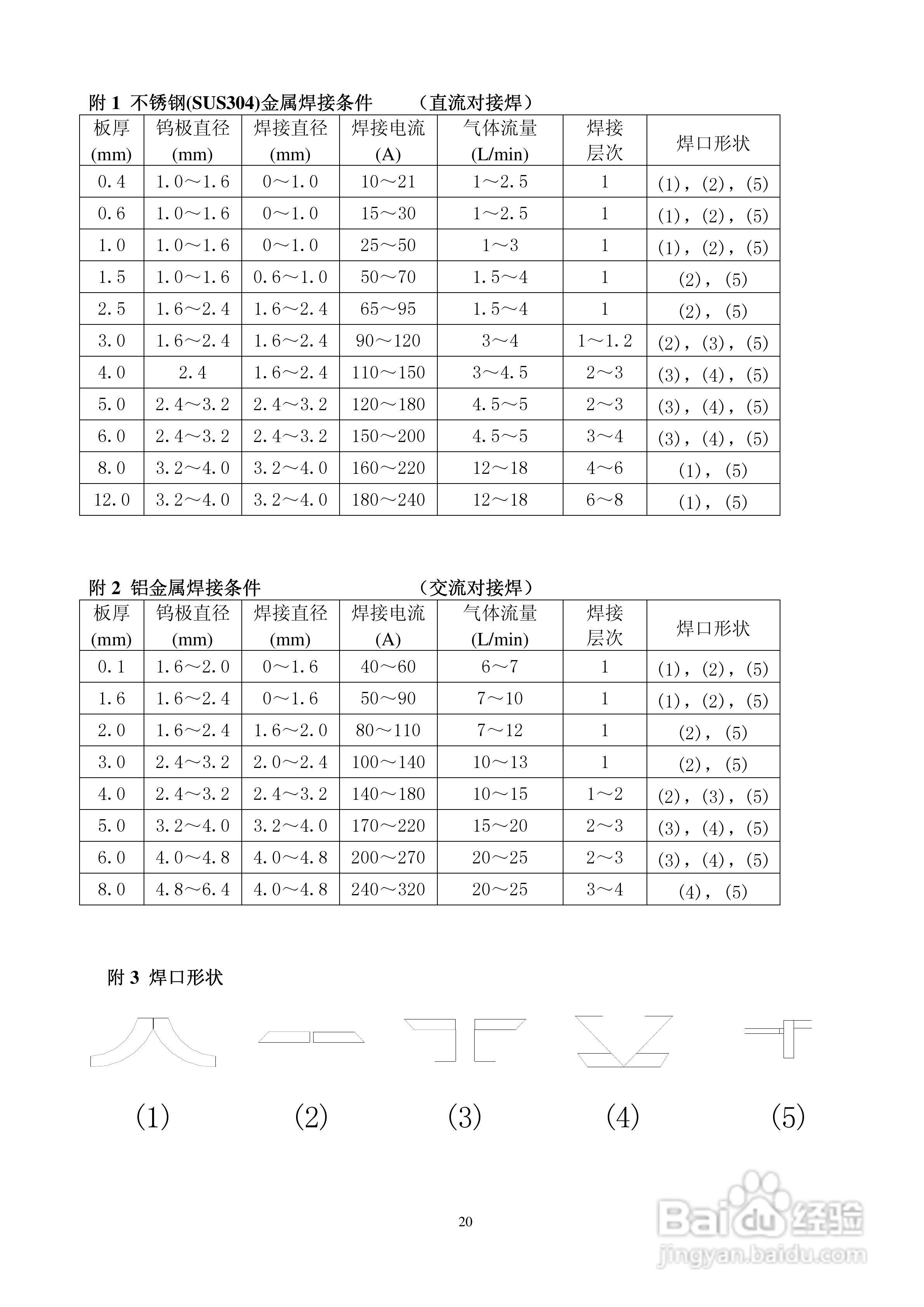
焊王WSE-250A交直流方波氩弧焊机使用说明书:[2]
2026-05-20 22:40:57
本篇为《焊王WSE-250A交直流方波氩弧焊机使用说明书》,主要介绍该产品的使用方法以及常见故障解决方案。
(共篇)
上一篇:
声明:
本网站引用、摘录或转载内容仅供网站访问者交流或参考,不代表本站立场,如存在版权或非法内容,请联系站长删除,联系邮箱:site.kefu@qq.com。
相关推荐
如何使用Multisim绘制BZV85-C5V6二极管?
阅读量:38
ZBZ2-4.0/1140(660)M矿用隔爆型照明信号综合保护装置:[1]
阅读量:43
uni-app富文本图片宽度溢出如何解决
阅读量:92
A1SHB,A2SHB三极管MOS
阅读量:144
螺杆泵选型方法
阅读量:149
猜你喜欢
月饼怎么画简单又好看
腰肌劳损治疗最佳方法
豆腐泡怎么做好吃
抗衰老最好的方法
美女131高清图片大全 app
福州有什么好吃的
田螺怎么做好吃
说明方法有哪些
手机密码忘了怎么刷机
广州哪里有好吃的
猜你喜欢
怎么还原系统
怎么看ip
北京城市学院怎么样
尿蛋白治疗方法
怎么样减肥快
机器人图片大全大图
电动车电池修复方法
企业微信怎么申请
许嵩的歌曲大全
尘螨过敏怎么办