小度生活
首页
美食营养
手工爱好
生活家居
返回
小度生活
首页
美食营养
游戏数码
手工爱好
生活家居
健康养生
运动户外
职场理财
情感交际
母婴教育
时尚美容
知识问答
生活知识
搜索
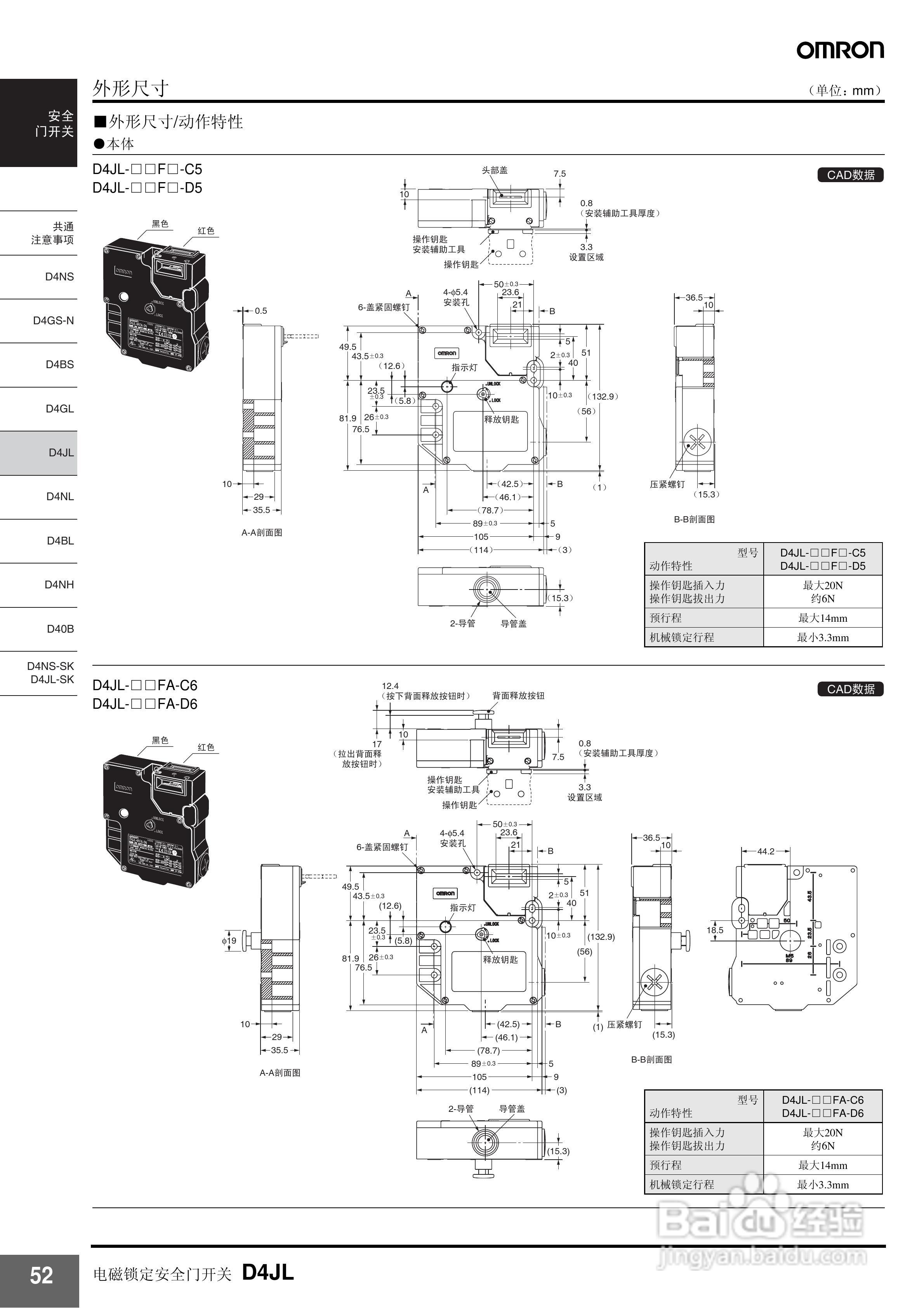
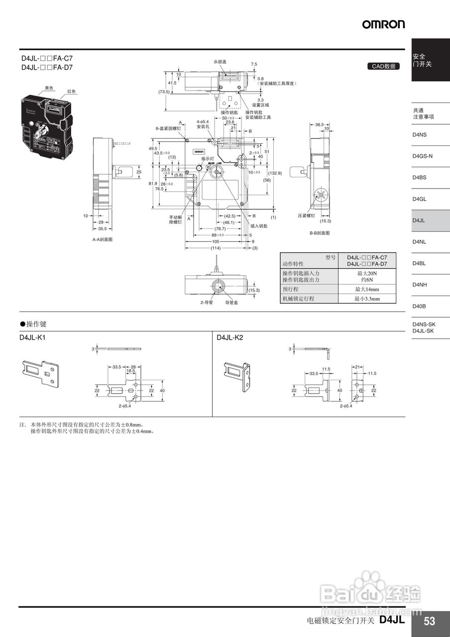
omron D4JL电磁锁定安全门开关说明书:[2]
2025-10-28 19:27:49
本篇为《omron D4JL电磁锁定安全门开关说明书》,主要介绍该产品的使用方法以及常见故障解决方案。
(共篇)
上一篇:
声明:
本网站引用、摘录或转载内容仅供网站访问者交流或参考,不代表本站立场,如存在版权或非法内容,请联系站长删除,联系邮箱:site.kefu@qq.com。
相关推荐
安全门门缝密封方法
阅读量:25
被夹在地铁安全门和车门之间 该如何自救
阅读量:184
防爆电磁锁使用方法
阅读量:105
RFID设备LSG405/LSG406图书馆安全门安装说明
阅读量:183
防盗门维修及维护,安全门怎么保养
阅读量:157
猜你喜欢
羊杂汤的做法和配料
火锅鸡做法
杏鲍菇做法
红烧鱼的家常做法简单
红烧带鱼的做法视频
爱奇艺自动续费怎么取消
打印机怎么打印
乳腺增生是怎么引起的
红烧武昌鱼的家常做法
油麦菜怎么做好吃
猜你喜欢
杨梅汤的做法
醋蛋液的做法
饺子做法
排骨怎么做好吃
笔筒的做法
炖老母鸡汤的做法
养生粥的做法与功效
香芋西米露的做法
鱼片粥的做法
红烧排骨怎么做