小度生活
首页
美食营养
手工爱好
生活家居
返回
小度生活
首页
美食营养
游戏数码
手工爱好
生活家居
健康养生
运动户外
职场理财
情感交际
母婴教育
时尚美容
搜索
同惠LCR数字电桥TH1817使用说明书:[4]
2025-11-05 09:36:24
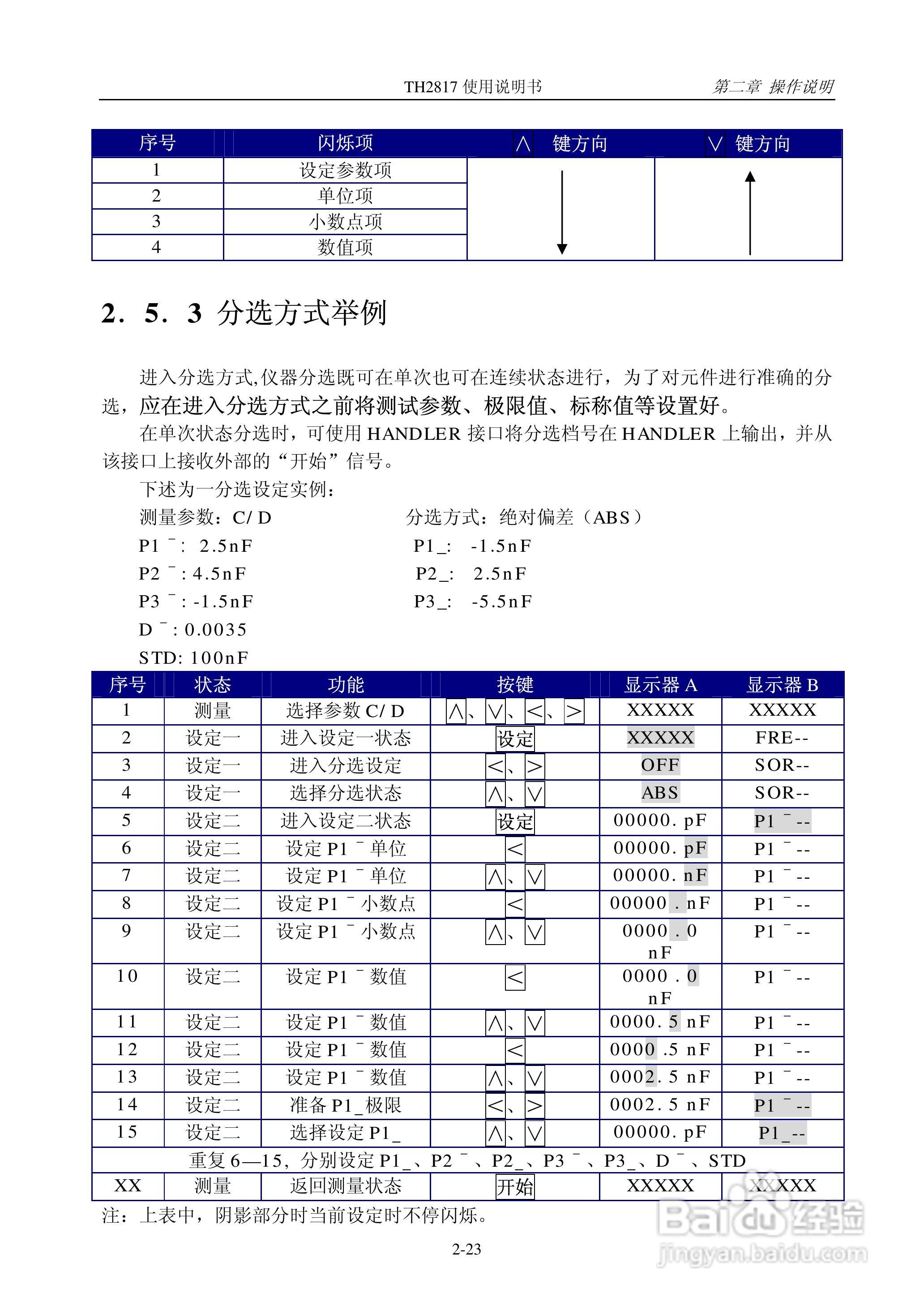
本篇为《同惠LCR数字电桥TH1817使用说明书》,主要介绍该产品的使用方法以及常见故障解决方案。
(共篇)
上一篇:
|
下一篇:
声明:
本网站引用、摘录或转载内容仅供网站访问者交流或参考,不代表本站立场,如存在版权或非法内容,请联系站长删除,联系邮箱:site.kefu@qq.com。
相关推荐
单面PCB制作流程
阅读量:171
PCB中过孔设计
阅读量:64
开关电源芯片选择注意事项要注意哪些?
阅读量:165
周立功TJA1020 LIN收发器说明书:[2]
阅读量:105
allegro初步学习(四)
阅读量:34
猜你喜欢
精子是什么味道
性生活是什么
胸被对象吃是什么感觉
mother是什么意思
10月份是什么星座
pretty是什么意思
3月6日是什么星座
bounce是什么意思
端午节又称什么节
清高是什么意思
猜你喜欢
1989年属什么
双师型教师是什么意思
车前草有什么功效
普通话证书有什么用
7月6日是什么日子
逆商是什么意思
百合有什么功效
dynamic是什么意思
浮云什么意思
metoo什么意思