小度生活
首页
美食营养
手工爱好
生活家居
返回
小度生活
首页
美食营养
游戏数码
手工爱好
生活家居
健康养生
运动户外
职场理财
情感交际
母婴教育
时尚美容
知识问答
生活知识
生活百科
搜索
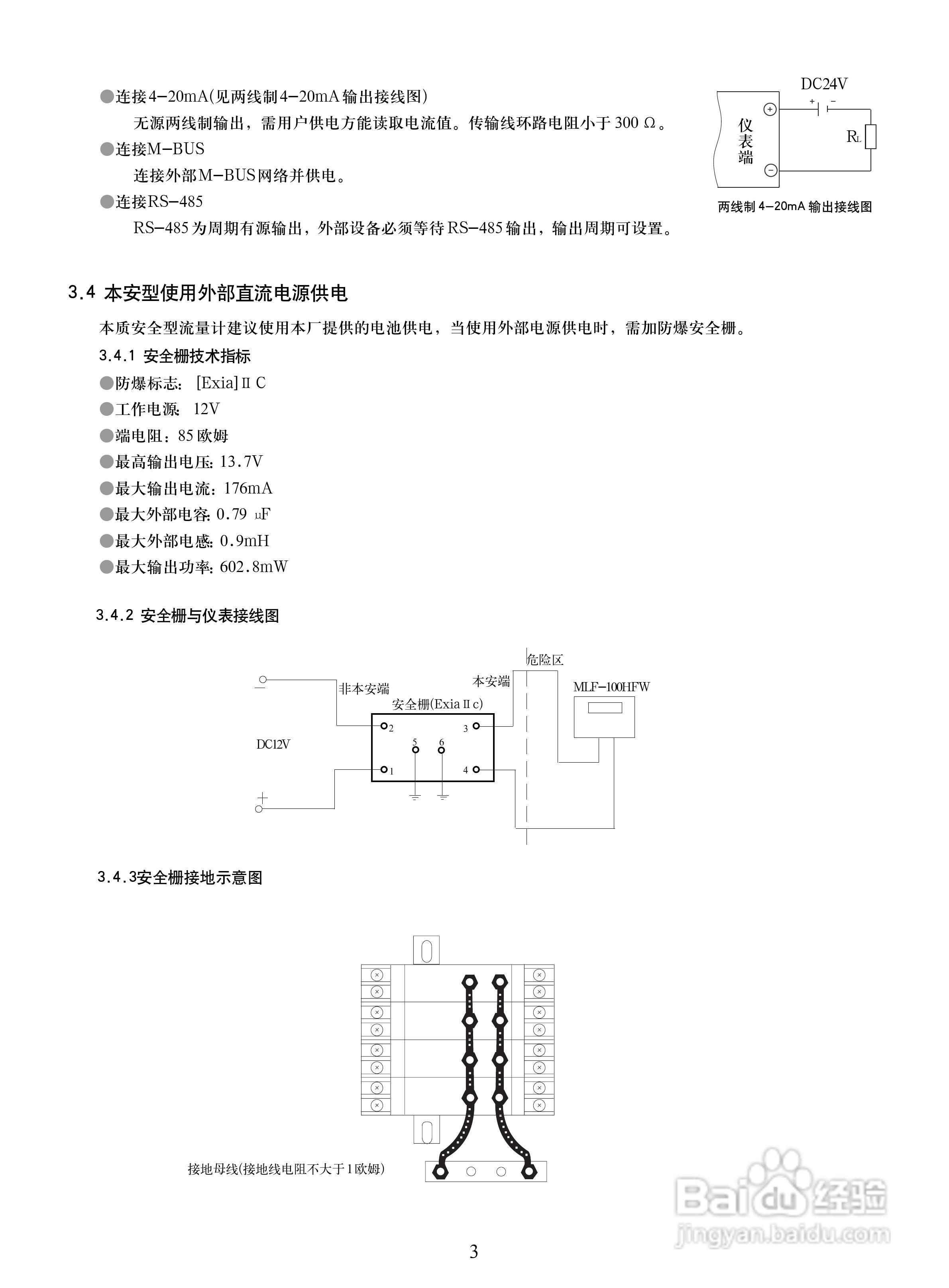
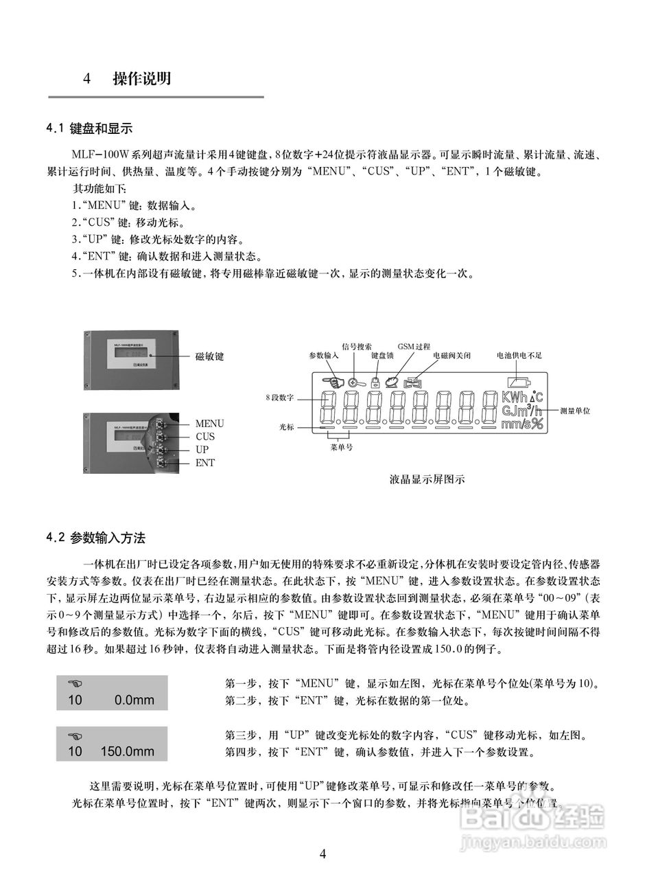
美伦MLF-100HFW本质安全超声流量计使用说明书:[1]
2026-04-25 18:57:27
本篇为《美伦MLF-100HFW本质安全超声流量计使用说明书》,主要介绍该产品的使用方法以及常见故障解决方案。
(共篇)
下一篇:
声明:
本网站引用、摘录或转载内容仅供网站访问者交流或参考,不代表本站立场,如存在版权或非法内容,请联系站长删除,联系邮箱:site.kefu@qq.com。
相关推荐
RLT-100型超声波流量计使用说明书:[1]
阅读量:50
RLT-100型超声波流量计使用说明书:[2]
阅读量:167
RLT-100型超声波流量计使用说明书:[3]
阅读量:73
MLF/CUT尾柄剪切机说明书:[1]
阅读量:126
RLT-100型超声波流量计使用说明书:[4]
阅读量:153
猜你喜欢
隐约的意思
螺丝刀什么牌子好
什么是花园洋房
被子什么牌子好
put的意思
什么是电子信箱
happy new year什么意思
绿化率是什么意思
不迁怒不贰过的意思
寡人之疾什么意思
猜你喜欢
伐木累是什么意思
关怀的意思
居安思危戒奢以俭的意思
失望的意思
横行霸道的意思
读什么有感400字
小型犬养什么好
什么人不适合喝酸奶
山行古诗的意思翻译
什么是普世价值观