小度生活
首页
美食营养
手工爱好
生活家居
返回
小度生活
首页
美食营养
游戏数码
手工爱好
生活家居
健康养生
运动户外
职场理财
情感交际
母婴教育
时尚美容
知识问答
生活知识
搜索
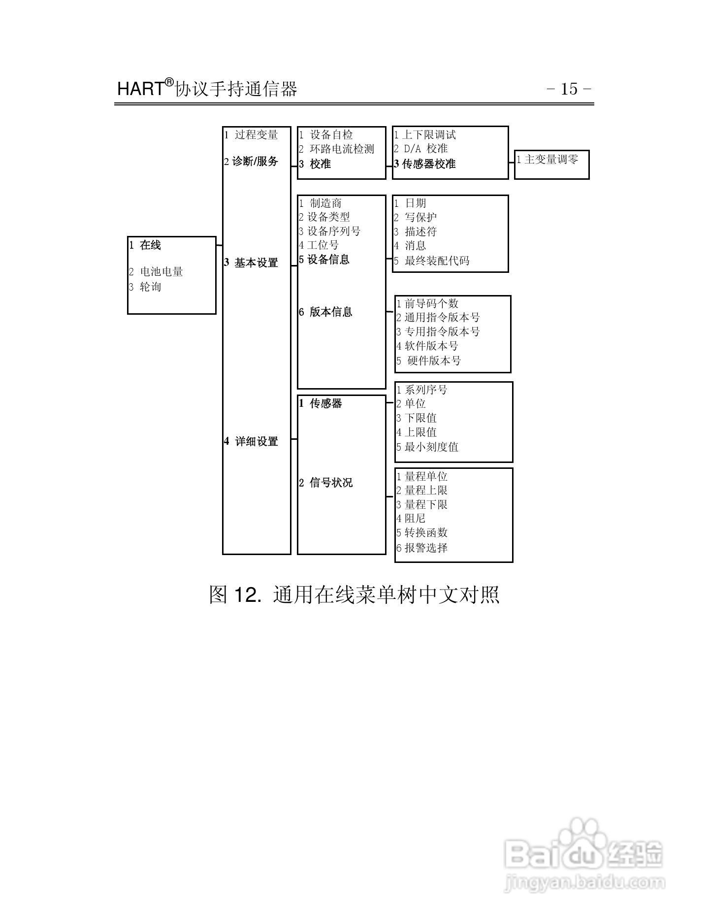
HART375通信器使用说明书:[3]
2025-11-05 16:42:48
本篇为《HART375通信器使用说明书》,主要介绍该产品的使用方法以及常见故障解决方案。
(共篇)
上一篇:
|
下一篇:
声明:
本网站引用、摘录或转载内容仅供网站访问者交流或参考,不代表本站立场,如存在版权或非法内容,请联系站长删除,联系邮箱:site.kefu@qq.com。
相关推荐
基士得耶CP6346C一体机使用说明书:[4]
阅读量:66
仪迪MN4254A安全性能综合测试仪使用说明书:[5]
阅读量:36
米奥Mio 6系列卡包机使用说明书
阅读量:120
Panasonic DMC-LZ7GK数码相机使用说明书:[9]
阅读量:157
Digimaster POW400数码相机使用说明书:[4]
阅读量:129
猜你喜欢
双子宫是怎么回事
如何查询高考成绩
如何修复红血丝
lol稻草人怎么玩
生活乐趣
我的初一生活
武汉商贸职业学院怎么样
如何重装电脑系统
怎么填报高考志愿
汽车违章查询怎么查
猜你喜欢
如何制作u盘启动盘
左后背疼痛是什么原因
慈禧的秘密生活国语
烫发后怎么打理
lol怎么修复
明牌黄金怎么样
万圣节英文怎么说
lol蛮王怎么玩
九色生活
如何删除文件