小度生活
首页
美食营养
手工爱好
生活家居
返回
小度生活
首页
美食营养
游戏数码
手工爱好
生活家居
健康养生
运动户外
职场理财
情感交际
母婴教育
时尚美容
知识问答
生活知识
生活百科
搜索
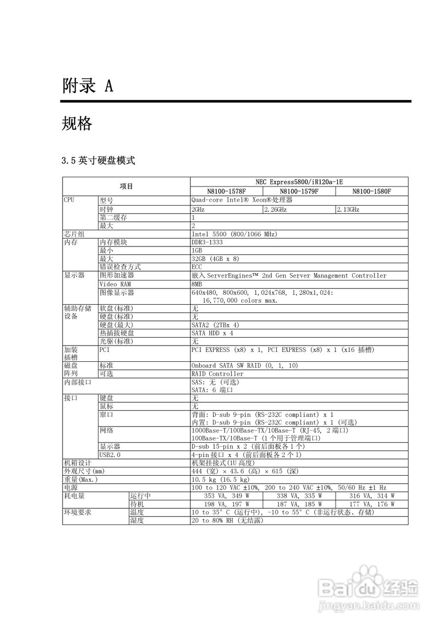
NEC N8100-1575F服务器用户手册:[37]
2026-05-11 00:58:23
本篇为《NEC N8100-1575F服务器用户手册》,主要介绍该产品的使用方法以及常见故障解决方案。
(共篇)
上一篇:
|
下一篇:
声明:
本网站引用、摘录或转载内容仅供网站访问者交流或参考,不代表本站立场,如存在版权或非法内容,请联系站长删除,联系邮箱:site.kefu@qq.com。
相关推荐
NEC N8100-1575F服务器用户手册:[28]
阅读量:134
服务器日常维护常识
阅读量:160
服务器上的安全数据库没有此工作站信任关系
阅读量:30
服务器的作用和用途
阅读量:48
服务器内存与台式机内存区别
阅读量:110
猜你喜欢
穿山甲是什么动物
甲醇是什么
粘胶是什么面料
知悉是什么意思
素圈戒指是什么意思
造影是什么
胆怯的近义词是什么
冰火两重天是什么意思
track是什么意思
什么是墨菲定律
猜你喜欢
原浆酒是什么意思
林北林楠是什么小说
什么叫窦性心律
26岁属什么
电动车电池什么牌子好
七什么八什么
电子商务专业学什么
蜗牛用什么呼吸
阳春白雪什么意思
relaxing是什么意思