小度生活
首页
美食营养
手工爱好
生活家居
返回
小度生活
首页
美食营养
游戏数码
手工爱好
生活家居
健康养生
运动户外
职场理财
情感交际
母婴教育
时尚美容
知识问答
生活知识
生活百科
搜索
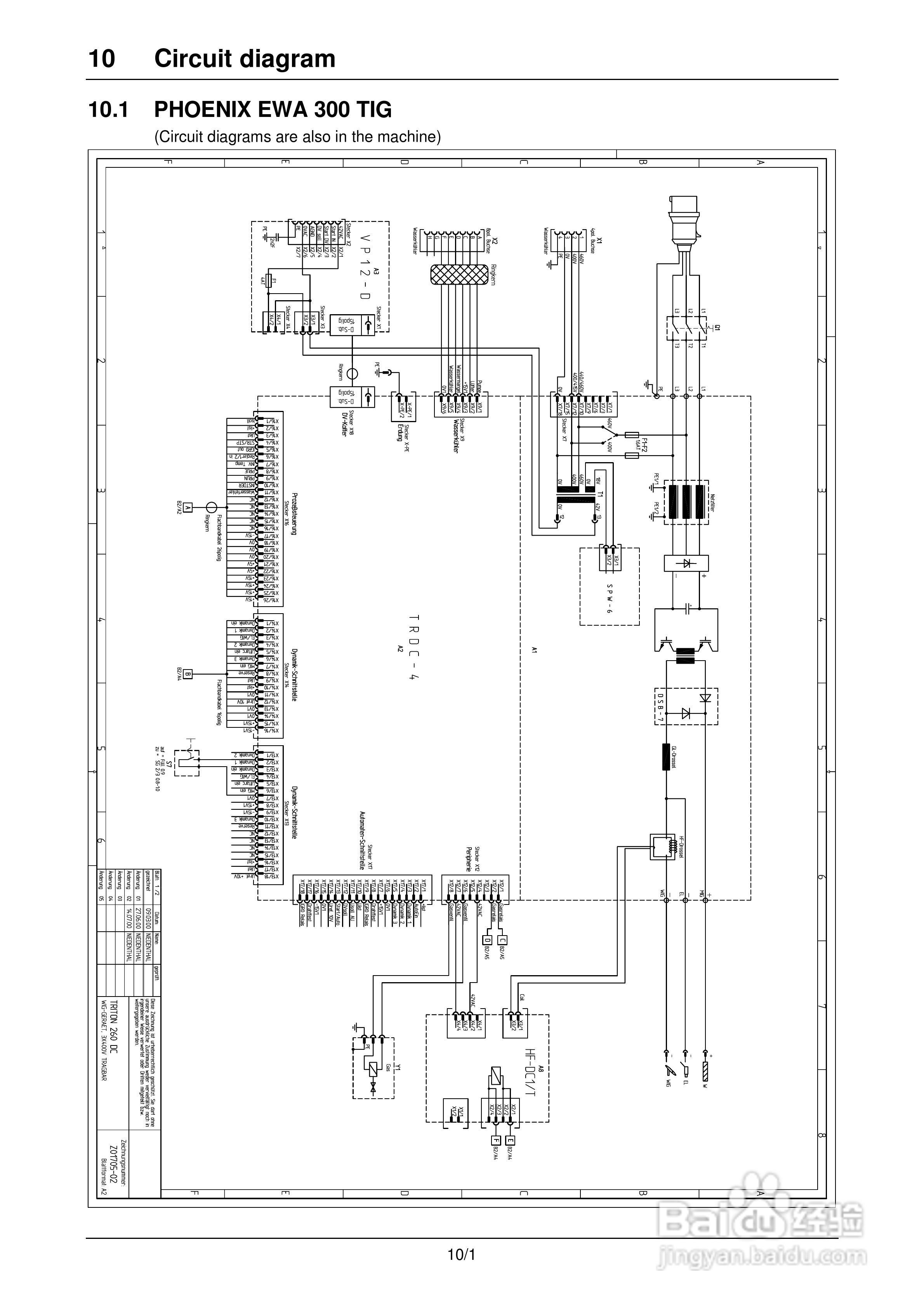
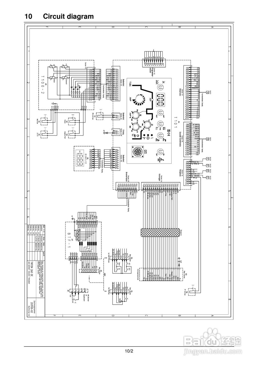
PHOENIX EWA 系列逆变焊接电源操作手册:[4]
2026-04-04 06:01:12
本篇为《PHOENIX EWA 系列逆变焊接电源操作手册》,主要介绍该产品的使用方法以及常见故障解决方案。
(共篇)
上一篇:
声明:
本网站引用、摘录或转载内容仅供网站访问者交流或参考,不代表本站立场,如存在版权或非法内容,请联系站长删除,联系邮箱:site.kefu@qq.com。
相关推荐
压力有纸记录仪的使用注意
阅读量:160
产后妈妈提臀有方法 告别产后下垂臀
阅读量:134
中石化机泵的日常维护操作
阅读量:103
非上市公众公司监督管理办法
阅读量:44
开发数字资产交易所前期需要投资多少费用
阅读量:116
猜你喜欢
万家乐电热水器怎么样
烟台山景区
广州民航职业技术学院怎么样
沉香木手串怎么盘
英菲尼迪fx35怎么样
电脑一体机怎么样
厦门旅游必去十大景点
华东五市旅游线路
sql文件怎么打开
教育背景怎么填
猜你喜欢
养老保险可以补交吗
五台山旅游攻略
兰州旅游景点大全介绍
老面怎么做
南浔旅游
腰肌劳损是怎么回事
广西巴马旅游攻略
q币怎么送人
爬山虎的特点
有房产证可以贷款吗