小度生活
首页
美食营养
手工爱好
生活家居
返回
小度生活
首页
美食营养
游戏数码
手工爱好
生活家居
健康养生
运动户外
职场理财
情感交际
母婴教育
时尚美容
知识问答
生活知识
搜索
FC2000发动机自动测控系统使用说明书:[5]
2026-02-01 06:07:07
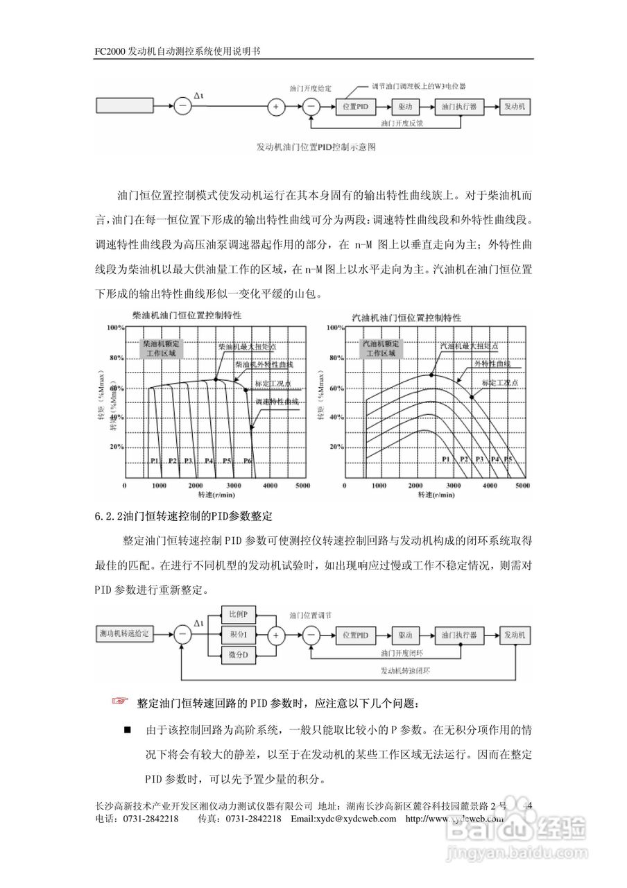
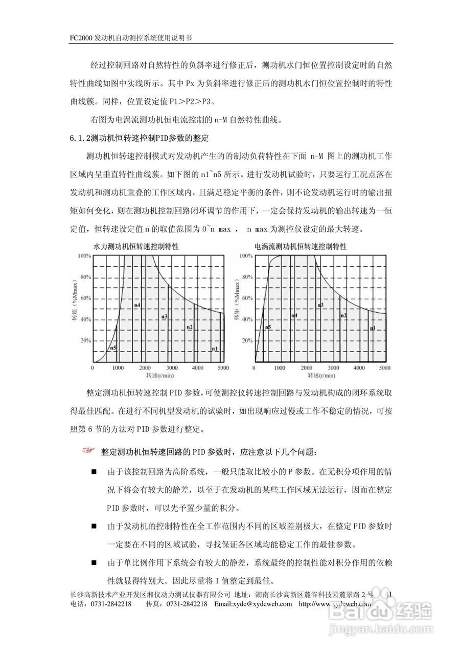
本篇为《FC2000发动机自动测控系统使用说明书》,主要介绍该产品的使用方法以及常见故障解决方案。
(共篇)
上一篇:
|
下一篇:
声明:
本网站引用、摘录或转载内容仅供网站访问者交流或参考,不代表本站立场,如存在版权或非法内容,请联系站长删除,联系邮箱:site.kefu@qq.com。
相关推荐
FC2000发动机自动测控系统使用说明书:[9]
阅读量:165
FC2000发动机自动测控系统使用说明书:[10]
阅读量:67
发动机气门间隙怎样调整
阅读量:134
发动机故障灯亮怎么解决
阅读量:196
发动机故障灯亮怎么办
阅读量:77
猜你喜欢
酝酿是什么意思
早上好祝福语优美句子
古朴典雅是什么意思
新年祝福语四字顺口溜
无线桥接是什么意思
除权除息是什么意思
定义的意思
qt是什么意思
本来的意思
结婚周年祝福语
猜你喜欢
climate是什么意思
空调辅热是什么意思
双11买什么最划算
廉航是什么意思
故弄玄虚是什么意思
丹青是什么意思
废旧荧光灯属于什么垃圾
均匀的意思
趔趄的意思
action是什么意思