小度生活
首页
美食营养
手工爱好
生活家居
返回
小度生活
首页
美食营养
游戏数码
手工爱好
生活家居
健康养生
运动户外
职场理财
情感交际
母婴教育
时尚美容
知识问答
生活知识
生活百科
搜索
天能DSB-35B数字变压器低后备保护测控装置说明书:[3]
2026-03-26 17:23:30
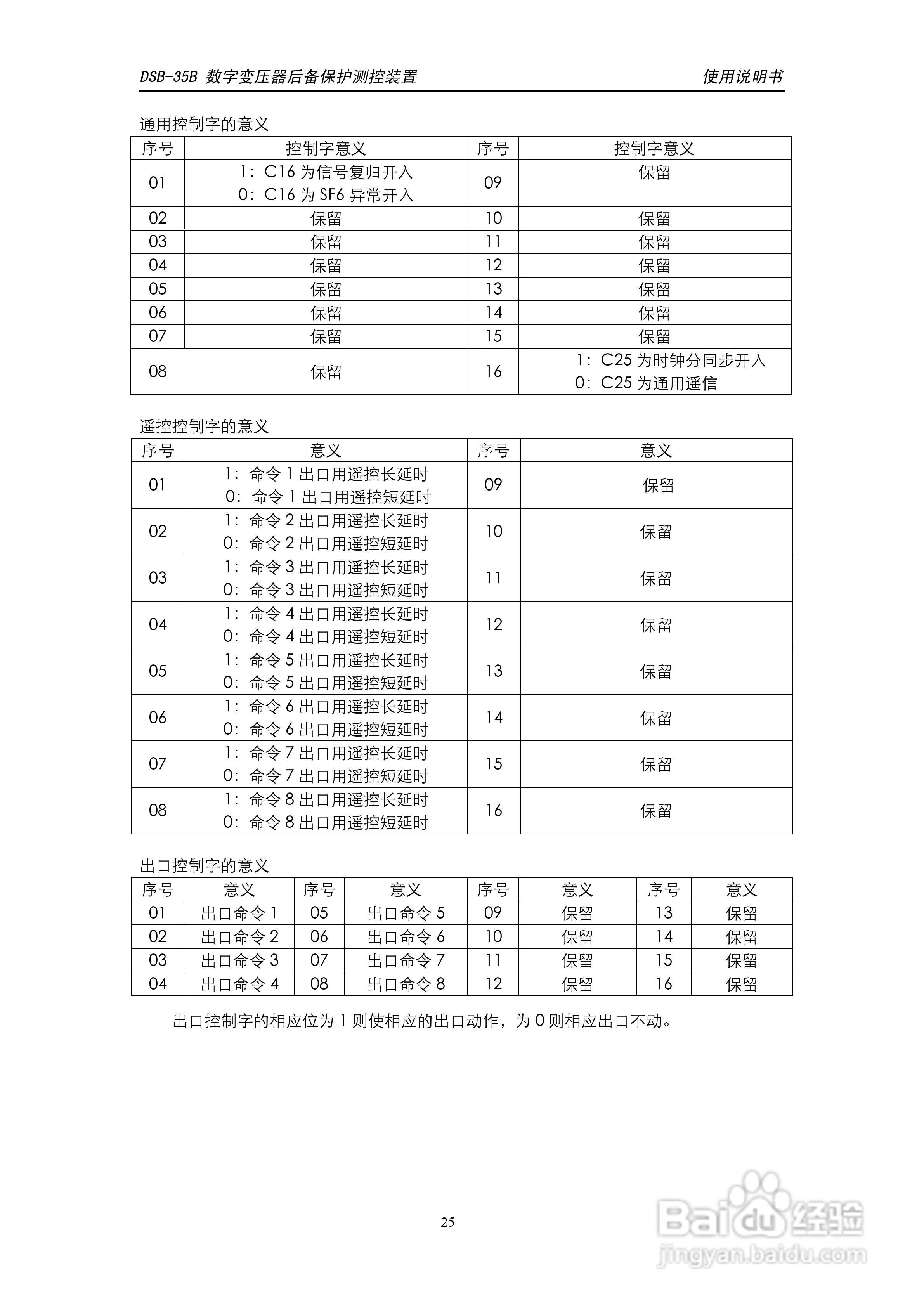
本篇为《天能DSB-35B数字变压器低后备保护测控装置说明书》,主要介绍该产品的使用方法以及常见故障解决方案。
(共篇)
上一篇:
|
下一篇:
声明:
本网站引用、摘录或转载内容仅供网站访问者交流或参考,不代表本站立场,如存在版权或非法内容,请联系站长删除,联系邮箱:site.kefu@qq.com。
相关推荐
天能DSB-35B数字变压器低后备保护测控装置说明书:[4]
阅读量:163
天能DSB-31B数字配电变保护测控装置使用说明书:[3]
阅读量:41
天能DSB-31B数字配电变保护测控装置使用说明书:[4]
阅读量:61
天能DSB-31B数字配电变保护测控装置使用说明书:[1]
阅读量:101
LDS-321B/C 数字式变压器后备保护测控装置说明书:[3]
阅读量:137
猜你喜欢
top10是什么意思
分歧的意思
三星s8什么时候上市
as是什么意思
什么主板好
华子是什么意思
孽障什么意思
司马青衫是什么意思
尽职尽责的意思
玮是什么意思
猜你喜欢
adore什么意思中文
汽车过户需要什么证件
经纪人是什么意思
刑克是什么意思
什么东西只能加不能减?
板鞋配什么裤子好看
soga是什么意思
rainy是什么意思
stop是什么意思
4g全网通是什么意思