小度生活
首页
美食营养
手工爱好
生活家居
返回
小度生活
首页
美食营养
游戏数码
手工爱好
生活家居
健康养生
运动户外
职场理财
情感交际
母婴教育
时尚美容
知识问答
生活知识
生活百科
搜索
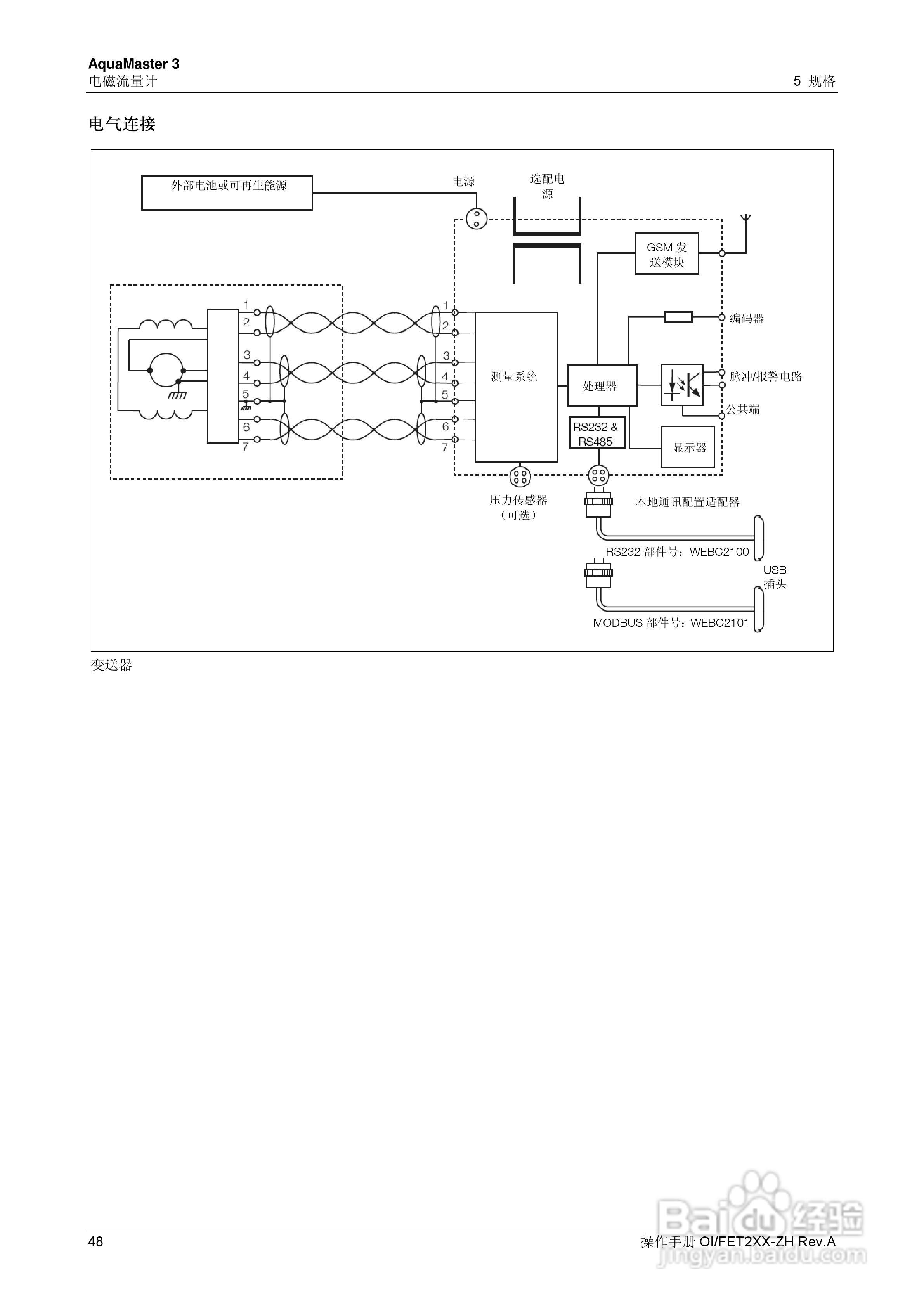
ABB AquaMaster 3电磁水表操作手册:[5]
2026-04-23 04:40:37
本篇为《ABB AquaMaster 3电磁水表操作手册》,主要介绍该产品的使用方法以及常见故障解决方案。
(共篇)
上一篇:
|
下一篇:
声明:
本网站引用、摘录或转载内容仅供网站访问者交流或参考,不代表本站立场,如存在版权或非法内容,请联系站长删除,联系邮箱:site.kefu@qq.com。
相关推荐
ABB AquaMaster 3电磁水表操作手册:[3]
阅读量:163
ABB AquaMaster 3电磁水表操作手册:[1]
阅读量:29
ABB低压电机使用手册
阅读量:155
ABB DCS800直流驱动器中文手册:[3]
阅读量:164
如何连接ABB中间继电器
阅读量:178
猜你喜欢
不知好歹的意思
菠菜和什么不能同吃
什么是qfii
跑步穿什么鞋好
什么是三魂七魄
什么是小正太
总成是什么意思
摆摊卖什么挣钱
国三车什么时候淘汰
ai用什么打开
猜你喜欢
嗦牛子是什么意思
completely是什么意思
xxoo是什么意思
凤凰男是什么意思
什么叫活动
俑是什么意思
next是什么意思
按兵不动的意思
什么是小太妹
2是什么意思