小度生活
首页
美食营养
手工爱好
生活家居
返回
小度生活
首页
美食营养
游戏数码
手工爱好
生活家居
健康养生
运动户外
职场理财
情感交际
母婴教育
时尚美容
知识问答
生活知识
生活百科
搜索
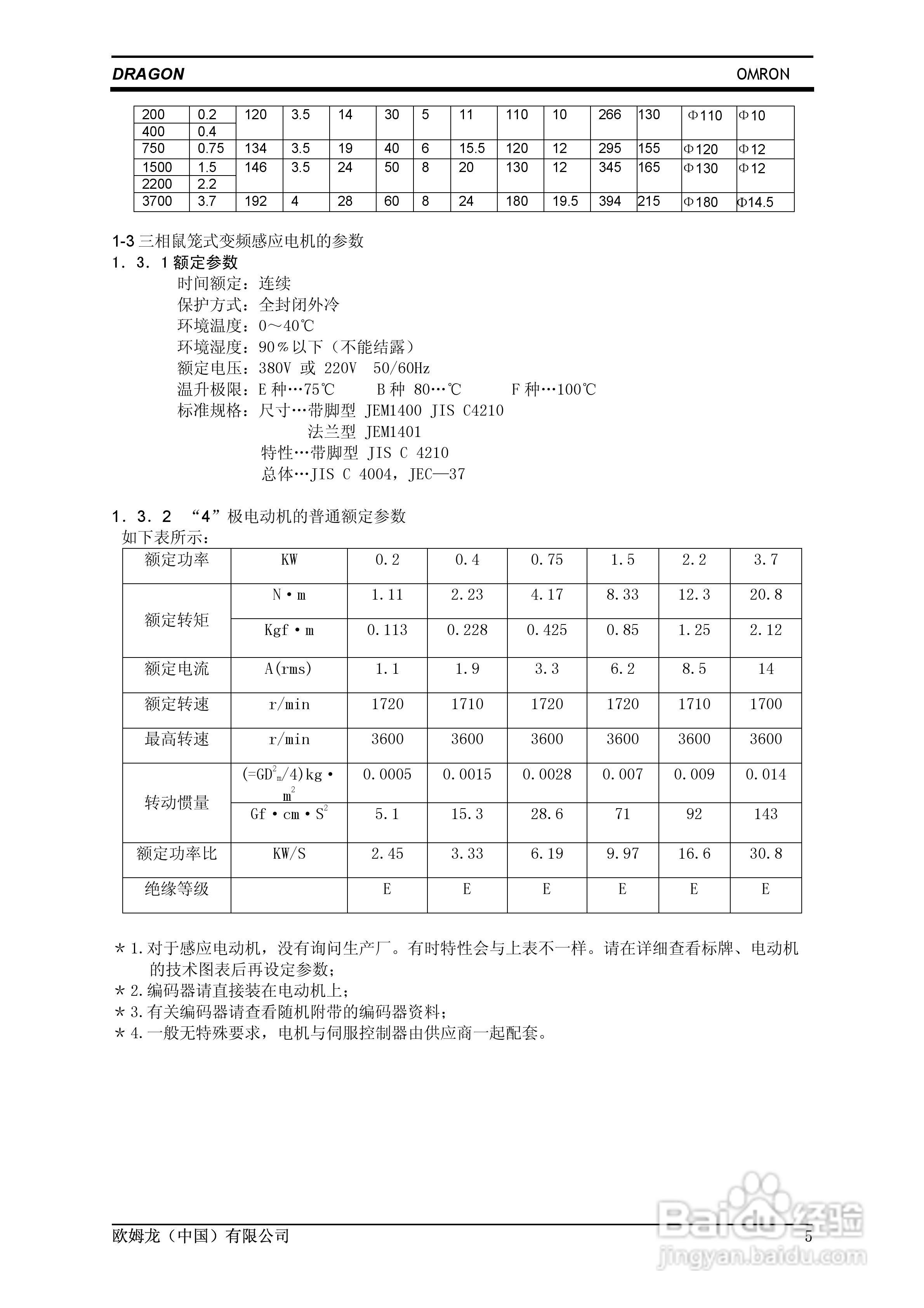
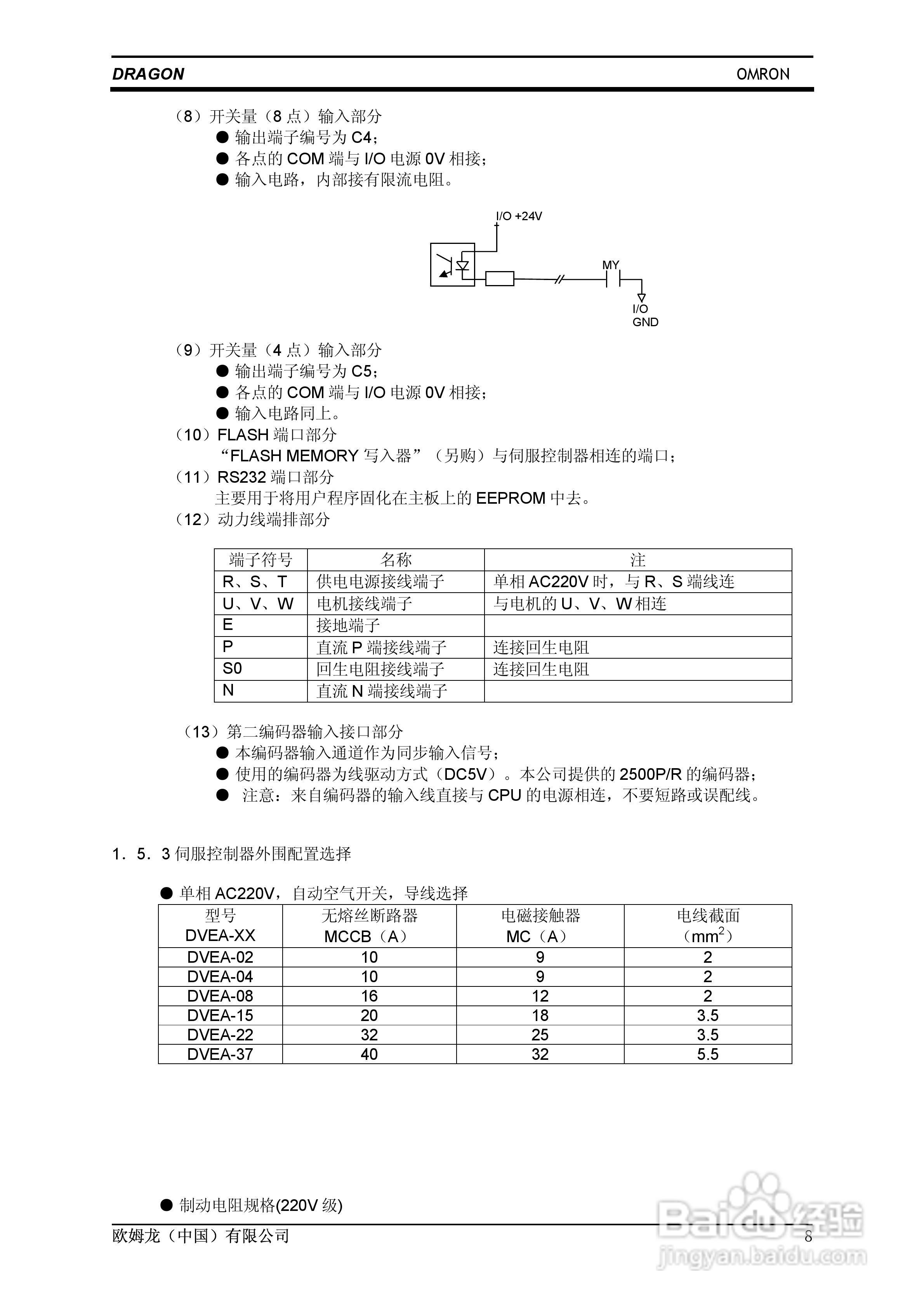
欧姆龙 SERVO鼠笼式电机变频伺服控制器操作手册:[1]
2026-05-11 11:03:05
本篇为《欧姆龙 SERVO鼠笼式电机变频伺服控制器操作手册》,主要介绍该产品的使用方法以及常见故障解决方案。
(共篇)
下一篇:
声明:
本网站引用、摘录或转载内容仅供网站访问者交流或参考,不代表本站立场,如存在版权或非法内容,请联系站长删除,联系邮箱:site.kefu@qq.com。
相关推荐
欧姆龙低频治疗仪功能使用
阅读量:64
欧姆龙 PLC 触摸屏 简单学习笔记
阅读量:116
欧姆龙软件安装教程
阅读量:54
直接查看欧姆龙程序各种密码的方法
阅读量:89
欧姆龙继电器如何接线才好?
阅读量:142
猜你喜欢
地级市是什么意思
慈禧的秘密生活下载
专升本需要考些什么科目
冲气娃娃怎么用
申请书如何写
大括号怎么放大
我也是生活的主角作文
奢侈生活
1993年属鸡是什么命
如何设置网络共享
猜你喜欢
生活垃圾处理设备
风光370怎么样
薏米粉怎么吃
怎么给手机重装系统
如何预防脑梗塞
明星生活照
如何让ppt自动播放
如何领取失业保险金
tag是什么意思啊
怎么解除微信手机绑定