小度生活
首页
美食营养
手工爱好
生活家居
返回
小度生活
首页
美食营养
游戏数码
手工爱好
生活家居
健康养生
运动户外
职场理财
情感交际
母婴教育
时尚美容
知识问答
生活知识
生活百科
搜索
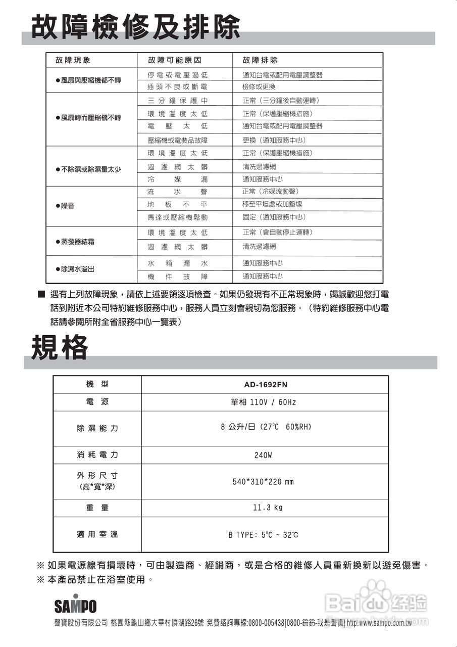
声宝AD-1692FN型微电脑式除湿机说明书
2026-05-07 12:39:34
声明:
本网站引用、摘录或转载内容仅供网站访问者交流或参考,不代表本站立场,如存在版权或非法内容,请联系站长删除,联系邮箱:site.kefu@qq.com。
相关推荐
ZBL-R800/ZBL-R630A/ZBL-C310A钢筋位置测定仪使用说明:[8]
阅读量:158
TortoiseSVN | 修改对比
阅读量:139
海信TLM3207U液晶彩电使用说明书:[2]
阅读量:156
宏基P5271投影使用说明书:[2]
阅读量:159
ZX-TY056I64B-0808数字液晶产品使用说明书
阅读量:47
猜你喜欢
新仙剑奇侠传攻略
二陈丸减肥
猴子英文怎么写
健康有效的减肥方法
中山陵简介
魔声耳机怎么样
如何快速健康减肥
21天减肥
面瘫后遗症怎么治疗
mido手表怎么样
猜你喜欢
五台山旅游攻略
红烧鸡块的家常做法
wps怎么查字数
追女生攻略
郑州减肥训练营
仙剑奇侠传1攻略
手机来电秀怎么设置
哈尔滨雪乡旅游攻略
回民街美食攻略
脸上过敏痒怎么办