小度生活
首页
美食营养
手工爱好
生活家居
返回
小度生活
首页
美食营养
游戏数码
手工爱好
生活家居
健康养生
运动户外
职场理财
情感交际
母婴教育
时尚美容
知识问答
生活知识
搜索
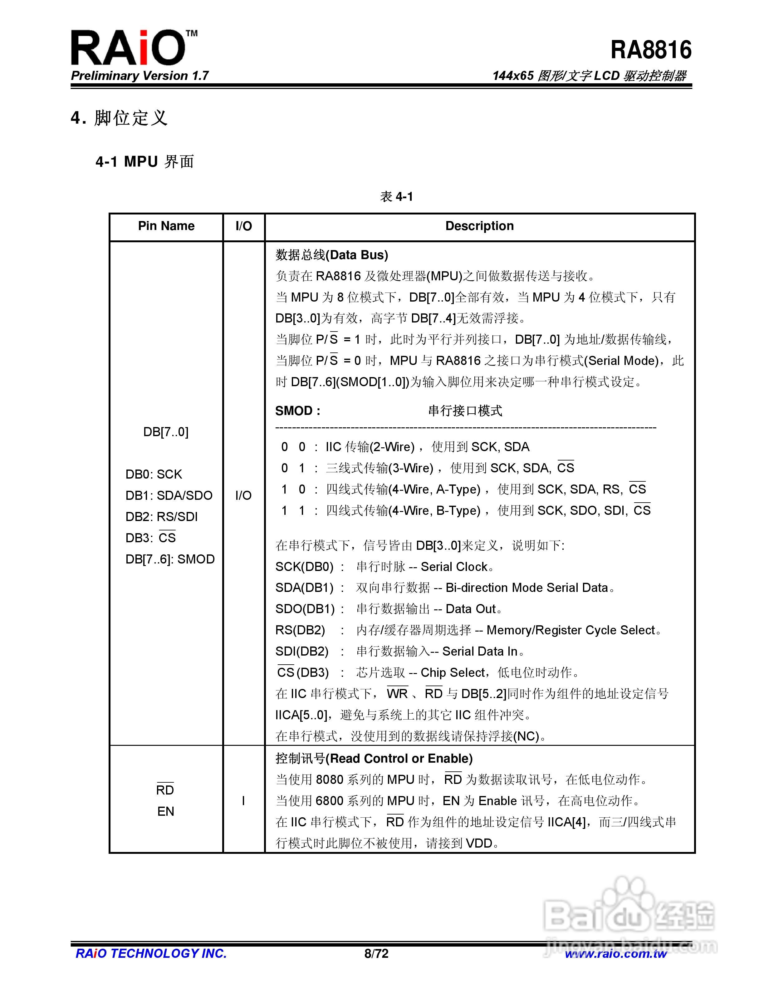
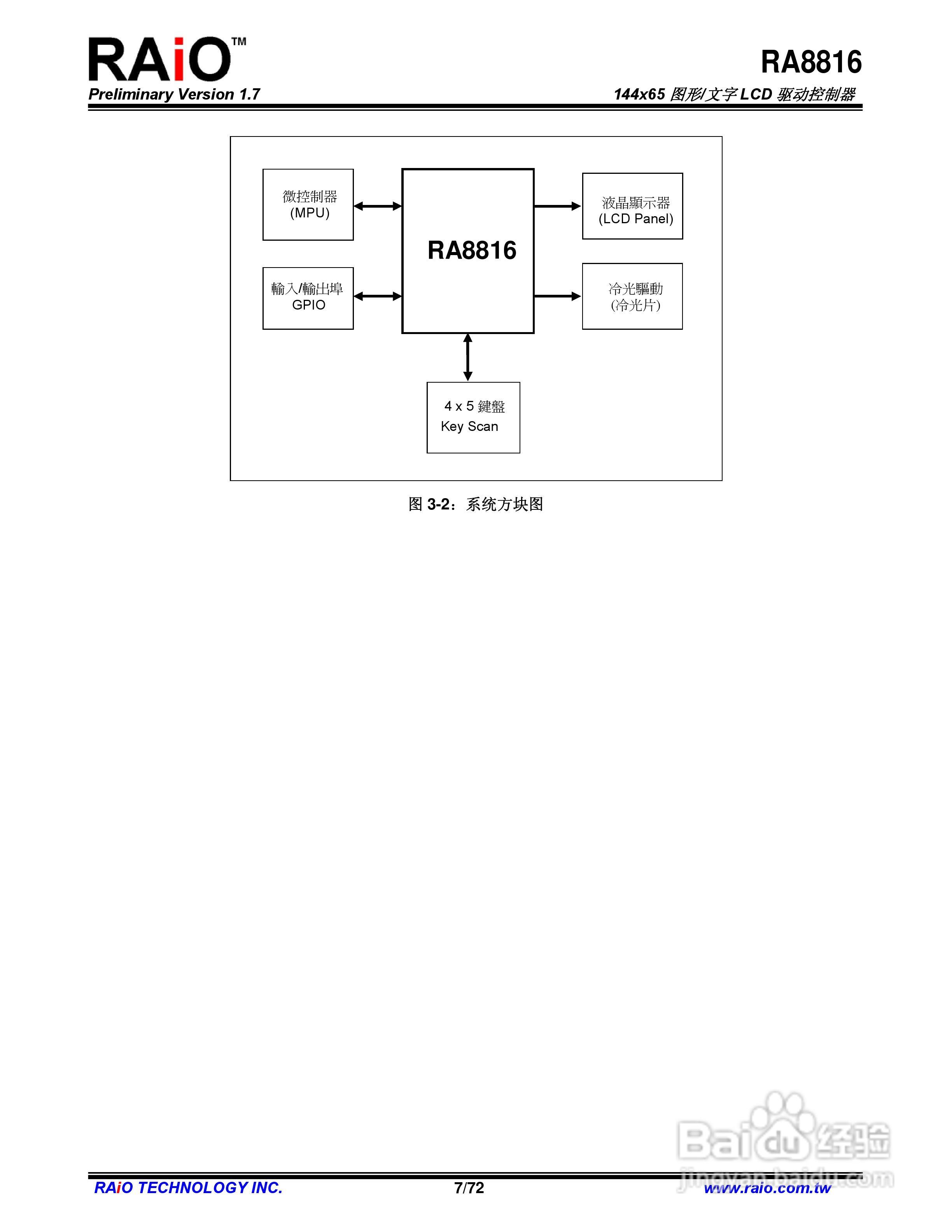
RAiO RA8816 144x65图形/文字LCD驱动控制器说明书:[1]
2025-12-29 22:52:24
本篇为《RAiO RA8816 144x65图形/文字LCD驱动控制器说明书》,主要介绍该产品的使用方法以及常见故障解决方案。
(共篇)
下一篇:
声明:
本网站引用、摘录或转载内容仅供网站访问者交流或参考,不代表本站立场,如存在版权或非法内容,请联系站长删除,联系邮箱:site.kefu@qq.com。
相关推荐
RAiO RA8816 144x65图形/文字LCD驱动控制器说明书:[8]
阅读量:100
ROTEL RA-985BT综合扩大机说明书:[6]
阅读量:181
ROTEL RA-985BT综合扩大机说明书:[1]
阅读量:118
西门子6RA80直调BOP20调试记录
阅读量:113
RA如何做好医疗器械的注册工作
阅读量:30
猜你喜欢
什么是数轴
hide是什么意思
我的理想是什么
什么叫事业单位
早搏是什么意思
8月15日是什么节日
7月17日是什么日子
john是什么意思
毫无违和感是什么意思
什么是搜索引擎
猜你喜欢
手指发麻是什么原因
1966年是什么命
猴配什么生肖最好
立秋节气的含义是什么
醍醐灌顶什么意思
4月1日是什么节日啊
311什么意思
1.5t和1.5l有什么区别
怀孕什么不能吃
雌激素是什么