小度生活
首页
美食营养
手工爱好
生活家居
返回
小度生活
首页
美食营养
游戏数码
手工爱好
生活家居
健康养生
运动户外
职场理财
情感交际
母婴教育
时尚美容
知识问答
生活知识
搜索
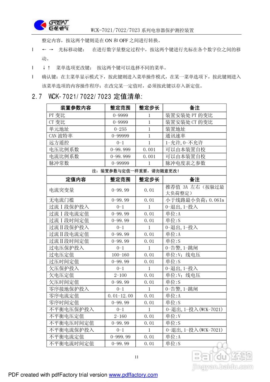
巨龙WCK-7022电容器保护测控装置说明书:[2]
2026-01-14 02:56:36
本篇为《巨龙WCK-7022电容器保护测控装置说明书》,主要介绍该产品的使用方法以及常见故障解决方案。
(共篇)
上一篇:
声明:
本网站引用、摘录或转载内容仅供网站访问者交流或参考,不代表本站立场,如存在版权或非法内容,请联系站长删除,联系邮箱:site.kefu@qq.com。
相关推荐
巨龙电气 WCK-7011/7012 馈线/线路保护测控装置说明书:[1]
阅读量:33
SONY索尼 VPC-SA4笔记本电脑说明书:[8]
阅读量:144
绝地求生BE错误998怎么办
阅读量:56
sjzl20061674-ZXR10 GER通用高性能路由器安装手册:[1]
阅读量:99
东芝A5509T手机使用说明书:[1]
阅读量:54
猜你喜欢
蟑螂怎么产生的
生活启示录结局
show是什么意思英语
电脑截图快捷键ctrl加什么
etc怎么办理多少钱
aed是什么意思
如何给文件夹设密码
克隆是什么意思
鼠标自动点击怎么办
赛尔号乱斗怎么打
猜你喜欢
慈禧秘密生活电影
孕妇睡不着觉怎么办
梦见发大水了是什么征兆
小额贷款利息怎么算
如何去除斑点
怂是什么意思
如何永久脱毛
20岁的秘密生活
豆豆鞋怎么搭配
洛克王国怎么超进化