小度生活
首页
美食营养
手工爱好
生活家居
返回
小度生活
首页
美食营养
游戏数码
手工爱好
生活家居
健康养生
运动户外
职场理财
情感交际
母婴教育
时尚美容
知识问答
生活知识
搜索
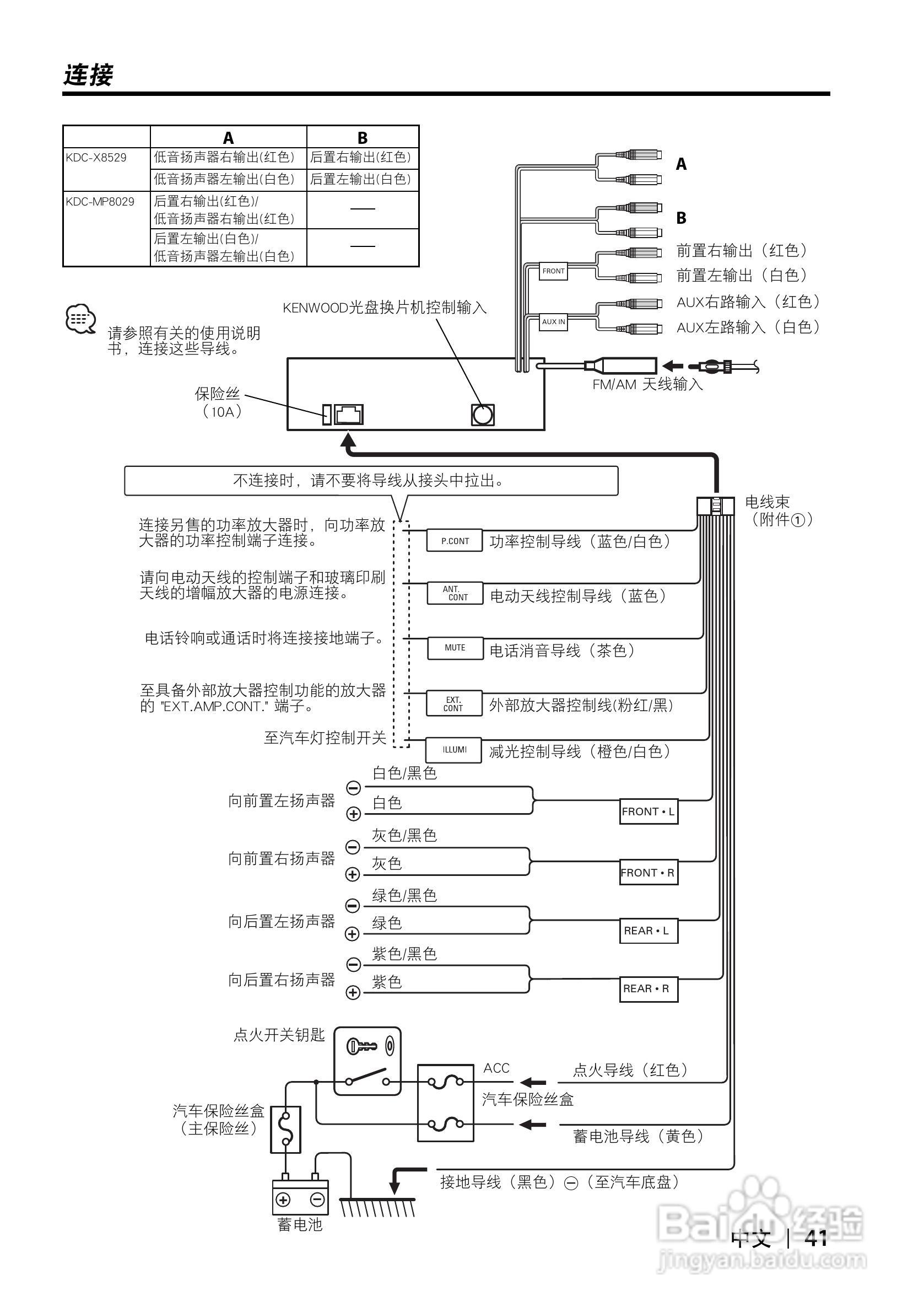
KDC-X8529 KDC-MP8029 CD接收机使用说明书:[5]
2025-10-10 04:02:41
本篇为《KDC-X8529 KDC-MP8029 CD接收机使用说明书》,主要介绍该产品的使用方法以及常见故障解决方案。
(共篇)
上一篇:
|
下一篇:
声明:
本网站引用、摘录或转载内容仅供网站访问者交流或参考,不代表本站立场,如存在版权或非法内容,请联系站长删除,联系邮箱:site.kefu@qq.com。
相关推荐
KDC-X8529 KDC-MP8029 CD接收机使用说明书:[2]
阅读量:31
KENWOOD KDC-MP6036 CD接收机使用说明书:[2]
阅读量:117
KENWOOD KDC-MP6036 CD接收机使用说明书:[1]
阅读量:31
KENWOOD KDC-MP4026/KDC-MP4026G CD接收机使用说明书:[2]
阅读量:63
KENWOOD CD接收机KDC-X8006U 使用说明书:[3]
阅读量:113
猜你喜欢
怎么去脂肪粒
鄱阳怎么读
cad怎么标注文字
家里有蜈蚣怎么办
牛鞭怎么吃才壮阳
血压压差大是怎么回事
兰蔻粉水怎么用
坦克世界怎么玩
经常拉肚子怎么回事
杨梅吃多了会怎么样
猜你喜欢
怎么更改电脑用户名
aoe的o怎么读
word怎么制作表格
汉堡包用英语怎么说
肝郁气滞怎么调理
bicycle怎么读
肉刺怎么去除
march怎么读
手心出汗是怎么回事
wifi密码怎么设置