小度生活
首页
美食营养
手工爱好
生活家居
返回
小度生活
首页
美食营养
游戏数码
手工爱好
生活家居
健康养生
运动户外
职场理财
情感交际
母婴教育
时尚美容
知识问答
生活知识
搜索
苏州迅鹏SPB-XST单通道智能数显仪使用手册:[4]
2026-02-05 07:44:28
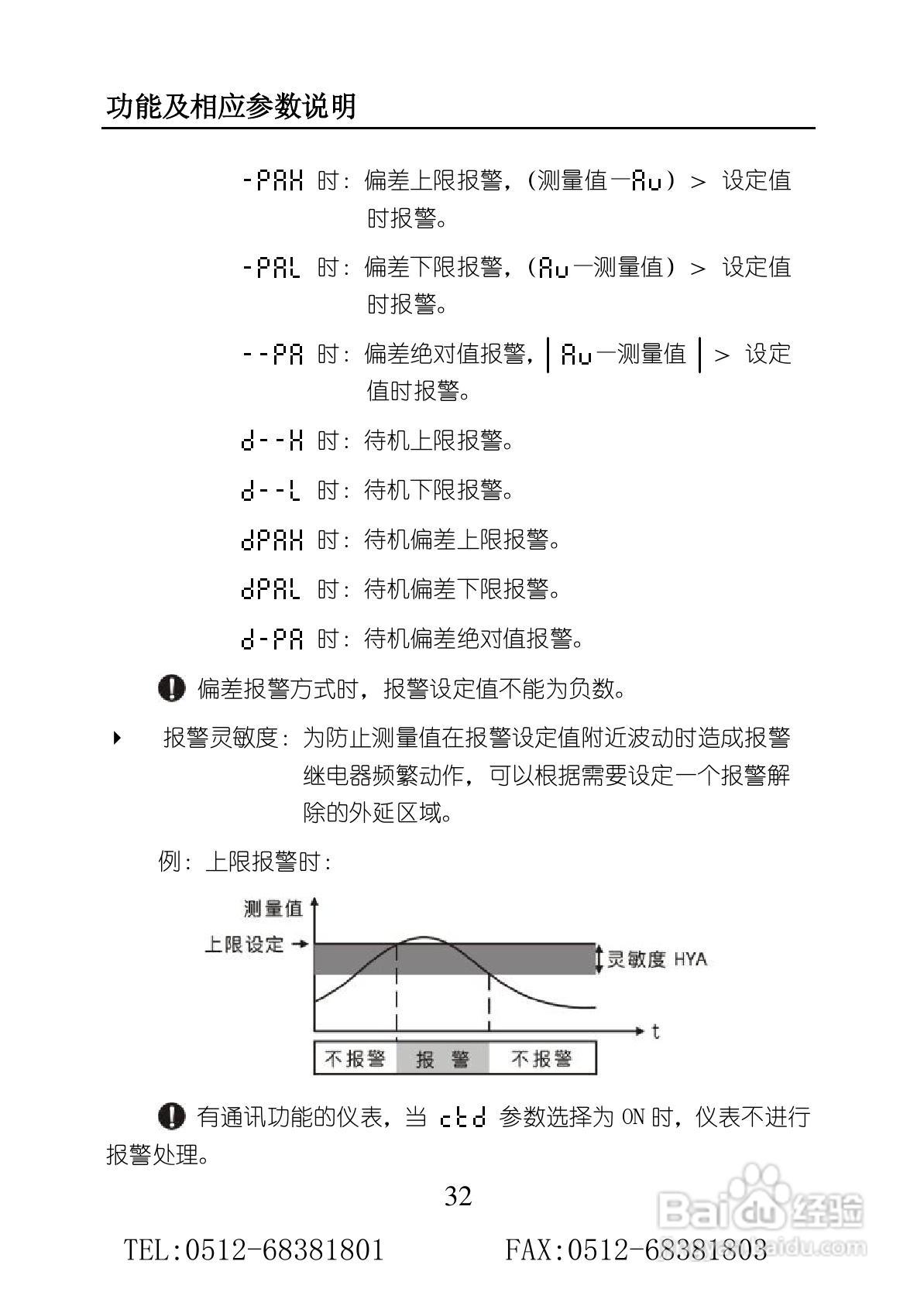
本篇为《苏州迅鹏SPB-XST单通道智能数显仪使用手册》,主要介绍该产品的使用方法以及常见故障解决方案。
(共篇)
上一篇:
|
下一篇:
声明:
本网站引用、摘录或转载内容仅供网站访问者交流或参考,不代表本站立场,如存在版权或非法内容,请联系站长删除,联系邮箱:site.kefu@qq.com。
相关推荐
苏州迅鹏SPB-XST单通道智能数显仪使用手册:[1]
阅读量:77
苏州迅鹏SPB-XSE高精度数显仪表使用手册:[4]
阅读量:185
苏州迅鹏SPB-XSD多通道数字仪表使用手册:[1]
阅读量:110
苏州迅鹏SPB-XSD多通道数字仪表使用手册:[5]
阅读量:132
苏州迅鹏SPB-XSD多通道数字仪表使用手册:[2]
阅读量:164
猜你喜欢
昆明有什么好玩的
slogan是什么意思
脚后跟疼什么原因
白喉是什么病
custom是什么意思
中级职称有什么用
output是什么意思
什么叫容积率
url什么意思
抖包袱是什么意思
猜你喜欢
华为运动健康app
melody是什么意思
想不到这一生到底是图什么求歌名
计划生育什么时候开始的
黔驴技穷什么意思
宫颈tct检查是什么
gq是什么意思
画蛇添足的意思是什么
血友病是什么
cube是什么意思