相量图法分析正弦交流电路实例
1、【用相量图法分析正弦电路的步骤】
(1)选择参考相量,串联电路以电流为参考相量,并联电路以电压为参考相量
(2)根据参考相量,由已知条件和依据确定有关电流和电压间的关系,定性画出相量图
(3)利用相量图的几何关系,求得所需的电流、电压的相量或其他值
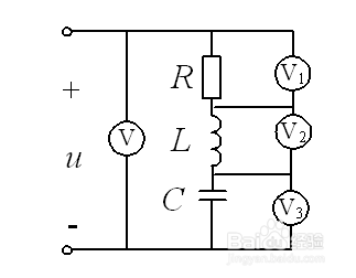
【实例】图示RLC串联交流电路,V1表读数为3V,V2表读数为8V,V3表读数为4V,试用相量图法求解V表的读数并判断电路的性质。

2、RLC串联电路,以电流作为参考相量,作出相量图

3、由相量图可得

4、所以可知电压表的读数为5V,由相量图可直接看出电压超前于电流,所以电路呈现感性。如果不用相量图法,来看看如何分析求解这个问题

5、根据基尔霍夫电压定律可知

6、可得V表的读数为5V,电路呈现感性。对比两种解法,对于此类问题用相量图法求解较为简单。
声明:本网站引用、摘录或转载内容仅供网站访问者交流或参考,不代表本站立场,如存在版权或非法内容,请联系站长删除,联系邮箱:site.kefu@qq.com。
阅读量:178
阅读量:84
阅读量:120
阅读量:160
阅读量:126