小度生活
首页
美食营养
手工爱好
生活家居
返回
小度生活
首页
美食营养
游戏数码
手工爱好
生活家居
健康养生
运动户外
职场理财
情感交际
母婴教育
时尚美容
知识问答
生活知识
生活百科
搜索
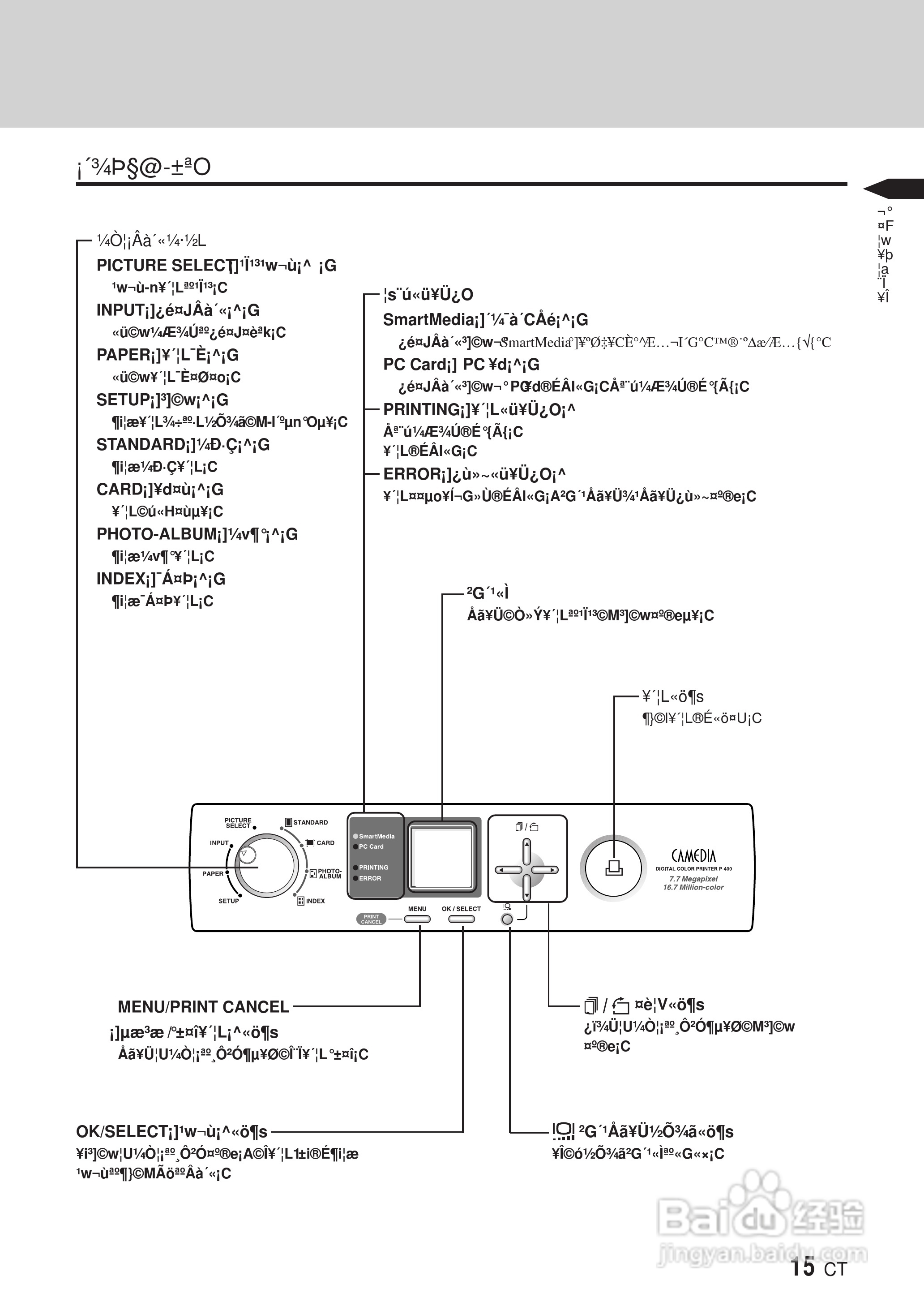
PLYMPUS P-400打印机使用说明书:[2]
2026-04-23 06:25:32
本篇为《PLYMPUS P-400打印机使用说明书》,主要介绍该产品的使用方法以及常见故障解决方案。
(共篇)
上一篇:
|
下一篇:
声明:
本网站引用、摘录或转载内容仅供网站访问者交流或参考,不代表本站立场,如存在版权或非法内容,请联系站长删除,联系邮箱:site.kefu@qq.com。
相关推荐
PLYMPUS P-400打印机使用说明书:[9]
阅读量:144
PLYMPUS P-400打印机使用说明书:[12]
阅读量:192
打印机显示脱机怎么办
阅读量:141
PLYMPUS P-400打印机使用说明书:[16]
阅读量:33
PLYMPUS P-400打印机使用说明书:[11]
阅读量:172
猜你喜欢
昂是什么意思
什么是虹吸式马桶
嫉妒的意思
有什么好听的音乐
普洱熟茶的功效与作用
美白用什么
925银是什么意思
great是什么意思
什么是快闪
按摩睾丸有什么好处
猜你喜欢
茶叶的作用
变速自行车什么牌子好
居高临下的意思
羌笛何须怨杨柳春风不度玉门关的意思
什么是教育技术
乌合之众的意思
什么是海淘
六经指什么
安吉白茶的功效与作用
cis是什么意思