CHC-300A电容高度控制器使用说明书:[1]
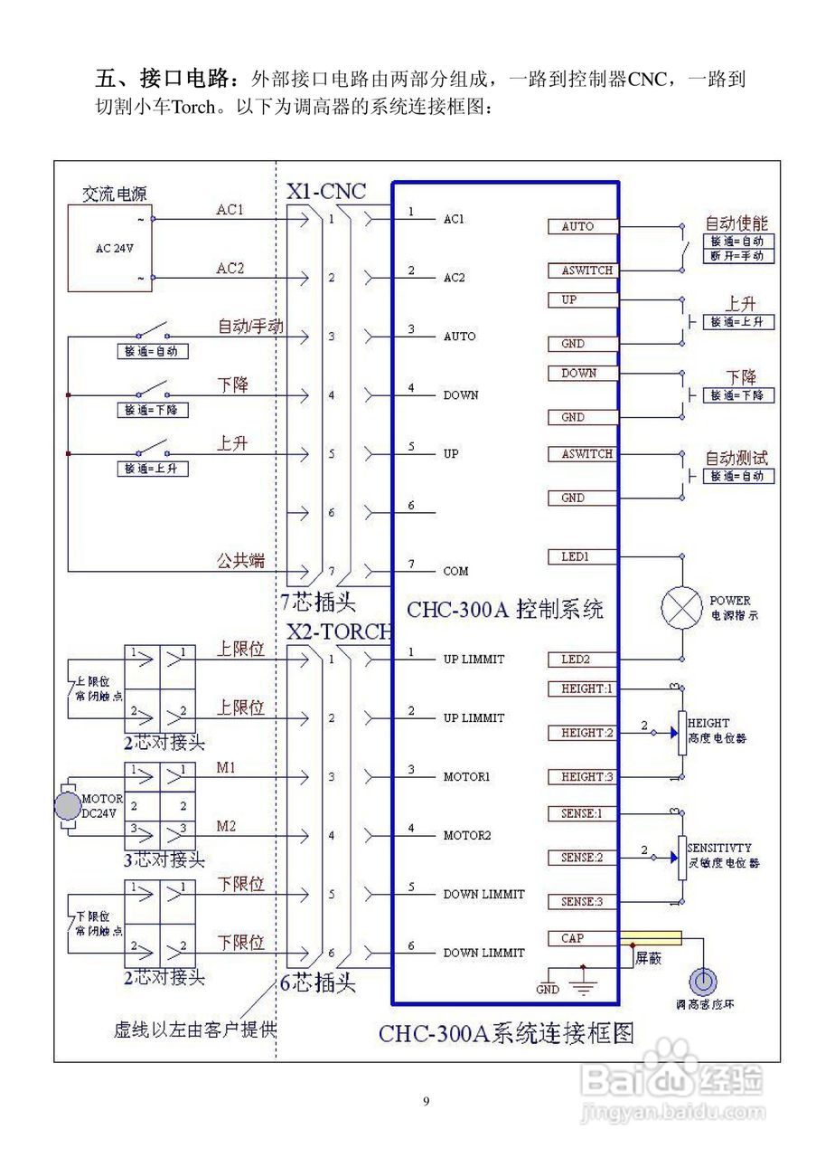
本篇为《CHC-300A电容高度控制器使用说明书》,主要介绍该产品的使用方法以及常见故障解决方案。
![CHC-300A电容高度控制器使用说明书:[1]](https://exp-picture.cdn.bcebos.com/a68c126efbf202b37059afce30f4da5873dadb26.jpg)
![CHC-300A电容高度控制器使用说明书:[1]](https://exp-picture.cdn.bcebos.com/739bc049610f8b56a08a18dd9ce951e10ff8d326.jpg)
![CHC-300A电容高度控制器使用说明书:[1]](https://exp-picture.cdn.bcebos.com/5917cb3da824d8e9da5c8dd3da598540112ac826.jpg)
![CHC-300A电容高度控制器使用说明书:[1]](https://exp-picture.cdn.bcebos.com/3fe32442a07aa0109cbdda8dbfbb19efa35f3e27.jpg)
![CHC-300A电容高度控制器使用说明书:[1]](https://exp-picture.cdn.bcebos.com/a007a9b1eef97fbd61f20206b74133bad2413327.jpg)
![CHC-300A电容高度控制器使用说明书:[1]](https://exp-picture.cdn.bcebos.com/7c84d1672b5fd5463f188ea17fd0b503c9d22427.jpg)
![CHC-300A电容高度控制器使用说明书:[1]](https://exp-picture.cdn.bcebos.com/3aae2b4f50b8b43eef5561ff7132939c2df71927.jpg)
![CHC-300A电容高度控制器使用说明书:[1]](https://exp-picture.cdn.bcebos.com/f59dbe39131fceec86575fc079c4ec9958430b27.jpg)
![CHC-300A电容高度控制器使用说明书:[1]](https://exp-picture.cdn.bcebos.com/059057299a8839138a6bda5b26bcbe2f46707c27.jpg)
![CHC-300A电容高度控制器使用说明书:[1]](https://exp-picture.cdn.bcebos.com/92174dbbf82064fbe78507948e6104a354e96f27.jpg)
声明:本网站引用、摘录或转载内容仅供网站访问者交流或参考,不代表本站立场,如存在版权或非法内容,请联系站长删除,联系邮箱:site.kefu@qq.com。
阅读量:35
阅读量:121
阅读量:139
阅读量:188
阅读量:92
本篇为《CHC-300A电容高度控制器使用说明书》,主要介绍该产品的使用方法以及常见故障解决方案。
![CHC-300A电容高度控制器使用说明书:[1]](https://exp-picture.cdn.bcebos.com/a68c126efbf202b37059afce30f4da5873dadb26.jpg)
![CHC-300A电容高度控制器使用说明书:[1]](https://exp-picture.cdn.bcebos.com/739bc049610f8b56a08a18dd9ce951e10ff8d326.jpg)
![CHC-300A电容高度控制器使用说明书:[1]](https://exp-picture.cdn.bcebos.com/5917cb3da824d8e9da5c8dd3da598540112ac826.jpg)
![CHC-300A电容高度控制器使用说明书:[1]](https://exp-picture.cdn.bcebos.com/3fe32442a07aa0109cbdda8dbfbb19efa35f3e27.jpg)
![CHC-300A电容高度控制器使用说明书:[1]](https://exp-picture.cdn.bcebos.com/a007a9b1eef97fbd61f20206b74133bad2413327.jpg)
![CHC-300A电容高度控制器使用说明书:[1]](https://exp-picture.cdn.bcebos.com/7c84d1672b5fd5463f188ea17fd0b503c9d22427.jpg)
![CHC-300A电容高度控制器使用说明书:[1]](https://exp-picture.cdn.bcebos.com/3aae2b4f50b8b43eef5561ff7132939c2df71927.jpg)
![CHC-300A电容高度控制器使用说明书:[1]](https://exp-picture.cdn.bcebos.com/f59dbe39131fceec86575fc079c4ec9958430b27.jpg)
![CHC-300A电容高度控制器使用说明书:[1]](https://exp-picture.cdn.bcebos.com/059057299a8839138a6bda5b26bcbe2f46707c27.jpg)
![CHC-300A电容高度控制器使用说明书:[1]](https://exp-picture.cdn.bcebos.com/92174dbbf82064fbe78507948e6104a354e96f27.jpg)