高功率因数电源电路
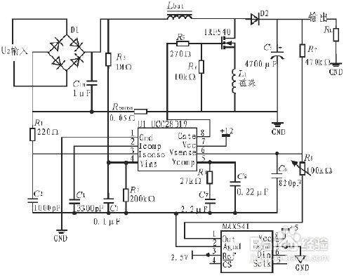
1、本系统选用CCM 模式PFC 控制器UCC28019 实现最终的功率因数校正,CCM 的输入电流畸变很小,动态响应快,不会有很高的峰值电流。该芯片通惹注雁过双闭环控制:电流内环和电压外环。电流内环的作用是控制网侧输入电流的波形和相位;电压外环的作用控制输入电流的幅度,以使输出直流电压在各种扰动下保持期望值。该控制系统具有许多系统级的保护功能,主要包括峰值电流限制、软过流保护、开环检测、输入掉电保护、输出欠压过压保护、软启动等功能。

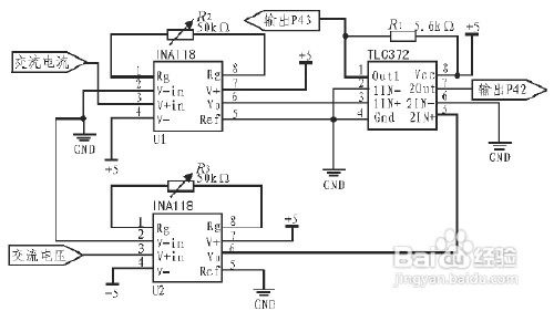
2、利用电压电流互感器分别对电压、电流信号进行提取, 然后用精密仪表放大器INA118 对电压电流进行放大至饱和,经TLC372 整形后,测出相位差,相位差Φ 的计算原理是利用输入2 路信号过零点的时间差,以及信号的频率来计算2 路信号的相位差。

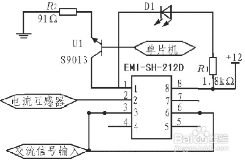
3、通过单片机实时采样输出电流,当电流过大时单片机控制继电器模块使其五侵断开,系统断电;当故障排除后测得电流值小于预设定值时单片机再次发指令使继电器闭合。电路重新正常工作。

4、本系统选用MSP430F449 低功耗单片机, 负责电压电流的相位检测、功率因数及电压电流峰值罪蕉的显示、以及相应外部请求对电压值进行调整。相位检测用MSP430 定时器的捕获功能实现。
声明:本网站引用、摘录或转载内容仅供网站访问者交流或参考,不代表本站立场,如存在版权或非法内容,请联系站长删除,联系邮箱:site.kefu@qq.com。