小度生活
首页
美食营养
手工爱好
生活家居
返回
小度生活
首页
美食营养
游戏数码
手工爱好
生活家居
健康养生
运动户外
职场理财
情感交际
母婴教育
时尚美容
知识问答
搜索
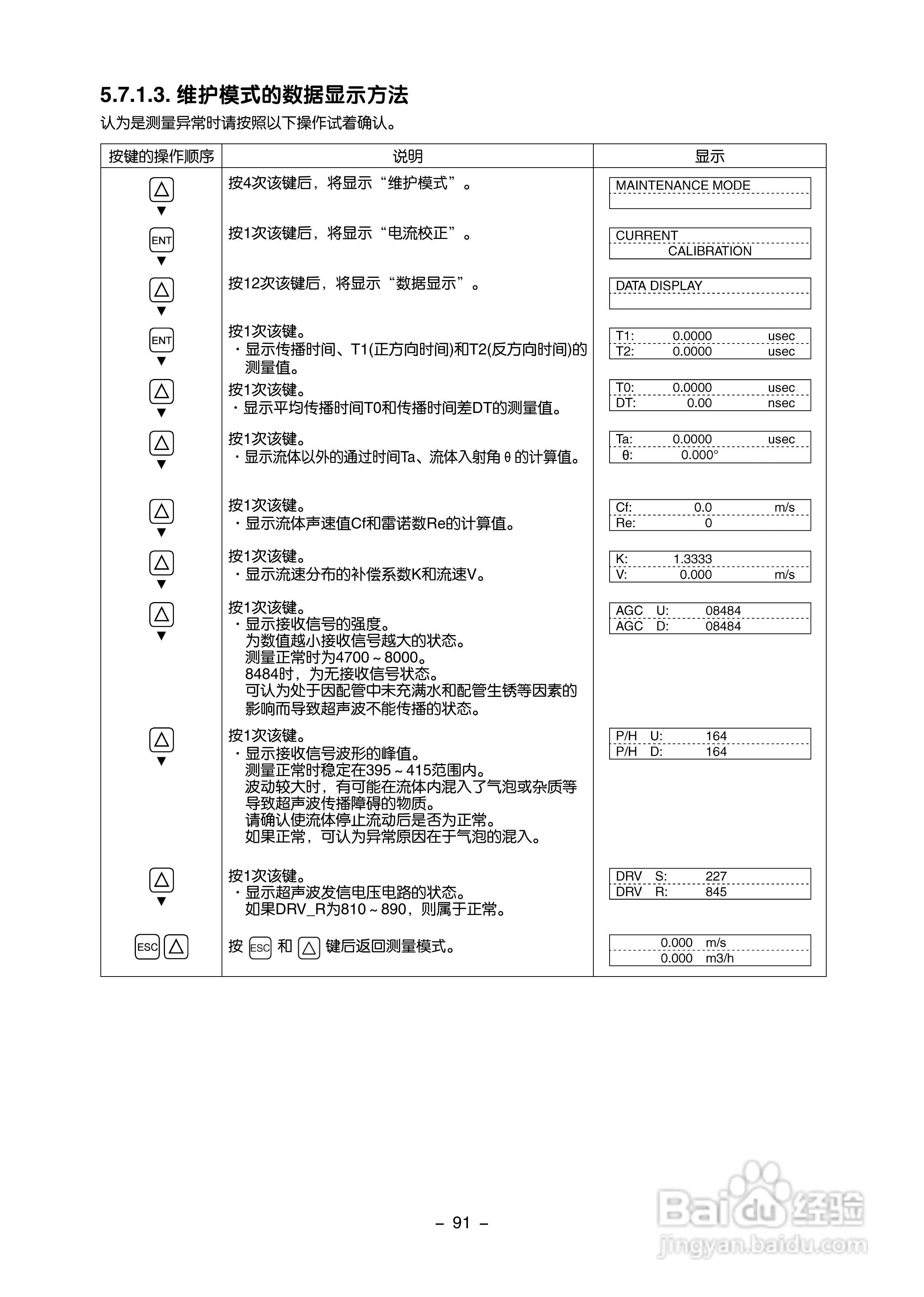
富士电机FLR/FLS/FLY超声波流量计使用说明书:[10]
2025-10-19 05:27:03
本篇为《富士电机FLR/FLS/FLY超声波流量计使用说明书》,主要介绍该产品的使用方法以及常见故障解决方案。
(共篇)
上一篇:
|
下一篇:
声明:
本网站引用、摘录或转载内容仅供网站访问者交流或参考,不代表本站立场,如存在版权或非法内容,请联系站长删除,联系邮箱:site.kefu@qq.com。
相关推荐
富士电机FLR/FLS/FLY超声波流量计使用说明书:[12]
阅读量:122
富士电机FLR/FLS/FLY超声波流量计使用说明书:[11]
阅读量:93
富士电机FLR/FLS/FLY超声波流量计使用说明书:[13]
阅读量:175
富士电机FLR/FLS/FLY超声波流量计使用说明书:[4]
阅读量:94
富士电机FLR/FLS/FLY超声波流量计使用说明书:[5]
阅读量:42
猜你喜欢
gps是什么
大料是什么
vs什么意思
新鲜的反义词是什么
什么是水印
聒噪是什么意思
1976年是什么命
23333是什么意思
又什么又什么组词
jpeg是什么格式
猜你喜欢
服从调剂是什么意思
繁华的反义词是什么
什么是承兑汇票
1.5t是什么意思
头晕是什么原因
商务专员是做什么的
311什么意思
信誓旦旦什么意思
什么牌子洗发水好用
hide是什么意思