小度生活
首页
美食营养
手工爱好
生活家居
返回
小度生活
首页
美食营养
游戏数码
手工爱好
生活家居
健康养生
运动户外
职场理财
情感交际
母婴教育
时尚美容
知识问答
生活知识
生活百科
搜索
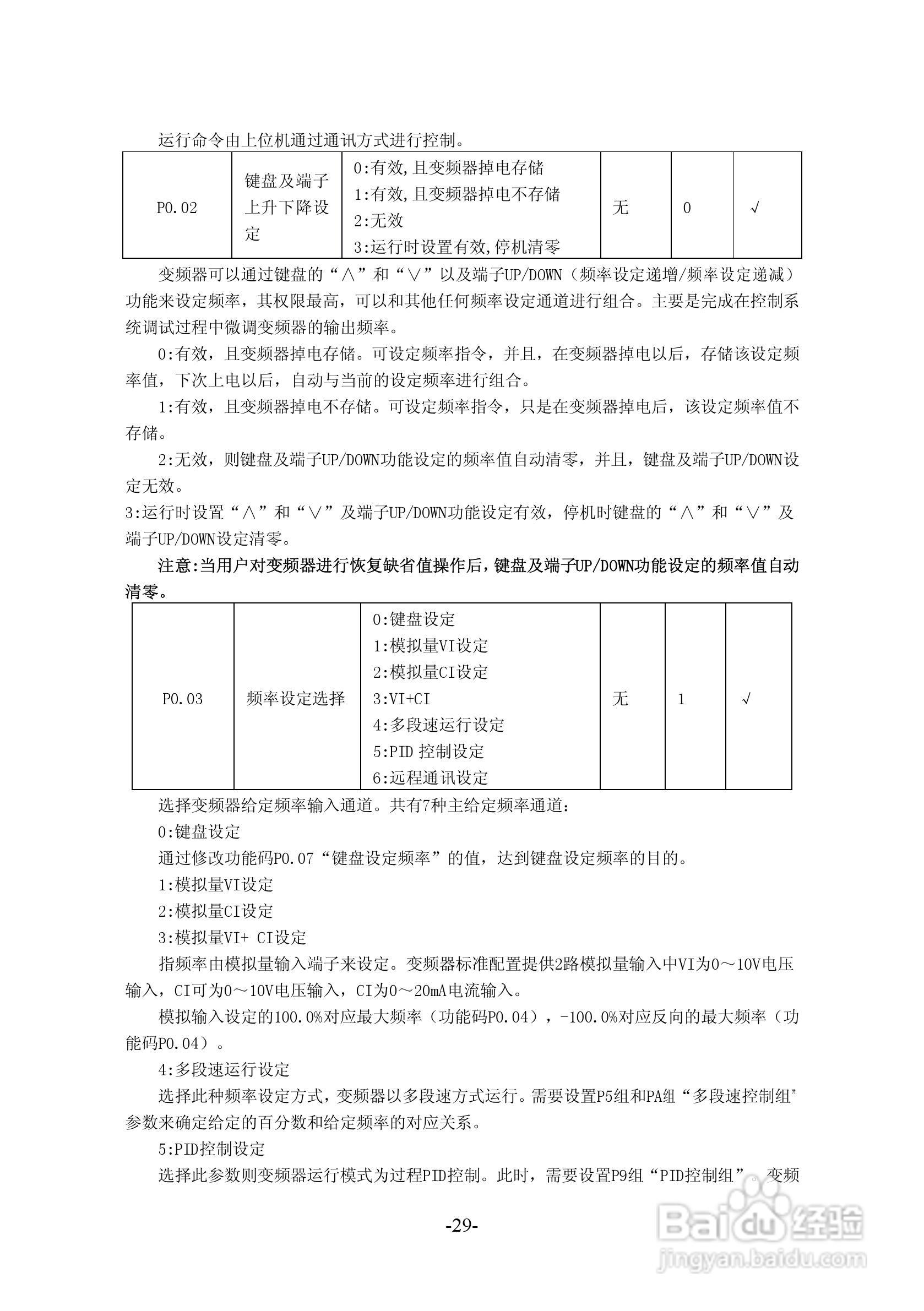
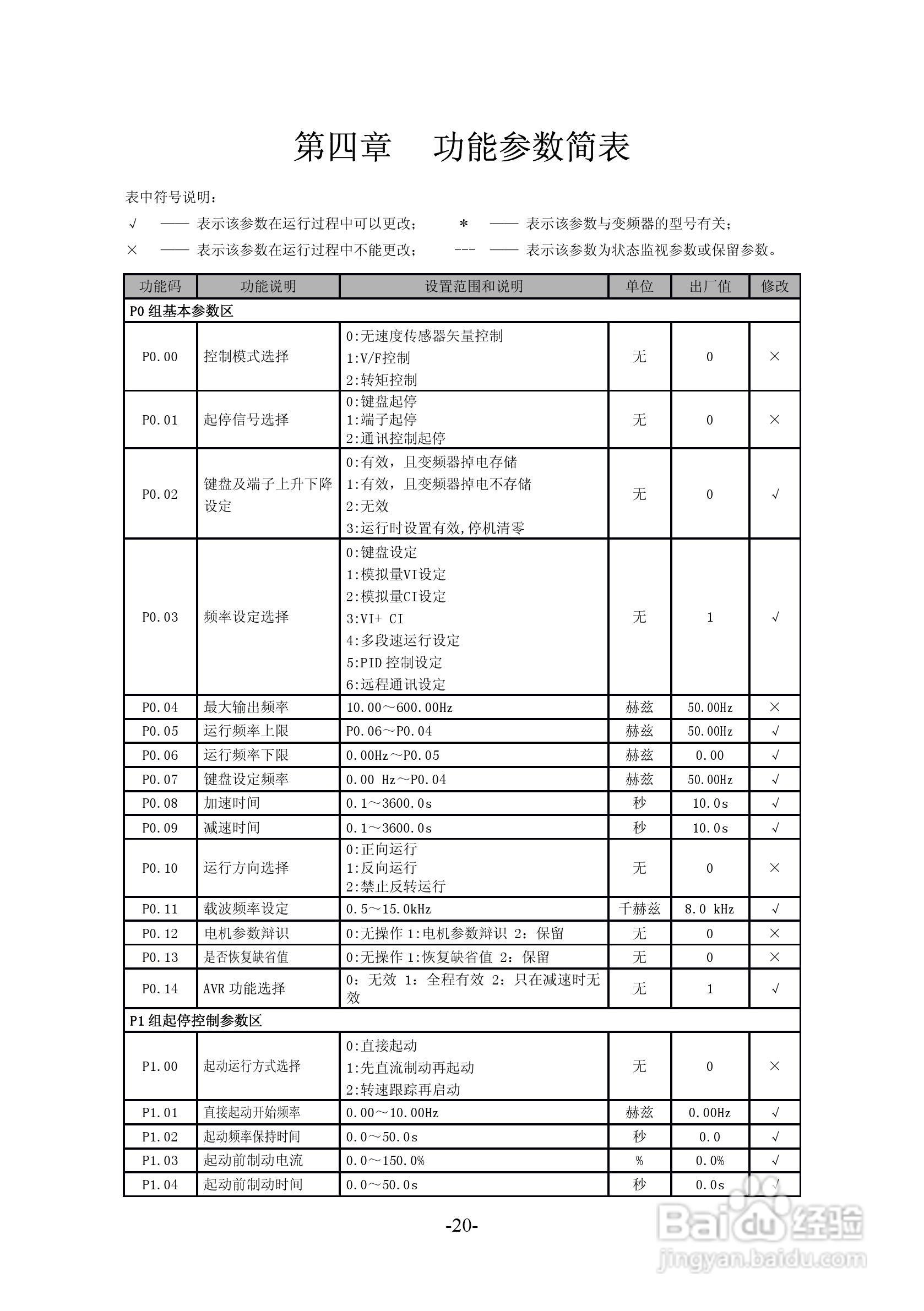
沃森VSI100-G2S0004变频器使用说明书:[3]
2026-04-03 10:40:09
本篇为《沃森VSI100-G2S0004变频器使用说明书》,主要介绍该产品的使用方法以及常见故障解决方案。
(共篇)
上一篇:
|
下一篇:
声明:
本网站引用、摘录或转载内容仅供网站访问者交流或参考,不代表本站立场,如存在版权或非法内容,请联系站长删除,联系邮箱:site.kefu@qq.com。
相关推荐
沃森VSI100-G2S0004变频器使用说明书:[6]
阅读量:145
沃森VD100-4T-3.7GB变频器使用说明书:[2]
阅读量:116
沃森VD100-4T-3.7GB变频器使用说明书:[3]
阅读量:170
沃森VD100-4T-3.7GB变频器使用说明书:[4]
阅读量:174
沃森VD100-4T-3.7GB变频器使用说明书:[1]
阅读量:108
猜你喜欢
display是什么意思
感染的意思
灰烬的意思
差强人意意思
浑水摸鱼的意思
炒鱿鱼的意思
龙之谷什么职业好玩
ps意思
海上的风像什么
拉杆箱什么品牌好
猜你喜欢
美味佳肴的意思
写信祝福语
他山之石可以攻玉的意思
婚礼祝福语大全
量贩式ktv是什么意思
download是什么意思
hero是什么意思
欣然怒放的意思是什么
入党有什么实际好处
柳树叶子像什么