小度生活
首页
美食营养
手工爱好
生活家居
返回
小度生活
首页
美食营养
游戏数码
手工爱好
生活家居
健康养生
运动户外
职场理财
情感交际
母婴教育
时尚美容
知识问答
生活知识
生活百科
搜索
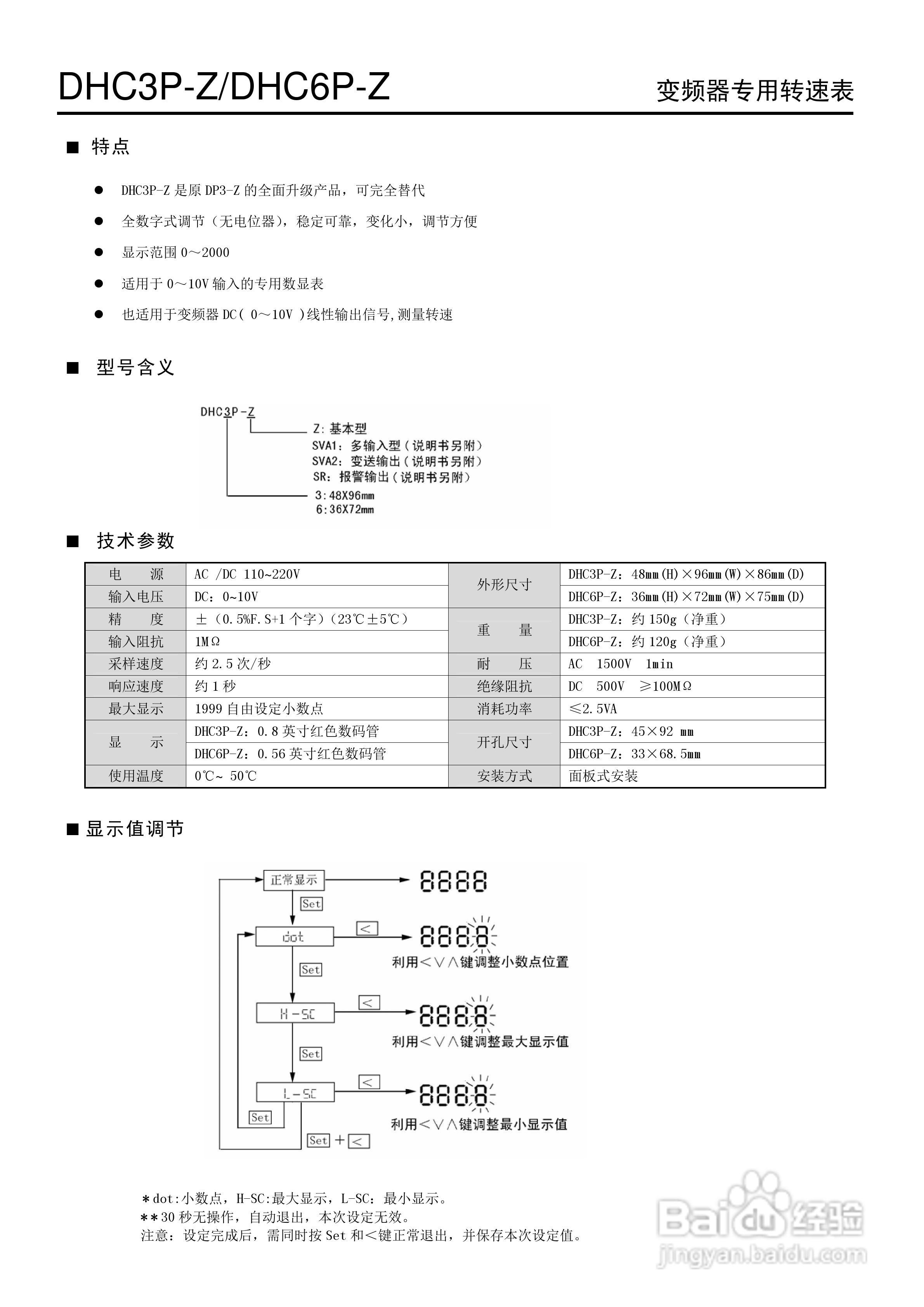
温州大华DHC3P-Z 变送器变频器专用仪表说明书
2026-05-07 02:16:10
声明:
本网站引用、摘录或转载内容仅供网站访问者交流或参考,不代表本站立场,如存在版权或非法内容,请联系站长删除,联系邮箱:site.kefu@qq.com。
相关推荐
如何搭配食堂餐(十三)
阅读量:163
奥迪A8刷ECU升级方案
阅读量:103
广州停车攻略
阅读量:161
大虾怎样做才好吃
阅读量:136
《武林Y传》武林攻略之初登门堂
阅读量:184
猜你喜欢
海虾的做法
油菜香菇的做法
椰子煲鸡汤的做法
西红柿酱的做法
家长意见怎么写
轶怎么读
清蒸排骨的家常做法
苹果手机怎么投屏到电视
五香花生的做法
苹果怎么清理内存
猜你喜欢
豌豆怎么做好吃
臊子面的做法
没关系用英语怎么说
鼻炎怎么治能除根
回锅肉的家常做法
水果披萨的做法
朋友用英语怎么说
居住证明怎么开
葳蕤怎么读
八宝饭的家常做法