小度生活
首页
美食营养
手工爱好
生活家居
返回
小度生活
首页
美食营养
游戏数码
手工爱好
生活家居
健康养生
运动户外
职场理财
情感交际
母婴教育
时尚美容
知识问答
生活知识
生活百科
搜索
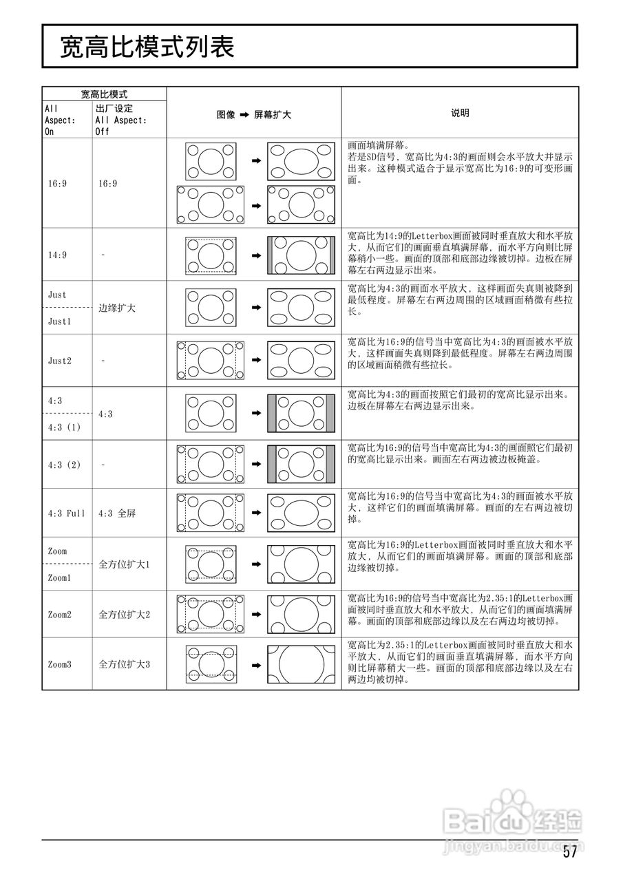
松下TH-103VX200C等离子监视器使用说明书:[6]
2026-04-22 15:11:35
/>
/>
(共篇)
上一篇:
|
下一篇:
声明:
本网站引用、摘录或转载内容仅供网站访问者交流或参考,不代表本站立场,如存在版权或非法内容,请联系站长删除,联系邮箱:site.kefu@qq.com。
相关推荐
松下TH-103VX200C等离子监视器使用说明书:[1]
阅读量:29
松下TH-103VX200C等离子监视器使用说明书:[4]
阅读量:110
松下TH-103PF12C等离子监视器使用说明书:[7]
阅读量:73
松下TH-58PF20C等离子监视器使用说明书:[6]
阅读量:46
等离子清洗机使用方法
阅读量:128
猜你喜欢
折旧方法有哪些
山药怎么做好吃又简单
去斑最有效的方法
学习英语的好方法
我的世界药水配方大全
脚鸡眼治疗方法
怎么修改图片
煮玉米怎么煮好吃
剪影怎么拍
灰指甲初期治疗方法
猜你喜欢
骨刺的最佳治疗方法
脸上祛斑方法
腋臭的治疗方法
鸡蛋炒什么菜好吃
秋海棠的养殖方法
体虚怎么调理
酸辣白菜的腌制方法
打坐的正确方法
背书方法
乔迁对联大全