小度生活
首页
美食营养
手工爱好
生活家居
返回
小度生活
首页
美食营养
游戏数码
手工爱好
生活家居
健康养生
运动户外
职场理财
情感交际
母婴教育
时尚美容
知识问答
生活知识
生活百科
搜索
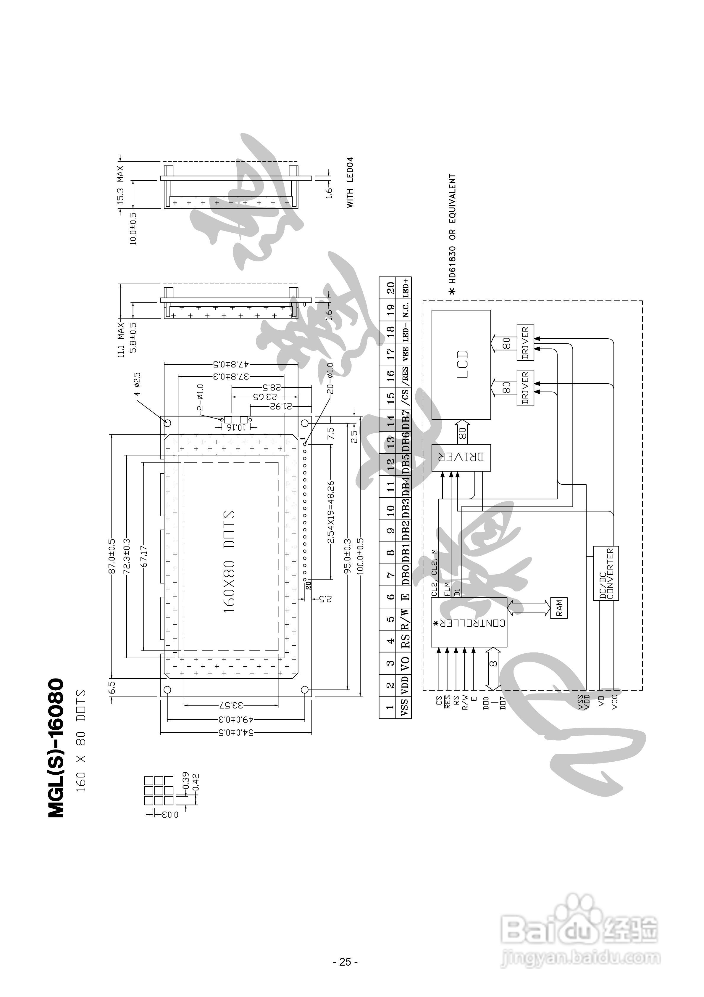
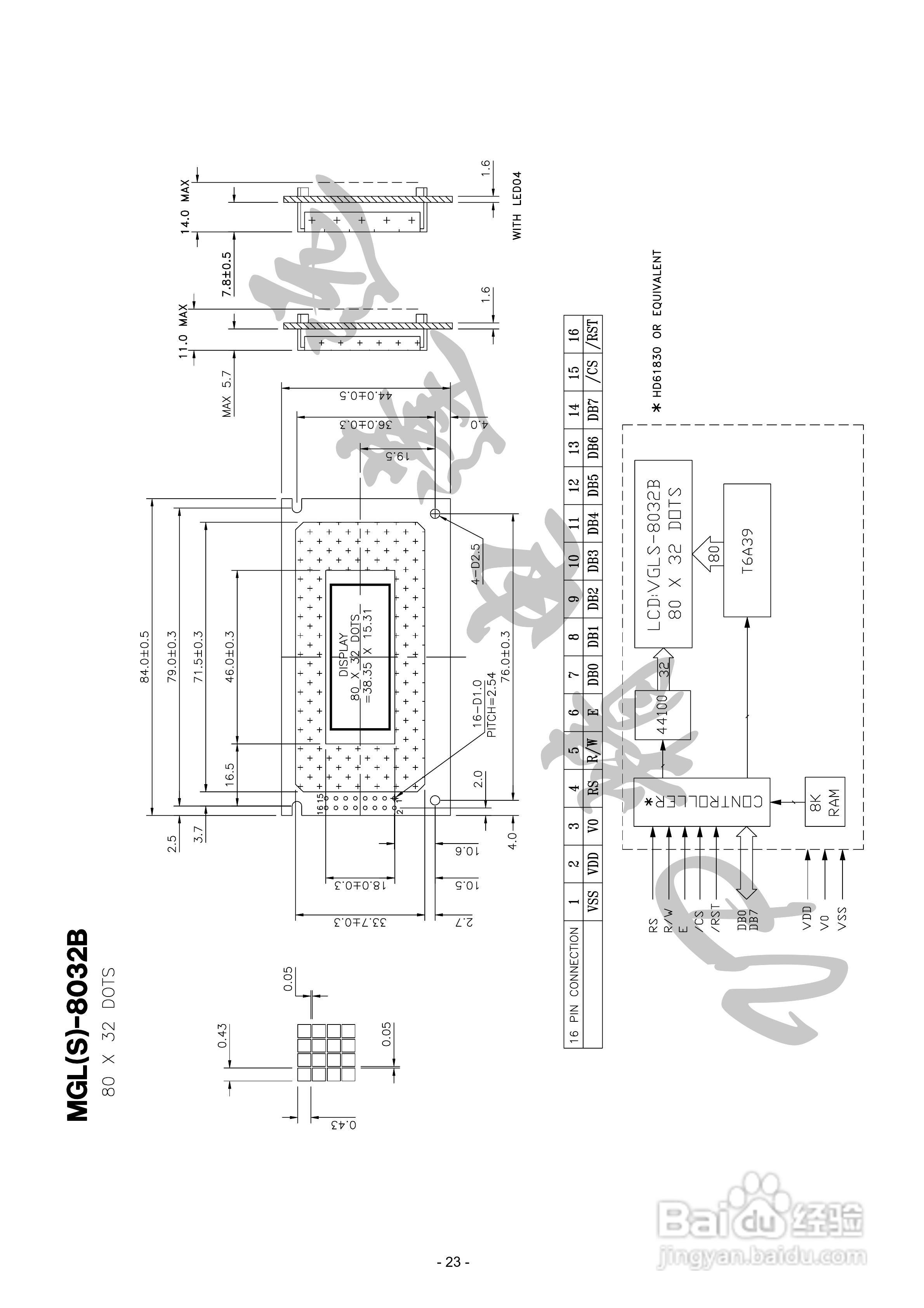
HD618300控制器图形液晶显示模块使用手册:[3]
2026-04-03 02:52:52
本篇为《HD618300控制器图形液晶显示模块使用手册》,主要介绍该产品的使用方法以及常见故障解决方案。
(共篇)
上一篇:
声明:
本网站引用、摘录或转载内容仅供网站访问者交流或参考,不代表本站立场,如存在版权或非法内容,请联系站长删除,联系邮箱:site.kefu@qq.com。
相关推荐
HD618300控制器图形液晶显示模块使用手册:[1]
阅读量:175
SED1335 控制器图形液晶显示模块使用手册:[3]
阅读量:127
TS12864A-3 图形点阵液晶显示模块使用手册:[1]
阅读量:191
JCR80HD-S智能彩色液晶显示控制模块使用手册:[2]
阅读量:150
JCR80HD-S智能彩色液晶显示控制模块使用手册:[1]
阅读量:114
猜你喜欢
施保利通片的作用
红酒知识
百令胶囊功效与作用
运动会赞词
老公生日送什么礼物好
台山有什么好玩的地方
育儿小知识
红木知识大全
人无完人什么意思
merry什么意思
猜你喜欢
吃豆腐什么意思
牛奶的功效与作用
菊粉的功效与作用
狗叫什么名字
五指毛桃根的功效与作用
防风的功效与作用
什么水果是碱性的
命硬是什么意思
亚麻籽油的功效与作用
小学生法制知识