小度生活
首页
美食营养
手工爱好
生活家居
返回
小度生活
首页
美食营养
游戏数码
手工爱好
生活家居
健康养生
运动户外
职场理财
情感交际
母婴教育
时尚美容
搜索
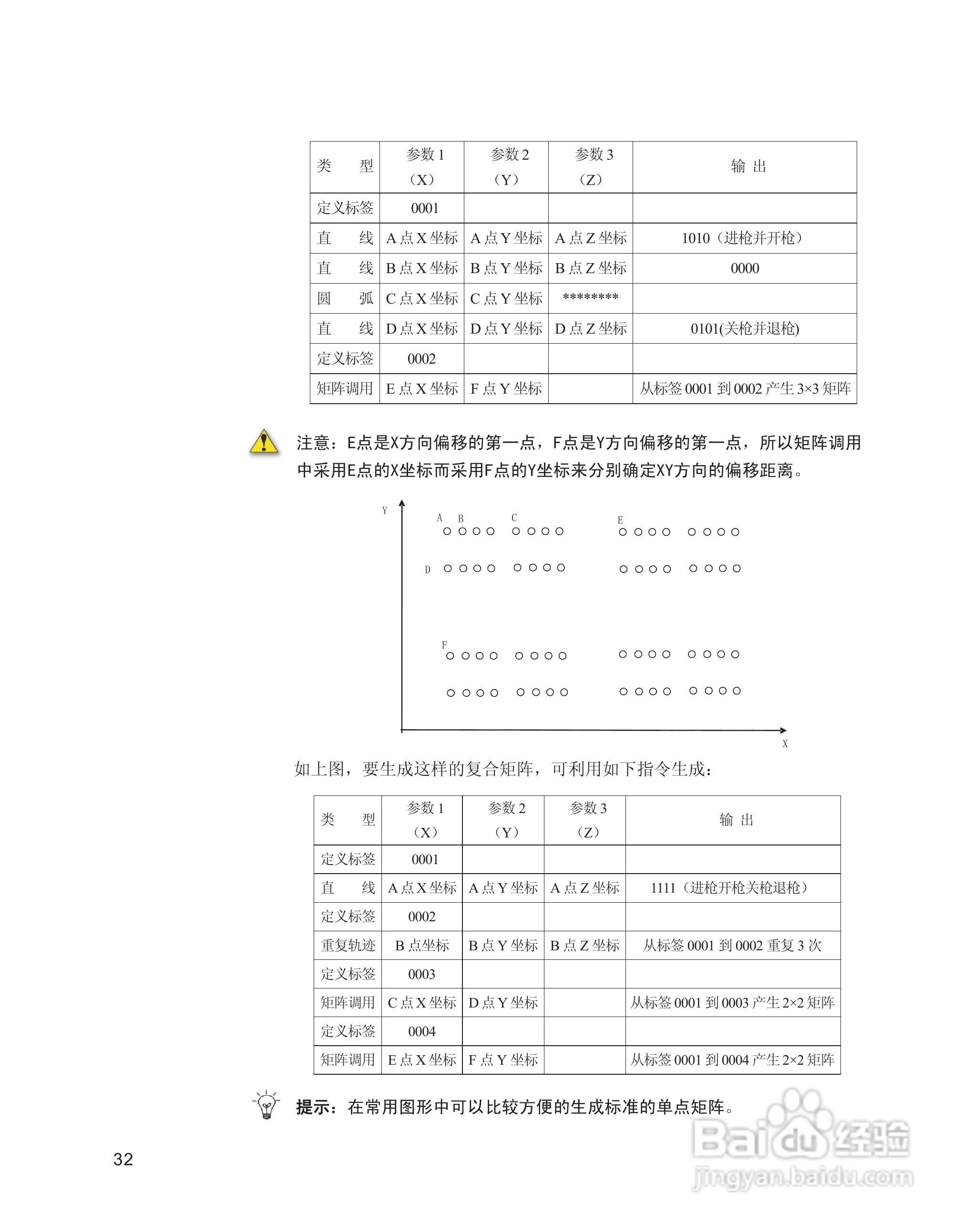
axxon AS-500三轴柜式机器人用户手册:[4]
2025-11-05 01:27:24
本篇为《axxon AS-500三轴柜式机器人用户手册》,主要介绍该产品的使用方法以及常见故障解决方案。
(共篇)
上一篇:
声明:
本网站引用、摘录或转载内容仅供网站访问者交流或参考,不代表本站立场,如存在版权或非法内容,请联系站长删除,联系邮箱:site.kefu@qq.com。
相关推荐
QQ机器人怎么用
阅读量:88
怎样画机器人
阅读量:105
手工画机器人,画机器人的方法
阅读量:150
机器人课程费用是多少
阅读量:68
如何编译机器人
阅读量:91
猜你喜欢
passion是什么意思
做梦生孩子是什么意思
世界上什么狗最厉害
孤零零的意思
香山红叶什么时间最红
固态硬盘是什么意思
脚出汗多是什么原因
新婚燕尔是什么意思
旁逸斜出的意思
十几度穿什么衣服
猜你喜欢
什么东西天气越热爬的越高
什么叫应用软件
average是什么意思
gtr是什么意思
对牛弹琴的意思
scientist是什么意思
cj是什么意思
基金是什么意思
七年之痒是什么意思
address是什么意思