小度生活
首页
美食营养
手工爱好
生活家居
返回
小度生活
首页
美食营养
游戏数码
手工爱好
生活家居
健康养生
运动户外
职场理财
情感交际
母婴教育
时尚美容
知识问答
生活知识
生活百科
搜索
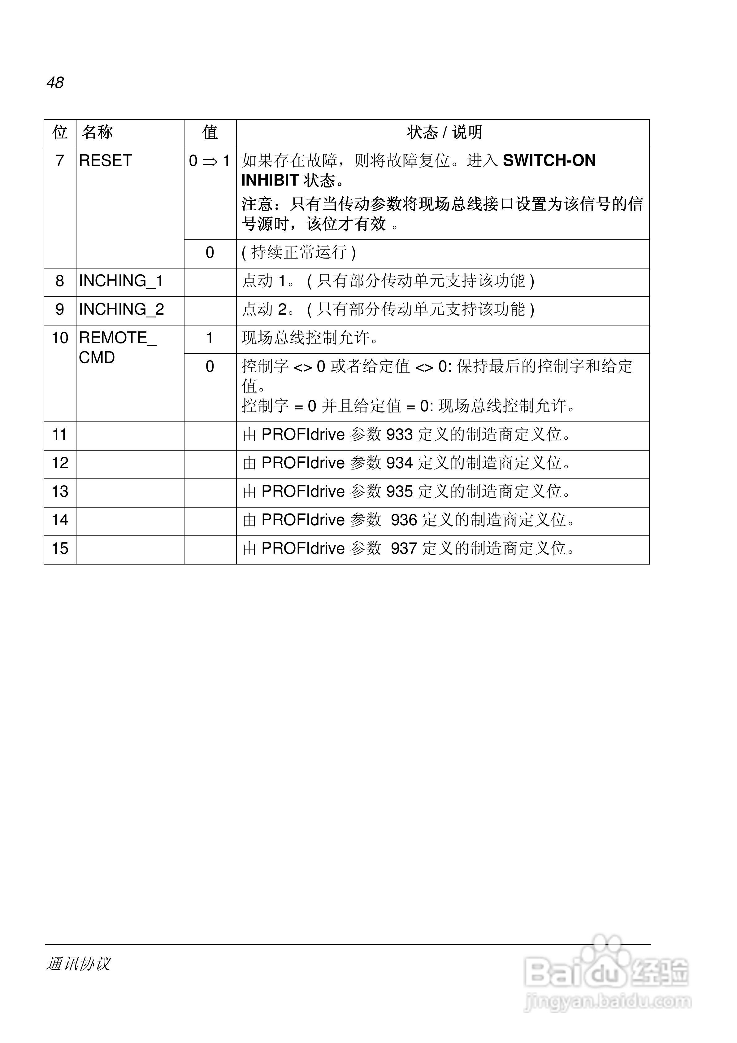
ABB PROFIBUS DP适配器模块FPBA-01用户手册:[5]
2026-05-11 10:21:41
本篇为《ABB PROFIBUS DP适配器模块FPBA-01用户手册》,主要介绍该产品的使用方法以及常见故障解决方案。
(共篇)
上一篇:
|
下一篇:
声明:
本网站引用、摘录或转载内容仅供网站访问者交流或参考,不代表本站立场,如存在版权或非法内容,请联系站长删除,联系邮箱:site.kefu@qq.com。
相关推荐
如何做波纹效果?
阅读量:116
MFC菜单应用实例:[3]获取菜单栏高度
阅读量:190
焦糖果仁马斯卡彭冰激凌
阅读量:188
古剑奇谭网络版世界boss在哪多久刷新
阅读量:110
SAP CO将货币和评估参数文件分配至成本控制范围
阅读量:65
猜你喜欢
维生素b12注射液
鸽子养殖大棚
三大法宝是什么
ip65是什么意思
什么食物含维生素e
玫瑰代表什么
维生素d的作用及功能
smtp是什么意思
recommend什么意思
公主病是什么意思
猜你喜欢
提肛运动的正确做法
维生素e涂脸
gy是什么意思
egg是什么意思
乐不思蜀什么意思
8月23日是什么节日
斑竹是什么意思
不苟言笑是什么意思
尼丝纺是什么面料
芥菜丝的腌制方法大全