小度生活
首页
美食营养
手工爱好
生活家居
返回
小度生活
首页
美食营养
游戏数码
手工爱好
生活家居
健康养生
运动户外
职场理财
情感交际
母婴教育
时尚美容
知识问答
生活知识
生活百科
搜索
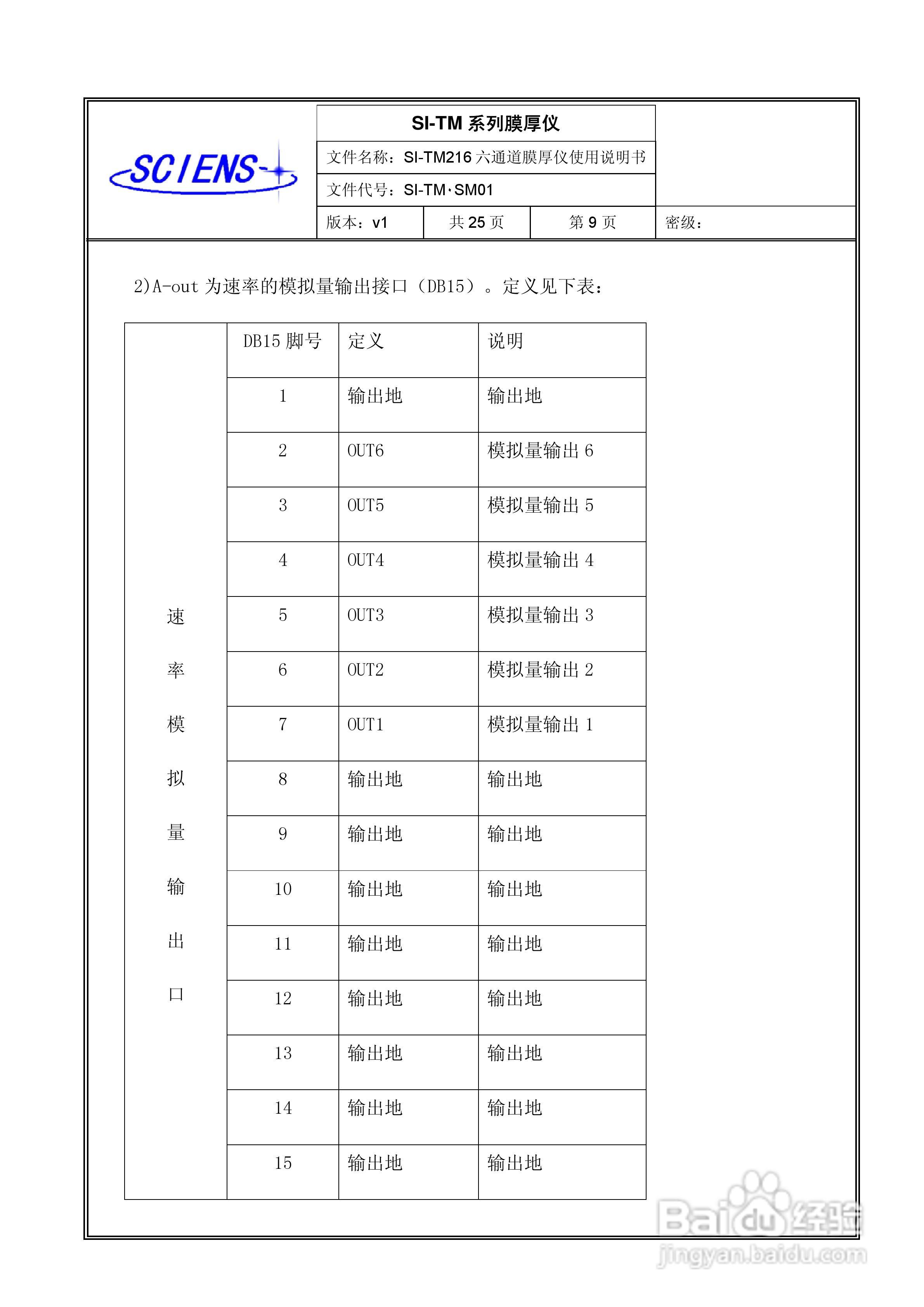
SI-TM216六通道膜厚监测仪使用说明书:[1]
2026-03-30 01:52:37
本篇为《SI-TM216六通道膜厚监测仪使用说明书》,主要介绍该产品的使用方法以及常见故障解决方案。
(共篇)
下一篇:
声明:
本网站引用、摘录或转载内容仅供网站访问者交流或参考,不代表本站立场,如存在版权或非法内容,请联系站长删除,联系邮箱:site.kefu@qq.com。
相关推荐
SI-TM216六通道膜厚监测仪使用说明书:[2]
阅读量:162
JM系列监测仪产品说明书:[1]
阅读量:72
JM系列监测仪产品说明书:[5]
阅读量:164
NOx自动监测仪使用说明书:[2]
阅读量:25
NOx自动监测仪使用说明书:[3]
阅读量:189
猜你喜欢
猪腰子怎么去腥
朱家尖旅游
剖宫产多久可以同房
刷机精灵怎么刷机
多大的宝宝可以喝酸奶
宗法制的特点
夫妻分居多长时间可以自动离婚
风暴要塞怎么去
气短胸闷是怎么回事
肚脐眼里面的脏东西可以清理吗
猜你喜欢
湛江旅游攻略
对此可以酣高楼
私处可以脱毛吗
上虞旅游
win7怎么定时关机
青春痘怎么去掉
员工转正申请怎么写
孕妇可以纹眉毛吗
西安旅游景点地图
黑人尺寸太大怎么进去