小度生活
首页
美食营养
手工爱好
生活家居
返回
小度生活
首页
美食营养
游戏数码
手工爱好
生活家居
健康养生
运动户外
职场理财
情感交际
母婴教育
时尚美容
知识问答
生活知识
搜索
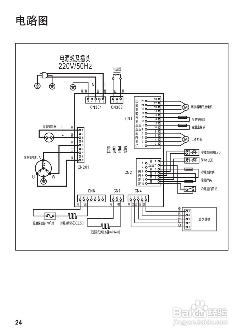
松下冰箱NR-C29WP1型说明书:[3]
2025-10-02 04:28:16
(共篇)
上一篇:
声明:
本网站引用、摘录或转载内容仅供网站访问者交流或参考,不代表本站立场,如存在版权或非法内容,请联系站长删除,联系邮箱:site.kefu@qq.com。
相关推荐
09平台im模式Dota英雄攻略——潮汐猎人
阅读量:167
中国象棋残局《适情雅趣》:第079局四七并列
阅读量:181
用七巧板怎样拼一个跑步的小孩儿?
阅读量:189
儿童剪纸教程 如何用彩色纸剪出一只小山羊
阅读量:44
儿童益智七巧板 如何用七巧板拼一匹马(8)
阅读量:173
猜你喜欢
怎么解除防沉迷
怎么制作简历
花呗怎么分期
鱿鱼怎么炒
大便不成形是怎么回事
哺乳期上火怎么办
怎么能长高
川崎病是怎么引起的
住房公积金怎么查询
简历自我介绍怎么写
猜你喜欢
红警怎么联机
共享汽车怎么收费
忘记qq密码怎么办
excel怎么做表格
wifi密码忘了怎么办
甲沟炎怎么治除根
车辆购置税怎么算
番茄炒蛋怎么做
三星手机怎么截图
暨南大学怎么样